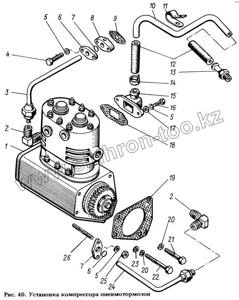
Каталог запасных частей к технике: ЯМЗ-8423.10. Установка компрессора пневмотормозов
1
2
2
3
4
5
5
5
6
6
7
7
8
9
10
11
12
13
14
15
16
17
18
19
20
20
21
22
23
24
25
26
| Позиция на иллюстрации | Заводской номер детали | Название детали | |
|---|---|---|---|
| 1 | 13.3509012-20 | Компрессор в сборе | |
| 2 | 314510-П | Угольник | |
| 3 | 8423.3509280 | Трубка слива воды | |
| 4 | 201468-П29 | Болт | |
| 5 | 252135-П2 | Шайба пружинная | |
| 6 | 840.3509294 | Фланец трубки | |
| 7 | 238Н-1722063 | Кольцо уплотнительное | |
| 8 | 8401.3509432-10 | Фланец трубки | |
| 9 | 8401.3509436 | Прокладка фланца | |
| 10 | 8423.3509242 | Трубка подвода воздуха | |
| 11 | 315356-П29 | Кляммер | |
| 12 | 8423.3509257 | Рукав соединительный | |
| 13 | 314601-П | Штуцер | |
| 14 | 316215-П | Хомут в сборе | |
| 15 | 842.3509252 | Патрубок подвода | |
| 16 | 201458-П29 | Болт М8х25 | |
| 17 | 252005-П29 | Шайба плоская | |
| 18 | 842.3509413 | Прокладка патрубка | |
| 19 | 840.3509403-10 | Прокладка картера компрессора | |
| 20 | 252136-П2 | Шайба 10 пружинная | |
| 21 | 200466-П29 | Болт | |
| 22 | 200471-П29 | Болт | |
| 23 | 252006-П2 | Шайба | |
| 24 | 842.3509278-10 | Трубка подвода воды | |
| 25 | 250511-П29 | Гайка | |
| 26 | 216523-П29 | Шпилька |
Содержащиеся в справочниках-каталогах запасные части и детали не предлагаются к продаже, а носят исключительно информационный характер