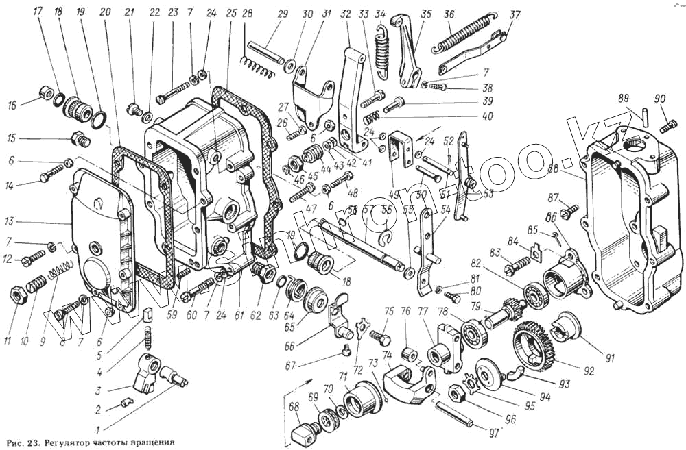
Каталог запасных частей к технике: ЯМЗ-8423.10. Регулятор частоты вращения
1
2
3
4
5
6
6
6
6
7
7
7
7
7
8
9
10
11
12
13
14
15
16
17
18
18
19
19
20
21
22
23
24
24
24
24
25
26
27
28
29
30
31
32
33
34
35
36
37
38
39
40
41
42
43
44
45
46
47
48
49
50
51
52
53
54
55
56
57
59
60
61
62
63
64
65
66
67
68
69
70
71
72
73
74
75
76
77
78
79
80
81
82
83
84
85
86
87
88
89
90
91
92
93
94
95
96
97
| Позиция на иллюстрации | Заводской номер детали | Название детали | |
|---|---|---|---|
| 42.1110040 | 42.1110040 | Державка грузов со стаканом в сборе | |
| 1 | 236-1110136-Б | Ось кулисы | |
| 2 | 60.1110220 | Ползун кулисы | |
| 3 | 60.1110132 | Кулиса | |
| 4 | 236-1110374-Б | Пружина фиксатора | |
| 5 | 236-1110372-Б | Фиксатор кулисы | |
| 6 | 250508-П29 | Гайка М6 | |
| 7 | 252154-П29 | Шайба пружинная | |
| 8 | 310611-П29 | Винт | |
| 9 | 236-1110490 | Пружина буферная | |
| 10 | 236-1110492 | Корпус буферной пружины | |
| 11 | 311511-П15 | Гайка | |
| 12 | 236Т-1110500 | Винт | |
| 13 | 236-1110498-А2 | Крышка смотрового люка | |
| 14 | 852002-П29 | Болт регулировочный | |
| 15 | 852880-П29 | Пробка | |
| 16 | 313955-П29 | Заглушка | |
| 17 | 236-1110482 | Кольцо уплотнительное | |
| 18 | 236-1110476-Б | Втулка вала рычага пружины | |
| 19 | 236-1110479 | Кольцо уплотнительное втулки вала рычага | |
| 20 | 236-1110499-А3 | Прокладка крышки смотрового люка | |
| 21 | 852369-П29 | Винт-заглушка | |
| 22 | 312446-П | Шайба | |
| 23 | 310612-П29 | Винт | |
| 24 | 312370-П29 | Шайба | |
| 25 | 236-1110154-А | Прокладка крышки регулятора | |
| 26 | 242519-П15 | Винт | |
| 27 | 250511-П15 | Гайка | |
| 28 | 236-1110089 | Пружина компенсационная | |
| 29 | 236-1110088 | Ось рычагов | |
| 30 | 312700-П15 | Шайба | |
| 31 | 236-1110080 | Рычаг двуплечий | |
| 32 | 238НБ-1110406-А2 | Рычаг регулятора | |
| 33 | 852350-П15 | Винт | |
| 34 | 42.1110462 | Пружина регулятора | |
| 35 | 236-1110466-А | Рычаг пружины | |
| 36 | 42.1110448 | Пружина рычага | |
| 37 | 42.1110454 | Тяга | |
| 38 | 201418-П15 | Болт | |
| 39 | 236-1110412 | Корректор | |
| 40 | 236-1110414 | Пружина корректора | |
| 41 | 236-1110141 | Шайба регулировочная | |
| 42 | 236-1110140 | Шайба регулировочная | |
| 43 | 312652-П15 | Шайба регулировочная | |
| 44 | 236-1110416 | Корпус пружины корректора | |
| 45 | 311512-П15 | Гайка | |
| 46 | 236-1110418 | Кольцо пружинное упорное | |
| 47 | 852357-П29 | Винт | |
| 48 | 310142-П29 | Болт регулировочный | |
| 49 | 236-1110433 | Серьга регулятора | |
| 50 | 317849-П15 | Палец | |
| 51 | 236-1110066 | Ось пяты упорной | |
| 52 | 258012-П15 | Шплинт | |
| 53 | 236-1110443-Б | Рычаг рейки в сборе | |
| 54 | 236-1110151 | Рычаг управления регулятором | |
| 55 | 312347-П15 | Шайба | |
| 56 | 236-1110471 | Кольцо пружинное упорное | |
| 57 | 236-1110467 | Вал рычага пружины | |
| 59 | 236-1110200 | Винт регулировочный | |
| 60 | 222539-П29 | Винт | |
| 61 | 60.1110129 | Крышка регулятора | |
| 62 | 236-1110134-Б | Ввертыш оси кулисы | |
| 63 | 236-1110394 | Кольцо уплотнительное в сборе | |
| 64 | 236-1110396 | Пружина скобы кулисы возвратная | |
| 65 | 236-1110398 | Крышка возвратной пружины | |
| 66 | 42.1110380 | Рычаг останова в сборе | |
| 67 | 852006-П29 | Болт | |
| 68 | 236-1110065-Б | Пята упорная | |
| 69 | 8102 | Подшипник шариковый упорный однорядный 15х28х9 | |
| 70 | 236-1110067 | Кольцо пружинное | |
| 71 | 60.1110062 | Муфта грузов | |
| 72 | 236-1110262 | Шайба скобы кулисы | |
| 73 | 236-1110064 | Шарик 3 | |
| 74 | 42.1110045 | Груз регулятора | |
| 75 | 201416-П29 | Болт М6х12 | |
| 76 | 236-1110532 | Ролик груза регулятора | |
| 77 | 42.1110046 | Державка грузов | |
| 78 | 202 | Подшипник шариковый радиальный однорядный | |
| 79 | 236-1110051-В | Валик державки грузов | |
| 80 | 201418-П29 | Болт М6х16 | |
| 81 | 252134-П29 | Шайба пружинная | |
| 82 | 200 | Подшипник шариковый радиальный однорядный 10х30х9 | |
| 83 | 310140-П15 | Болт | |
| 84 | 312529-П15 | Шайба стопорная | |
| 85 | 236.1110042 | Стопор пружинный' | |
| 86 | 236.1110558-В | Стакан подшипников | |
| 87 | 311200-П29 | Винт | |
| 88 | 423.1110022 | Корпус регулятора | |
| 89 | 258639-П15 | Штифт | |
| 90 | 260003-П15 | Палец | |
| 91 | 236-1110518-Б | Втулка ведущей шестерни | |
| 92 | 236-1110516-Б2 | Шестерня регулятора ведущая | |
| 93 | 236-1110517-Б2 | Сухарь шестерни | |
| 94 | 236-1110521 | Фланец втулки шестерни | |
| 95 | 312556-П15 | Шайба стопорная | |
| 96 | 250634-П15 | Гайка | |
| 97 | 236-1110049 | Ось груза регулятора |
Содержащиеся в справочниках-каталогах запасные части и детали не предлагаются к продаже, а носят исключительно информационный характер