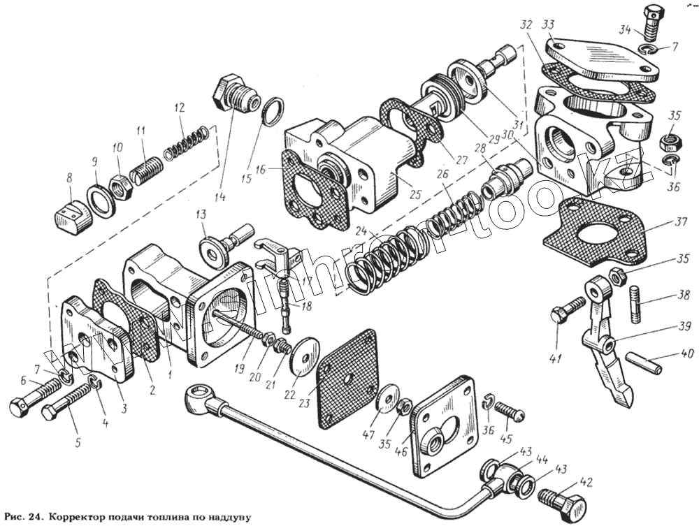
Каталог запасных частей к технике: ЯМЗ-8423.10. Коллектор подачи топлива по наддуву
1
2
3
4
5
6
7
7
8
9
10
11
12
13
14
15
16
17
18
19
20
21
22
23
24
25
26
27
28
29
30
31
32
33
34
35
35
35
36
36
37
38
39
40
41
42
43
43
44
45
46
47
| Позиция на иллюстрации | Заводской номер детали | Название детали | |
|---|---|---|---|
| 423.1110860-20 | 423.1110860-20 | Корректор подачи топлива в сборе | |
| 1 | 423.1110880 | Корпус мембраны | |
| 2 | 421.1110895 | Прокладка крышки корректора | |
| 3 | 423.1110893 | Крышка корректора | |
| 4 | 252134-П29 | Шайба пружинная | |
| 5 | 201430-П29 | Болт | |
| 6 | 310048-П29 | Болт | |
| 7 | 252135-П2 | Шайба пружинная | |
| 8 | 421.1110830 | Колпачок корпуса пружины | |
| 9 | 312327-П | Шайба | |
| 10 | 311448-П15 | Гайка | |
| 11 | 421.1110828 | Корпус пружины | |
| 12 | 421.1110826 | Пружина корректора | |
| 13 | 421.1110786-10 | Золотник корректора | |
| 14 | 42.1111902 | Ввертыш в сборе | |
| 15 | 312367-П | Шайба | |
| 16 | 421.1110881 | Прокладка корпуса мембраны | |
| 17 | 421.1110899 | Рычаг корректора | |
| 18 | 421.1110901 | Ось рычага | |
| 19 | 421.1110897 | Шток мембраны | |
| 20 | 318-85283 | Гайка | |
| 21 | 421.1110898 | Втулка штока | |
| 22 | 421.1110882 | Фланец | |
| 23 | 421.1110878-01 | Мембрана | |
| 24 | 421.1110802 | Пружина поршня | |
| 25 | 421.1110866 | Корпус корректора | |
| 26 | 423.1110932 | Пружина гильзы | |
| 27 | 421.1110869 | Прокладка корпуса корректора | |
| 28 | 423.1110930 | Гильза упора | |
| 29 | 421.1110800 | Поршень корректора | |
| 30 | 423.1110923 | Проставка корректора | |
| 31 | 423.1110925-10 | Упор | |
| 32 | 236-1014272 | Прокладка | |
| 33 | 423.1110921 | Фланец | |
| 34 | 852010-П29 | Болт | |
| 35 | 250508-П29 | Гайка М6 | |
| 36 | 252154-П29 | Шайба пружинная | |
| 37 | 423.1110924 | Прокладка | |
| 38 | 216504-П29 | Шпилька | |
| 39 | 423.1110927-10 | Рычаг корректора | |
| 40 | 423.1110929 | Ось рычага | |
| 41 | 310062-П29 | Болт | |
| 42 | 310122-П2 | Болт М10х1х22 | |
| 43 | 312482-П34 | Шайба | |
| 44 | 8421.1111558 | Трубка подвода воздуха | |
| 45 | 310611-П15 | Винт | |
| 46 | 421.1110894 | Крышка мембраны | |
| 47 | 312325-П15 | Шайба |
Содержащиеся в справочниках-каталогах запасные части и детали не предлагаются к продаже, а носят исключительно информационный характер