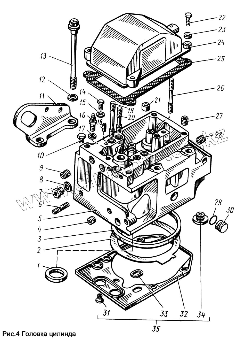
Каталог запасных частей к технике: ЯМЗ-8423.10. Головка цилиндров
1
2
3
4
5
6
7
8
9
10
11
11
12
13
14
15
16
17
18
19
20
21
22
23
24
25
26
27
28
29
30
31
32
33
34
35
| Позиция на иллюстрации | Заводской номер детали | Название детали | |
|---|---|---|---|
| 1 | 840.1003108 | Седло клапана | |
| 2 | 840.1003212-30 | Прокладка головки | |
| 3 | 840.1003466 | Кольцо уплотнительное газового стыка | |
| 4 | 316601-П29 | Ввертыш | |
| 5 | 840.1003013-10 | Головка цилиндра в сборе | |
| 6 | 216527-П29 | Шпилька | |
| 7 | 316603-П29 | Ввертыш | |
| 8 | 201-1015624 | Прокладка | |
| 9 | 316600-П29 | Ввертыш | |
| 10 | 316121-П29 | Пробка К 1/4" | |
| 11 | 841-1002351 | Рым | |
| 11 | 841.1002350 | Рым | |
| 12 | 312693-П29 | Шайба | |
| 13 | 840.1003016 | Болт крепления головки | |
| 14 | 201454-П29 | Болт М8х16 | |
| 15 | 312638-П | Шайба | |
| 16 | 840.1104918 | Ниппель | |
| 17 | 312482-П34 | Шайба | |
| 18 | 258639-П | Штифт | |
| 19 | 310450-П2 | Шпилька | |
| 20 | 310467-П2 | Шпилька | |
| 21 | 840.1007095 | Втулка-штифт | |
| 22 | 201464-П29 | Болт М8х40 | |
| 23 | 252005-П29 | Шайба плоская | |
| 24 | 840.1003264 | Крышка головки | |
| 25 | 840.1003270 | Прокладка крышки | |
| 26 | 310468-П2 | Шпилька | |
| 27 | 316608-П29 | Ввертыш | |
| 28 | 316602-П | Ввертыш | |
| 29 | 238Н-1723031 | Кольцо уплотнительное | |
| 30 | 840.1003436 | Заглушка | |
| 31 | 840.1003510 | Вставка уплотнительная | |
| 32 | 840.1003505 | Прокладка уплотнительная | |
| 33 | 840.1003506 | Вставка уплотнительная | |
| 34 | 840.1003508 | Вставка уплотнительная | |
| 35 | 840.1003514 | Прокладка уплотнительная и вставки на одну головку (комплект для запасных частей) |
Содержащиеся в справочниках-каталогах запасные части и детали не предлагаются к продаже, а носят исключительно информационный характер