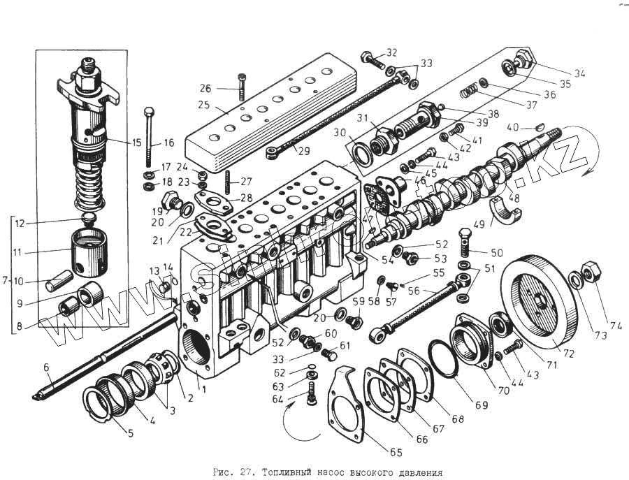
Каталог запасных частей к технике: ЯМЗ-8421.10. Топливный насос высокого давления
1
2
3
4
5
6
7
8
9
10
11
12
13
14
15
16
17
18
19
20
20
21
22
23
24
25
26
28
29
30
31
32
33
33
34
35
36
37
38
39
41
42
43
43
44
44
45
46
47
48
49
50
51
52
52
53
54
55
56
57
58
59
60
61
63
64
65
66
67
68
70
71
72
73
74
| Позиция на иллюстрации | Заводской номер детали | Название детали | |
|---|---|---|---|
| 424.1111005 | 424.1111005 | Топливный насос высокого давления в сборе | |
| 421.1111005 | 421.1111005 | Топливный насос высокого давления в сборе | |
| 1 | 42.1111021 | Корпус насоса с втулками | |
| 2 | 42.1111087 | Шайба подшипника дистанционная | |
| 3 | 6-7506НА | Подшипник кулачкового вала | |
| 4 | 42.1111077 | Втулка подшипника | |
| 5 | 42.1111082 | Кольцо упорное | |
| 6 | 42.1111181 | Рейка насоса | |
| 7 | 42.1111110-20 | Толкатель плунжера в сборе | |
| 8 | 42.1111122 | Втулка ролика | |
| 9 | 42.1111118 | Ролик толкателя | |
| 10 | 42.1111124 | Ось ролика | |
| 11 | 42.1111112 | Толкатель с сухарем | |
| 12 | 42.1111125 | Пята толкателя | |
| 13 | 42.1111425 | Пробка топливного канала | |
| 14 | 240Н-1011449 | Кольцо уплотнительное | |
| 15 | 421.1111039-30 | Секция топливного насоса в сборе | |
| 16 | 200463-П29 | Болт | |
| 17 | 252136-П2 | Шайба 10 пружинная | |
| 18 | 312355-П29 | Шайба | |
| 19 | 316186-П29 | Пробка | |
| 20 | 312768-П | Шайба | |
| 21 | 42.1111385 | Прокладка регулировочная | |
| 22 | 42.1111386 | Прокладка регулировочная | |
| 23 | 252156-П29 | Шайба | |
| 24 | 250517-П29 | Гайка | |
| 25 | 42.1111412 | Крышка защитная | |
| 26 | 42.1111414 | Винт | |
| 28 | 42.1111375 | Фланец нажимной | |
| 29 | 8421.1111538-01 | Трубка подвода масла в сборе | |
| 30 | 312630-П | Шайба | |
| 31 | 42.1111032 | Ввертыш экранированный | |
| 32 | 300122-П29 | Болт | |
| 33 | 312482-П | Шайба | |
| 34 | 33.1111300 | Пробка клапана | |
| 35 | 1/02844/60(ВАЗ) | Прокладка | |
| 36 | 870617-П | Шайба регулировочная | |
| 37 | 33.1111289-10 | Пружина клапана | |
| 38 | 33.1111325 | Шарик Б 6,35 мм | |
| 39 | 33.1111285 | Корпус клапана | |
| 41 | 201420-П15 | Болт | |
| 42 | 250608-П15 | Гайка | |
| 43 | 201458-П29 | Болт М8х25 | |
| 44 | 252135-П29 | Шайба | |
| 45 | 312700-П29 | Шайба | |
| 46 | 42.1111186 | Крышка рейки | |
| 47 | 421.1110869 | Прокладка корпуса корректора | |
| 48 | 42.1111055 | Вал кулачковый | |
| 49 | 42.1111063 | Опора кулачкового вала | |
| 50 | 310264-П29 | Болт | |
| 51 | 201-1015624 | Прокладка | |
| 52 | 852619-П | Шайба | |
| 53 | 42.1111905 | Ввертыш | |
| 54 | 314019-П | Шпонка сегментная | |
| 55 | 236-1111154-А | Стопор винта | |
| 56 | 842.1111570 | Трубка отвода масла в сборе | |
| 57 | 33.1106245 | Винт стопорный | |
| 58 | 312753-П | Прокладка | |
| 59 | 316617-П29 | Ввертыш | |
| 60 | 316619-П29 | Ввертыш | |
| 61 | 852882-П29 | Пробка спуска воздуха | |
| 63 | 42.1111085 | Колпачок | |
| 64 | 42.1111065 | Болт опоры кулачкового вала | |
| 65 | 42.1111280 | Указатель начала подачи топлива | |
| 66 | 42.1111080 | Прокладка регулировочная | |
| 67 | 42.1111079 | Прокладка регулировочная | |
| 68 | 42.1111078 | Прокладка регулировочная | |
| 70 | 42.1111072-10 | Крышка подшипника | |
| 71 | 840.1029438-01 | Манжета | |
| 72 | 42.1111332-10 | Маховик топливного насоса | |
| 73 | 252161-П29 | Шайба | |
| 74 | 250565-П29 | Гайка |
Содержащиеся в справочниках-каталогах запасные части и детали не предлагаются к продаже, а носят исключительно информационный характер