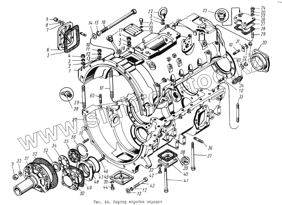
Каталог запасных частей к технике: ЯМЗ-8421.10. Картер коробки передач
1
2
2
2
3
3
3
5
6
7
8
9
9
9
10
10
10
10
12
12
13
13
14
15
16
17
18
19
20
20
20
21
22
23
24
25
26
27
28
29
30
31
32
32
32
33
34
35
36
37
38
39
40
41
42
43
44
45
46
47
48
49
50
51
52
53
54
55
56
57
59
60
61
| Позиция на иллюстрации | Заводской номер детали | Название детали | |
|---|---|---|---|
| 201.1701009 | 201.1701009 | Картер в сборе | |
| 1 | 201.1701015 | Картер, верхняя часть | |
| 2 | 252016-П2 | Шайба | |
| 3 | 252138-П2 | Шайба пружинная | |
| 5 | 200-1701021-А | Прокладка | |
| 6 | 236-1701020 | Крышка люка отбора мощности | |
| 7 | 252006-П2 | Шайба | |
| 8 | 252136-П2 | Шайба 10 пружинная | |
| 9 | 250517-П29 | Гайка | |
| 10 | 216553-П29 | Шпилька | |
| 12 | 252137-П2 | Шайба пружинная | |
| 13 | 252007-П2 | Шайба | |
| 14 | 252017-П2 | Шайба | |
| 15 | 252139-П2 | Шайба пружинная | |
| 16 | 310021-П29 | Болт | |
| 17 | 201.1704290 | Указатель уровня масла | |
| 18 | 312678-П | Прокладка | |
| 19 | 15.1601030 | Крышка верхнего люка | |
| 20 | 252135-П2 | Шайба пружинная | |
| 21 | 201454-П29 | Болт М8х16 | |
| 22 | 201.1701350 | Рым-гайка | |
| 23 | 201.1701486 | Сапун в сборе | |
| 24 | 250511-П29 | Гайка | |
| 25 | 252005-П2 | Шайба 8 | |
| 26 | 201.1701023 | Крышка люка верхнего картера | |
| 27 | 201.1701482 | Экран крышки | |
| 28 | 201.1701024 | Прокладка крышки | |
| 29 | 216527-П29 | Шпилька | |
| 30 | 201.1701078 | Гнездо | |
| 31 | 201.1701097 | Планка | |
| 32 | 312546-П2 | Шайба | |
| 33 | 312546-П2 | Шайба | |
| 34 | 201.1704117 | Пробка | |
| 35 | 310452-П29 | Шпилька | |
| 36 | 216666-П29 | Шпилька | |
| 37 | 4593181175 | Болт | |
| 38 | 4599321103 | Пробка | |
| 39 | 201.1701022 | Прокладка | |
| 40 | 201.1701019 | Крышка люка | |
| 41 | 4593181172 | Болт | |
| 42 | 201678-П29 | Болт | |
| 43 | 4593281123 | Болт | |
| 44 | 201458-П29 | Болт М8х25 | |
| 45 | 15.1601019 | Крышка нижнего люка | |
| 46 | 216559-П29 | Шпилька | |
| 47 | 236-1028246 | Кольцо уплотнительное | |
| 48 | 201.1701070 | Гнездо | |
| 49 | 201.1701069 | Прокладка | |
| 50 | 201.1701068 | Крышка подшипника | |
| 51 | 201.1701041 | Крышка | |
| 52 | 201.1701042 | Прокладка | |
| 53 | 201.1701230 | Манжета | |
| 54 | 201.1701046 | Экран маслоотражательный | |
| 55 | 201.1701460 | Кольцо маслоотражательное | |
| 56 | 201.1701045 | Кольцо 2А95 | |
| 57 | 201.1701016 | Картер, нижняя часть | |
| 59 | 310453-П29 | Шпилька | |
| 60 | 310457-П29 | Шпилька | |
| 61 | 310456-П29 | Шпилька |
Содержащиеся в справочниках-каталогах запасные части и детали не предлагаются к продаже, а носят исключительно информационный характер