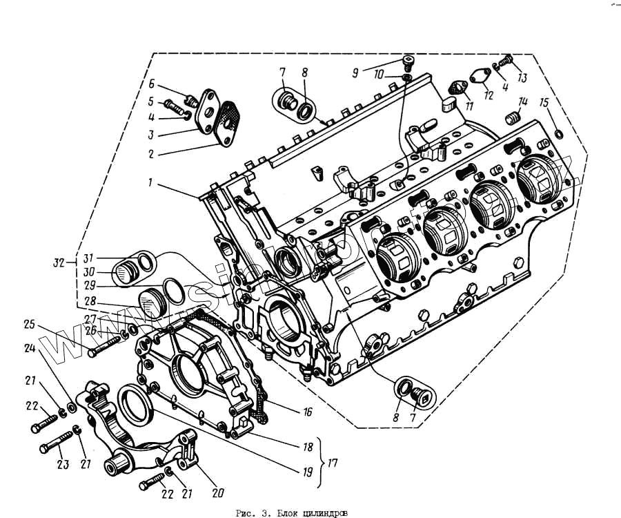
Каталог запасных частей к технике: ЯМЗ-8421.10. Блок цилиндров
1
2
3
4
4
5
6
7
7
8
8
9
10
11
12
13
16
17
18
19
20
22
22
22
24
25
26
27
28
30
32
| Позиция на иллюстрации | Заводской номер детали | Название детали | |
|---|---|---|---|
| 1 | 842.1002011 | Блок цилиндров в сборе | |
| 2 | 236-1011296 | Прокладка переднего фланца | |
| 3 | 841.1002084 | Крышка водяной полости | |
| 4 | 252135-П2 | Шайба пружинная | |
| 5 | 201458-П29 | Болт М8х25 | |
| 6 | 316198-П29 | Пробка | |
| 7 | 316106-П29 | Пробка | |
| 8 | 312326-П | Шайба 14 | |
| 9 | 316107-П2 | Пробка | |
| 10 | 312630-П | Шайба | |
| 11 | 8423.1303276 | Прокладка патрубка | |
| 12 | 841.1002208 | Заглушка | |
| 13 | 201456-П29 | Болт М8-6gх20 | |
| 16 | 841.1002265 | Прокладка | |
| 17 | 841.1002260 | Крышка передняя в сборе | |
| 18 | 841.1002264 | Крышка передняя | |
| 19 | 840.1005034 | Манжета передняя в сборе | |
| 20 | 841.1001017 | Кронштейн передней опоры | |
| 22 | 252138-П | Шайба | |
| 24 | 252016-П29 | Шайба | |
| 25 | 200460-П29 | Болт | |
| 26 | 252136-П2 | Шайба 10 пружинная | |
| 27 | 252006-П29 | Шайба плоская | |
| 28 | 840.1002524 | Заглушка отверстия распределительного вала | |
| 30 | 841.1002025 | Заглушка | |
| 32 | 842.1002012 | Блок цилиндров в сборе |
Содержащиеся в справочниках-каталогах запасные части и детали не предлагаются к продаже, а носят исключительно информационный характер