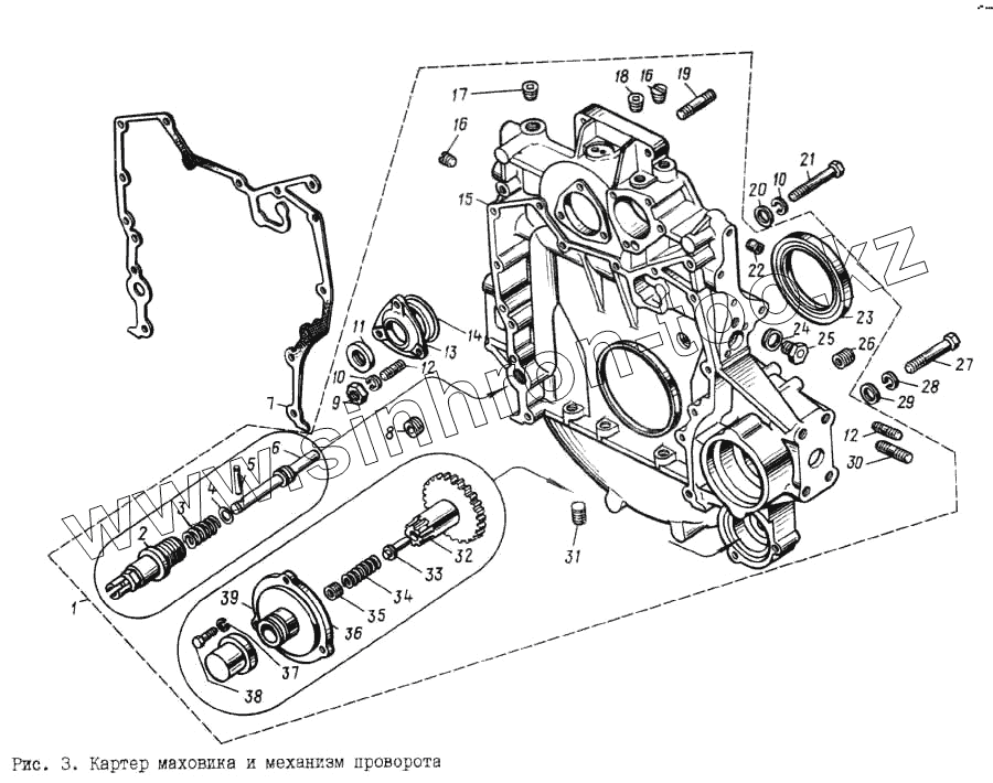
Каталог запасных частей к технике: ЯМЗ-8401.10. Картер маховика и механизм поворота
1
2
3
4
5
6
7
8
9
10
10
11
12
12
13
14
15
19
20
21
22
23
24
25
26
27
28
29
30
31
32
33
34
36
37
38
39
| Позиция на иллюстрации | Заводской номер детали | Название детали | |
|---|---|---|---|
| 840.1002312-10 | 840.1002312-10 | Картер маховика | |
| 3166П-П29 | 3166П-П29 | Ввертыш трубки подвода масла турбокомпрессора | |
| 8401.1002310-10 | 8401.1002310-10 | Картер маховика в сборе | |
| 1 | 8401.1002310-30 | Картер маховика в сборе | |
| 2 | 840.1005444 | Корпус фиксатора | |
| 3 | 840.1005446 | Пружина фиксатора | |
| 4 | 238Н-1722063 | Кольцо уплотнительное | |
| 5 | 313412-П29 | Штифт | |
| 6 | 840.1005442 | Фиксатор маховика | |
| 7 | 840.1002314 | Прокладка картера | |
| 8 | 840.1002339 | Вставка картера | |
| 9 | 250517-П29 | Гайка | |
| 10 | 252136-П2 | Шайба 10 пружинная | |
| 11 | 840.1029438 | Манжета в сборе | |
| 12 | 216459-П29 | Шпилька | |
| 13 | 840.1029172 | Корпус переднего подшипника | |
| 14 | 251112193 | Кольцо 082-088-36-2-1 | |
| 15 | 840.1002312-30 | Картер маховика | |
| 19 | 216564-П29 | Шпилька | |
| 20 | 252006-П29 | Шайба плоская | |
| 21 | 200466-П29 | Болт | |
| 22 | 316601-П29 | Ввертыш | |
| 23 | 840.1005160 | Манжета задняя в сборе | |
| 24 | 312768-П | Шайба | |
| 25 | 316615-П29 | Ввертыш | |
| 26 | 316610-П29 | Ввертыш | |
| 27 | 200404-П29 | Болт | |
| 28 | 252137-П2 | Шайба пружинная | |
| 29 | 252007-П29 | Шайба плоская | |
| 30 | 216626-П29 | Шпилька | |
| 31 | 316600-П29 | Ввертыш | |
| 32 | 240-1005678 | Шестерня механизма проворота | |
| 33 | 240-1005683 | Упор | |
| 34 | 240-1005671 | Пружина | |
| 36 | 840.1005676 | Корпус | |
| 37 | 252134-П2 | Шайба пружинная | |
| 38 | 201420-П29 | Болт М6х20 | |
| 39 | 840.1005688 | Колпачок |
Содержащиеся в справочниках-каталогах запасные части и детали не предлагаются к продаже, а носят исключительно информационный характер