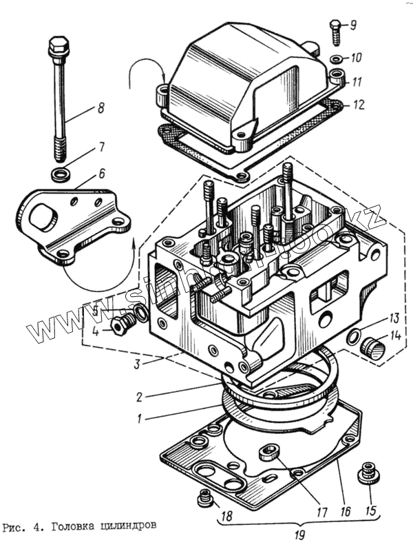
Каталог запасных частей к технике: ЯМЗ-8401.10. Головка цилиндров
1
2
3
4
5
6
6
7
8
9
10
11
12
14
15
16
17
18
19
| Позиция на иллюстрации | Заводской номер детали | Название детали | |
|---|---|---|---|
| 840.1003213 | 840.1003213 | Прокладка | |
| 1 | 840.1003212-30 | Прокладка головки | |
| 2 | 840.1003466 | Кольцо уплотнительное газового стыка | |
| 3 | 840.1003013-10 | Головка цилиндра в сборе | |
| 4 | 316603-П29 | Ввертыш | |
| 5 | 201.1015624 | Прокладка ввертыша | |
| 6 | 840.1002350 | Рым | |
| 6 | 841.1002350 | Рым | |
| 7 | 312693-П29 | Шайба | |
| 8 | 840.1003016 | Болт крепления головки | |
| 9 | 201464-П29 | Болт М8х40 | |
| 10 | 252005-П29 | Шайба плоская | |
| 11 | 840.1003264 | Крышка головки | |
| 12 | 840.1003270 | Прокладка крышки | |
| 14 | 840.1003436 | Заглушка | |
| 15 | 840.1003510 | Вставка уплотнительная | |
| 16 | 840.1003505 | Прокладка уплотнительная | |
| 17 | 840.1004506 | Вставка | |
| 18 | 840.1003508 | Вставка уплотнительная | |
| 19 | 840.1003514 | Прокладка уплотнительная и вставки на одну головку (комплект для запасных частей) |
Содержащиеся в справочниках-каталогах запасные части и детали не предлагаются к продаже, а носят исключительно информационный характер