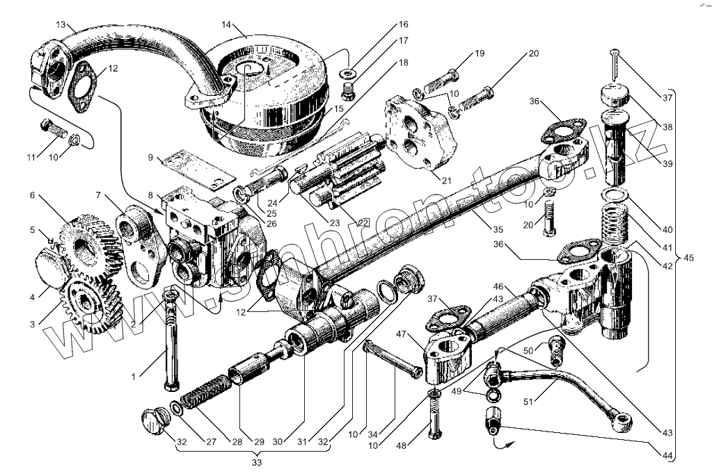
Каталог запасных частей к технике: ЯМЗ-7511 (2005). Насос масляный
7511.1011014-01
1
2
3
4
4
5
6
7
8
9
10
10
10
10
10
11
12
12
13
14
15
16
17
18
19
20
20
21
22
23
24
25
26
27
28
29
30
31
32
32
33
34
35
36
36
37
37
38
39
40
41
42
43
43
44
45
46
47
48
49
50
51
| Позиция на иллюстрации | Заводской номер детали | Название детали | |
|---|---|---|---|
| 7511.1011014-01 | 7511.1011014-01 | Насос масляный в сборе | |
| 238Б-1011034 | 238Б-1011034 | Втулка | |
| 1 | 310254-П2 | Болт | |
| 2 | 252136-П2 | Шайба 10 пружинная | |
| 3 | 238Б-1011230 | Шестерня ведомая привода | |
| 4 | 236-1011217-В3 | Фланец упорный | |
| 4 | 236-1011217-В2 | Фланец упорный | |
| 5 | 316156-П | Пробка | |
| 6 | 236-1011202-А | Шестерня промежуточная привода | |
| 7 | 236-1011208wB | Ось промежуточной шестерни | |
| 8 | 7511.1011015-10 | Корпус насоса в сборе | |
| 9 | 236-1011380 | Прокладка регулировочная | |
| 10 | 252135-П2 | Шайба пружинная | |
| 11 | 201458-П29 | Болт М8х25 | |
| 12 | 236-1011296 | Прокладка переднего фланца | |
| 13 | 238Ф-1011400-Г | Труба всасывающая с фланцами в сборе | |
| 14 | 238Ф-1011300-А | Чашка заборника в сборе | |
| 15 | 204А-1011310-В | Сетка заборника в сборе | |
| 16 | 252005-П2 | Шайба 8 | |
| 17 | 206513-П2 | Болт М8х1х12 | |
| 18 | 204А-1011318-Б | Крючок крепления сетки | |
| 19 | 201466-П2 | Болт М8х45 | |
| 20 | 201464-П2 | Болт М8х40 | |
| 21 | 238Б-1011019-Б | Крышка масляного насоса со втулками в сборе | |
| 22 | 7511.1011030 | Шестерня подачи масла ведомая | |
| 23 | 7511.1011040 | Шестерня подачи масла ведущая | |
| 24 | 45 9824 6257 | Шпонка | |
| 25 | 310156-П2 | Болт | |
| 26 | 252137-П2 | Шайба пружинная | |
| 27 | 312347-П29 | Шайба | |
| 28 | 238Б-1011058 | Пружина | |
| 29 | 238Б-1011054 | Клапан | |
| 30 | 2385-1011050 | Корпус клапана | |
| 31 | 238Б-1011066 | Прокладка | |
| 32 | 236-1012067 | Пробка перепускного клапана | |
| 33 | 2385-1011048 | Клапан редукционный в сборе | |
| 34 | 200274-П29 | Болт М8х75 | |
| 35 | 238Б-1011350-Б | Труба отводящая насоса в сборе | |
| 36 | 236-1011358-A | Прокладка | |
| 37 | 258071-П29 | Шплинт | |
| 38 | 236-1011073 | Колпачок | |
| 39 | 240-1011055 | Клапан | |
| 40 | 312668-П | Шайба | |
| 41 | 240-1011057 | Пружина клапана дифференциального | |
| 42 | 238Б-1011060 | Корпус клапана | |
| 43 | 240-1005586 | Кольцо уплотнительное | |
| 44 | 314681-П29 | Штуцер | |
| 45 | 2385-1011056 | Клапан дифференциальный в сборе | |
| 46 | 238Б-1011065 | Труба отводящая | |
| 47 | 238Б-1011069 | Фланец | |
| 48 | 200270-П2 | Болт М8х55 | |
| 49 | 312326-П34 | Шайба уплотнительная | |
| 50 | 310096-П2 | Болт специальный М14х1,5х30 | |
| 51 | 238Б-1011098 | Труба соединительная в сборе |
Содержащиеся в справочниках-каталогах запасные части и детали не предлагаются к продаже, а носят исключительно информационный характер