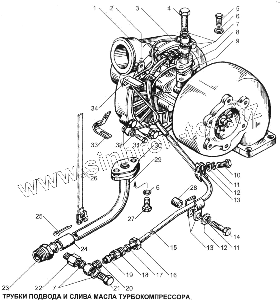
Каталог запасных частей к технике: ЯМЗ-7511. Трубки подвода и слива масла турбокомпрессора
1
2
3
4
5
6
6
7
7
8
9
10
11
11
12
12
13
13
14
15
16
17
18
19
20
21
22
23
24
25
26
27
28
29
30
31
32
33
34
| Позиция на иллюстрации | Заводской номер детали | Название детали | |
|---|---|---|---|
| 238Ф-1118220 | 238Ф-1118220 | Трубка подвода масла к турбокомпрессору в сборе | |
| 1 | 12.1118010 | Турбокомпрессор в сборе | |
| 2 | 315455-П29 | Кляммер | |
| 3 | 238БМ-1111558 | Трубка подвода масла к корректору по наддуву | |
| 4 | 310236-П29 | Болт | |
| 5 | 201495-П2 | Болт | |
| 6 | 252156-П2 | Шайба пружинная | |
| 7 | 312326-П34 | Шайба уплотнительная | |
| 8 | 238Ф-1118224 | Фланец турбокомпрессора | |
| 9 | 238Ф-1118225 | Прокладка | |
| 10 | 201458-П29 | Болт М8х25 | |
| 11 | 252135-П2 | Шайба пружинная | |
| 12 | 252005-П29 | Шайба плоская | |
| 13 | 238Н-1017152 | Скоба крепления трубки | |
| 14 | 201466-П29 | Болт М8х45 | |
| 15 | 238Ф-1118226 | Трубка подвода масла к турбокомпрессору | |
| 16 | 238Н-1017243 | Гайка упорная в сборе | |
| 17 | 238Н-1017318 | Кольцо | |
| 18 | 314678-П29 | Штуцер проходной | |
| 19 | 314802-П | Муфта конусная | |
| 20 | 238Н-1017216 | Наконечник | |
| 21 | 310096-П2 | Болт специальный М14х1,5х30 | |
| 22 | 314681-П29 | Штуцер | |
| 23 | 236-1306082 | Штуцер трубки слива масла | |
| 24 | 236-1306084 | Рукав соединительный | |
| 25 | 297575-П29 | Шплинт | |
| 26 | 316215-П | Хомут в сборе | |
| 27 | 201497-П29 | Болт М10х25 | |
| 28 | 238П-1017156 | Проставка скобы | |
| 29 | 238Б-1118340 | Трубка слива масла | |
| 30 | 238Ф-1118322 | Прокладка фланца трубы | |
| 31 | 310122-П2 | Болт М10х1х22 | |
| 32 | 312482-П34 | Шайба | |
| 33 | 315352-П29 | Кляммер | |
| 34 | 240-1104337 | Прокладка кляммера |
Содержащиеся в справочниках-каталогах запасные части и детали не предлагаются к продаже, а носят исключительно информационный характер