Каталог запасных частей к технике: ЯМЗ-7511.10. Регулятор частоты вращения
1
2
3
4
5
5
5
5
5
5
6
7
8
9
10
11
11
11
12
13
13
14
15
16
17
18
19
20
21
22
23
24
25
26
27
28
29
30
30
31
31
32
33
34
35
36
37
38
39
40
41
42
43
44
45
46
47
48
48
49
50
51
52
53
54
54
55
56
57
58
59
60
61
62
63
64
65
66
67
68
69
70
71
72
73
74
75
76
77
78
79
80
81
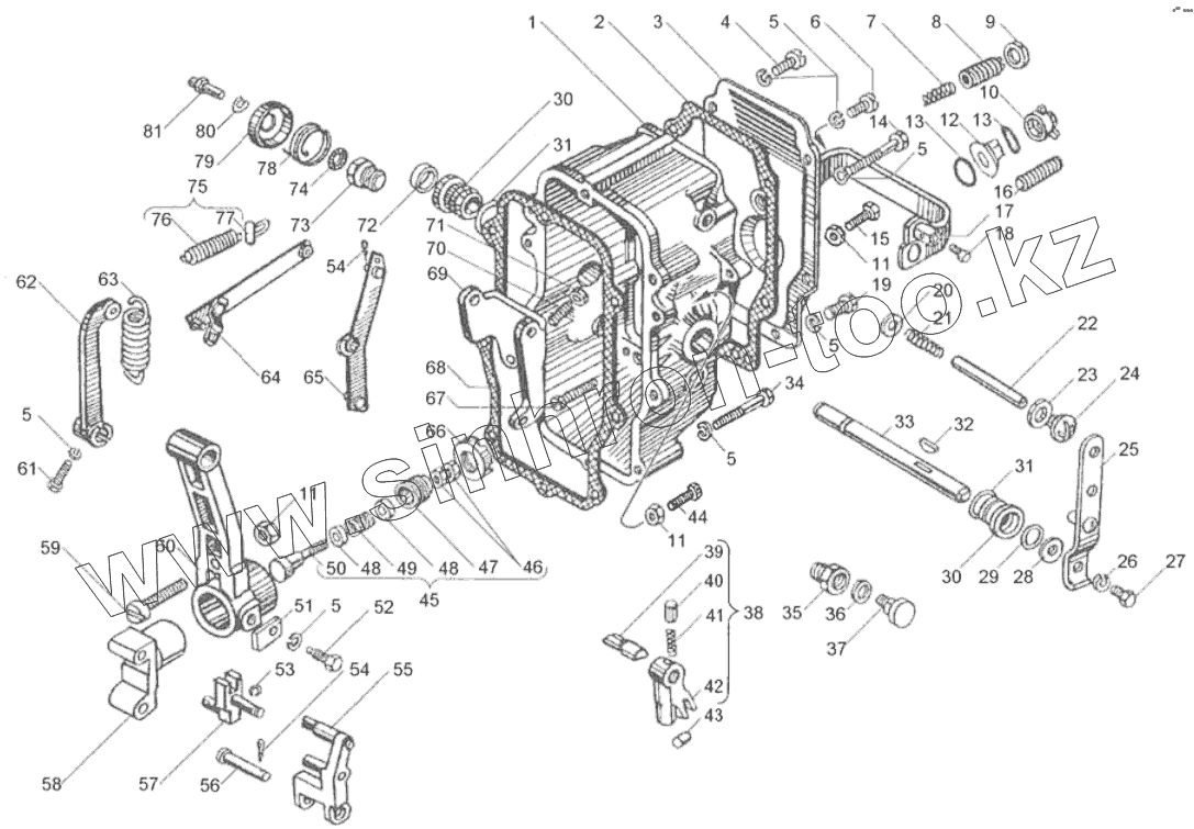
| Позиция на иллюстрации | Заводской номер детали | Название детали | |
|---|---|---|---|
| 1 | 60.1110129 | Крышка регулятора | |
| 2 | 236-1110499-А4 | Прокладка крышки смотрового люка | |
| 3 | 60.1110498-20 | Крышка смотрового люка | |
| 4 | 852380-П29 | Винт крепления крышки люка | |
| 5 | 1/05164/77 | Шайба | |
| 6 | 310600-П29 | Винт | |
| 7 | 236-1110490 | Пружина буферная | |
| 8 | 807.1110492-10 | Корпус буферной пружины | |
| 9 | 2108-1602254 | Гайка | |
| 10 | 852920 | Гайка колпачковая | |
| 11 | 250508-П29 | Гайка М6 | |
| 12 | 2101-3703116-01 | Гайка крепления аккумуляторной батареи | |
| 13 | 2531112013 | Кольцо 005-008-19-2-1 | |
| 14 | 310612-П15 | Винт | |
| 15 | 852003-П29 | Болт | |
| 16 | 175.1110200 | Винт регулировочный | |
| 17 | 60.1110380-01 | Скоба кулисы в сборе | |
| 18 | 853013 | Болт | |
| 19 | 310611-П15 | Винт | |
| 20 | 312700 | Шайба | |
| 21 | 236-1110089 | Пружина компенсационная | |
| 22 | 236-1110088 | Ось рычагов | |
| 23 | 852205 | Шайба | |
| 24 | 320.31018 | Пробка | |
| 25 | 236-1110151 | Рычаг управления регулятором | |
| 26 | 1/05164/77 | Шайба | |
| 27 | 1/09022/21 | Болт М6х16 | |
| 28 | 312347 | Шайба | |
| 29 | 2531110243 | Кольцо уплотнительное | |
| 30 | 236Т-1110476-Б | Втулка вала | |
| 31 | 236-1106380 | Кольцо уплотнительное | |
| 32 | 314003-П | Шпонка сегментная | |
| 33 | 175.1110467 | Вал рычага пружины | |
| 34 | 852381-П15 | Винт | |
| 35 | 236Т-1110392 | Ввертыш оси скобы | |
| 36 | 852204 | Шайба | |
| 37 | 236Т-1110390 | Ось скобы | |
| 38 | 175.1110130 | Кулиса в сборе | |
| 39 | 236-1110136-Б | Ось кулисы | |
| 40 | 236-1110372-Б | Фиксатор кулисы | |
| 41 | 175.1110227 | Пружина фиксатора | |
| 42 | 60.1110132 | Кулиса | |
| 43 | 60.1110220-02 | Ползун кулисы | |
| 44 | 852020 | Болт регулировочный | |
| 45 | 175.1110070 | Корректор в сборе | |
| 46 | 320.88333 | Гайка М5 | |
| 47 | 240Б-1110416 | Корпус пружины корректора | |
| 48 | 175.1110072 | Кольцо проставочное | |
| 49 | 175.1110414 | Пружина корректора | |
| 50 | 175.1110412 | Корректор | |
| 51 | ВС301-0755 | Накладка ограничительная | |
| 52 | 1/09021/21 | Болт М6х14 | |
| 53 | 320-88967 | Кольцо пружинное упорное | |
| 54 | 1/07342/01 | Шплинт 2х15 | |
| 55 | 60.1110266 | Рычаг корректора со штифтом в сборе | |
| 56 | 852780 | Палец | |
| 57 | 60.1110223-02 | Кулиса корректора | |
| 58 | 175.1110263-30 | Втулка корректора | |
| 59 | 852350 | Винт регулировочный | |
| 60 | 175.1110406-11 | Рычаг регулятора | |
| 61 | 1/09021/21 | Болт М6х14 | |
| 62 | 60.1110466 | Рычаг пружины | |
| 63 | 90.1110462-10 | Пружина регулятора | |
| 64 | 423.1110454-01 | Тяга рейки в сборе | |
| 65 | 60.1110441-01 | Рычаг рейки | |
| 66 | 318-85302 | Гайка | |
| 67 | 852372 | Винт | |
| 68 | 236-1110154-А2 | Прокладка крышки регулятора | |
| 69 | 60.1110080 | Рычаг двуплечий | |
| 70 | 852364 | Винт | |
| 71 | 250511-П15 | Гайка | |
| 72 | 313955 | Заглушка | |
| 73 | 236Т-1110134-Б | Ввертыш оси кулисы | |
| 74 | 236-1110394 | Кольцо уплотнительное в сборе | |
| 75 | 60.1110438 | Пружина рычага рейки с зацепом в сборе | |
| 76 | 60.1110448 | Пружина рычага рейки | |
| 77 | 60.1110449 | Зацеп пружины с планкой и щитком | |
| 78 | 236Т-1110396 | Пружина скобы кулисы возвратная | |
| 79 | 236Т-1110398 | Крышка возвратной пружины | |
| 80 | 1/05164/77 | Шайба | |
| 81 | 236-1110376 | Ось рычага останова |
Содержащиеся в справочниках-каталогах запасные части и детали не предлагаются к продаже, а носят исключительно информационный характер