Каталог запасных частей к технике: ЯМЗ-6583.10 (Евро 3). Индивидуальная головка цилиндра
1
2
3
4
5
6
8
9
10
11
12
13
14
15
15
16
16
17
18
19
20
21
22
22
22
22
23
23
23
24
25
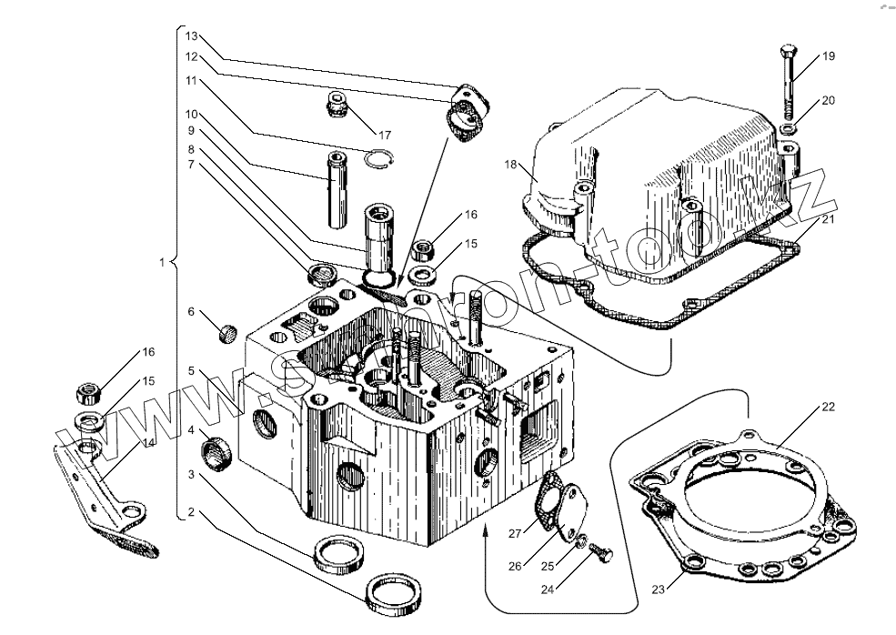
| Позиция на иллюстрации | Заводской номер детали | Название детали | |
|---|---|---|---|
| 7511.1003013 | 7511.1003013 | Головка цилиндра в сборе (для запасных частей) | |
| 7511.1003331-10 | 7511.1003331-10 | Рым | |
| 1 | 7511.1003012 | Головка цилиндра с втулками в сборе | |
| 2 | 7511.1003108-01 | Седло впускного клапана | |
| 3 | 7511.1003110-01 | Седло выпускного клапана | |
| 4 | 313992-П | Заглушка | |
| 5 | 7511.1003014 | Головка цилиндра с вставкой в сборе | |
| 6 | 7511.1003436 | Заглушка | |
| 8 | 25 3111 6148 | Кольцо 029-035-36-2-5 | |
| 9 | 7511.1003112 | Стакан форсунки | |
| 10 | 236-1007032-Б | Втулка клапана направляющая | |
| 11 | 7511.1003115 | Кольцо запорное | |
| 12 | 236-1011296 | Прокладка переднего фланца | |
| 13 | 236-1002402 | Заглушка | |
| 14 | 7511.1003330-10 | Рым | |
| 15 | 312399-П29 | Шайба | |
| 16 | 311423-П5 | Гайка | |
| 17 | 236-1007262 | Манжета уплотнительная впускного клапана в сборе | |
| 18 | 7511.1003264-02 | Крышка головки цилиндра | |
| 19 | 200274-П29 | Болт М8х75 | |
| 20 | 238АК-1005516 | Шайба | |
| 21 | 7511.1003270-02 | Прокладка крышки головки | |
| 22 | 7511.1003212-40 | Прокладка головки цилиндра толщиной 1,7-0,08 мм | |
| 22 | 7511.1003212-10 | Прокладка головки цилиндра толщиной 1,1-0,06 мм | |
| 22 | 7511.1003212-20 | Прокладка головки цилиндра толщиной 1,3-0,06 мм | |
| 22 | 7511.1003212-30 | Прокладка головки цилиндра толщиной 1,5-0,08 мм | |
| 23 | 7511.1003213-02 | Прокладка уплотнительная головки цилиндра | |
| 23 | 7511.1003213-03 | Прокладка уплотнительная головки цилиндра | |
| 23 | 7511.1003213-04 | Прокладка уплотнительная головки цилиндра | |
| 24 | 201454-П29 | Болт М8х16 | |
| 25 | 252135-П2 | Шайба пружинная |
Содержащиеся в справочниках-каталогах запасные части и детали не предлагаются к продаже, а носят исключительно информационный характер