Каталог запасных частей к технике: ЯМЗ-6583.10 (Евро 3). Блок цилиндров
1
2
3
3
4
5
5
6
7
7
7
7
8
9
9
10
11
12
13
14
15
16
17
18
19
20
21
22
23
24
25
26
27
28
29
36
37
38
39
40
41
42
43
44
45
45
46
46
47
47
47
47
48
49
50
51
52
52
53
54
54
55
56
57
58
59
60
61
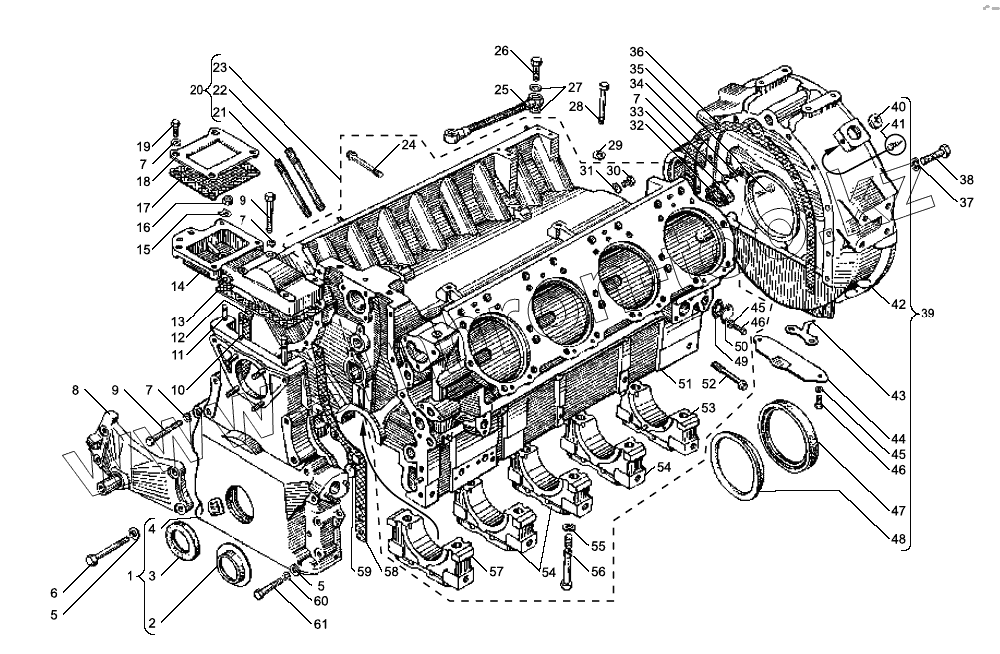
| Позиция на иллюстрации | Заводской номер детали | Название детали | |
|---|---|---|---|
| 316169-П2 | 316169-П2 | Пробка К3/8" | |
| 316608-П29 | 316608-П29 | Ввертыш | |
| 236-1002286 | 236-1002286 | Сетка прокладки | |
| 236Т-1002284-Б4 | 236Т-1002284-Б4 | Прокладка | |
| 1 | 238Б-1002261 -Б3 | Крышка шестерен распределения в сборе | |
| 2 | 236-1002272 | Маслоотражатель крышки шестерен | |
| 3 | 8.8722 | Манжета КТТ 65x94 (Венгрия) | |
| 3 | 201-1005034-Б5 | Манжета в сборе | |
| 4 | 238Б-1002264-Д | Крышка шестерен распределения | |
| 5 | 252016-П29 | Шайба | |
| 6 | 200827-П29 | Болт | |
| 7 | 252136-П2 | Шайба 10 пружинная | |
| 8 | 7511.1001020-20 | Кронштейн передней опоры | |
| 9 | 200325-П29 | Болт | |
| 10 | 216344-П29 | Шпилька | |
| 11 | 216262-П29 | Шпилька | |
| 12 | 238АК-1002266 | Прокладка правая | |
| 13 | 236-1002258-А3 | Прокладка верхней крышки блока | |
| 14 | 236-1002255-В4 | Крышка блока верхняя в сборе | |
| 15 | 312534-П2 | Шайба замковая | |
| 16 | 250513-П29 | Гайка | |
| 17 | 236-1002283-А | Прокладка с сеткой в сборе | |
| 18 | 236-1002282-Б | Заглушка | |
| 19 | 201499-П29 | Болт 10-6gх30 | |
| 20 | 658.1002012-10 | Блок цилиндров в сборе | |
| 21 | 7511.1003016-20 | Шпилька крепления головки цилиндров L=205 мм | |
| 22 | 7511.1003017-10 | Шпилька крепления головки цилиндра L=245 мм | |
| 23 | 658.1002011-30 | Блок цилиндров в сборе | |
| 24 | 236-1005180-А | Болт стяжной короткий | |
| 25 | 7511.1111620 | Трубка отвода масла от ТНВД | |
| 26 | 310264-П29 | Болт | |
| 27 | 201-1015624 | Прокладка | |
| 28 | 200463-П29 | Болт | |
| 29 | 312515-П29 | Шайба | |
| 36 | 236-1002314-Б | Прокладка картера маховика | |
| 37 | 252137-П2 | Шайба пружинная | |
| 38 | 310044-П29 | Болт | |
| 39 | 658.1002311-20 | Картер маховика в сборе | |
| 40 | 316162-П2 | Пробка | |
| 41 | 240-1002333 | Указатель установки угла опережения впрыскивания топлива | |
| 42 | 658.1002312-20 | Картер маховика | |
| 43 | 236-1002333 | Указатель верхней мертвой точки поршня | |
| 44 | 236-1002318 | Крышка люка картера | |
| 45 | 252135-П2 | Шайба пружинная | |
| 46 | 201454-П29 | Болт М8х16 | |
| 47 | 236-1005160-А4 | Манжета в сборе | |
| 47 | 236-1005160-А5 | Манжета в сборе | |
| 47 | 236-1005160-А6 | Манжета в сборе | |
| 47 | 8.8877 | Манжета КТТ 140x170 (Венгрия) | |
| 48 | 236-1002315 | Маслоотражатель | |
| 49 | 201-1306075-А | Прокладка | |
| 50 | 236-1002404 | Заглушка | |
| 51 | 658.1002015-10 | Блок цилиндров | |
| 52 | 238H-1002015-Д2 | Блок цилиндров | |
| 52 | 236-1005178-A | Болт стяжной длинный | |
| 53 | 236-1005152-Г | Крышка заднего подшипника коленчатого вала | |
| 54 | 238-1005156 | Крышка промежуточного подшипника коленчатого вала | |
| 55 | 312304-П | Шайба | |
| 56 | 236-1005159 | Болт крышки коренного подшипника | |
| 57 | 236-1005140-B | Крышка переднего подшипника коленчатого вала | |
| 58 | 238 AK-1002265 | Прокладка левая | |
| 59 | 45 9827 0016 | Заглушка 38 | |
| 60 | 252138-П2 | Шайба пружинная | |
| 61 | 200822-П29 | Болт |
Содержащиеся в справочниках-каталогах запасные части и детали не предлагаются к продаже, а носят исключительно информационный характер