Каталог запасных частей к технике: ЯМЗ-6582.10 (Евро 3). Топливный насос высокого давления
179.1111002-20
173.1111006-0
179.1111005
173.1111006-11
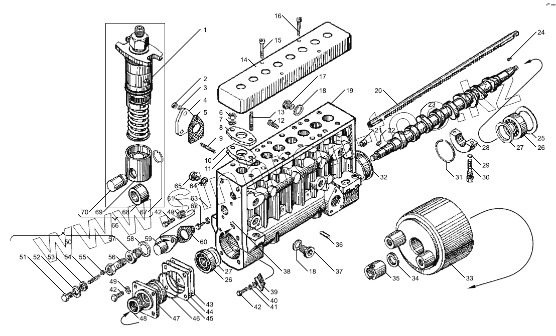
1
2
3
4
5
6
7
8
10
11
12
13
14
15
16
17
18
18
19
20
21
22
22
22
23
25
26
26
27
27
28
29
30
31
32
33
34
35
36
37
38
39
41
42
42
42
43
44
45
46
47
48
49
49
50
51
52
53
54
55
56
57
58
59
60
61
64
65
66
67
68
69
70
| Позиция на иллюстрации | Заводской номер детали | Название детали | |
|---|---|---|---|
| КДБА453621.003 | КДБА453621.003 | Модуль педальный | |
| 236-1111042-А | 236-1111042-А | Втулка рейки топливного насоса {а} | |
| 179.1111002-20 | 179.1111002-20 | Насос топливный высокого давления в сборе с топливоподкачивающим насосом, с гасителем, с электромеханическим исполнительным механизмом(ЭИМ) (ТНВД с электронной системой управления(ЭСУ) | |
| 236-1104334 | 236-1104334 | Трубка отвода топлива от плунжерных пар в сборе | |
| 310122-П29 | 310122-П29 | Болт М10х1х22 | |
| 312482-П34 | 312482-П34 | Шайба | |
| 179.3763001-20 | 179.3763001-20 | Микропроцессорный электронный блок управления с программным обеспечением | |
| ЭМП-01-30 | ЭМП-01-30 | Электромагнит поворотный с активным ротором | |
| 50.7363 | 50.7363 | Блок управления (БУ) | |
| 173.1111006-0 | 173.1111006-0 | Топливный насос высокого давления в сборе | |
| 42.1111387 | 42.1111387 | Прокладка регулировочная | |
| 333.1110312 | 333.1110312 | Ввертыш с фильтром в сборе | |
| 36.3855-20 | 36.3855-20 | Датчик положения исполнительного механизма бесконтактный | |
| 192.3828 | 192.3828 | Датчик температуры топлива ТУ 37.459.068-85 | |
| ДС-1406.3847060 | ДС-1406.3847060 | Датчик синхронизации | |
| 4573825322 | 4573825322 | Датчик температуры 233.3828 | |
| 4573827086 | 4573827086 | Датчик давления надувочного воздуха 23.3855 | |
| 179.1111005 | 179.1111005 | Топливный насос высокого давления в сборе | |
| 173.1111006-11 | 173.1111006-11 | Топливный насос высокого давления в сборе | |
| 1 | 177.1111130-01 | Секция топливного насоса в сборе | |
| 2 | 1/09024/21 | Болт М6х20 | |
| 3 | 1/05164/77 | Шайба | |
| 4 | 175.1111024 | Фланец | |
| 5 | 240-1106285 | Прокладка заглушки и фланца | |
| 6 | 1/21647/21 | Гайка М10 | |
| 7 | 1/05168/77 | Шайба 010 | |
| 8 | 17.1111375 | Фланец нажимной | |
| 10 | 42.1111385-01 | Прокладка регулировочная | |
| 11 | 42.1111386 | Прокладка регулировочная | |
| 12 | 33.1106245-10 | Винт стопорный | |
| 13 | 852301 | Шпилька | |
| 14 | 42.1111412 | Крышка защитная | |
| 15 | 42.1111414 | Винт | |
| 16 | 42.1111414-10 | Болт | |
| 17 | 17.1111032 | Ввертыш корпуса | |
| 18 | 312768-П | Шайба | |
| 19 | 136.1111021 | Корпус насоса с втулками рейки | |
| 20 | 135.1111184-02 | Рейка топливного насоса | |
| 21 | 42.1111046 | Фиксатор | |
| 22 | Шпонка 6x9 | Шпонка 6x9 ГОСТ 24071-97 | |
| 22 | 320-35001 | Шпонка 6х9 | |
| 22 | Шпонка 6x9 DIN6888 | Шпонка 6x9 DIN6888 | |
| 23 | 177.1111055 | Вал кулачковый | |
| 25 | 42.1111082 | Кольцо упорное | |
| 26 | 6-7506А | Подшипник роликовый | |
| 27 | 42.1111087 | Шайба подшипника дистанционная | |
| 28 | 42.1111063-10 | Опора кулачкового вала | |
| 29 | 2531112015 | Кольцо 007-010-19-2-1 | |
| 30 | 42.1111065 | Болт опоры кулачкового вала | |
| 31 | 42.1111163 | Кольцо пружинное | |
| 32 | 42.1111077 | Втулка подшипника | |
| 33 | 7511.1111450-10 | Гаситель крутильных колебаний топливного насоса высокого давления | |
| 34 | 312304 | Шайба | |
| 35 | 320-88337 | Гайка М20х1,5 | |
| 36 | 17.1111129 | Фиксатор толкателя | |
| 37 | 316186-П | Пробка | |
| 38 | 870770 | Штифт 6x16 | |
| 39 | 177.1111280 | Указатель ГНН первой секции | |
| 41 | 1/60432/21 | Болт М8х16 | |
| 42 | 201458-П29 | Болт М8х25 | |
| 43 | 42.1111078 | Прокладка регулировочная | |
| 44 | 42.1111079 | Прокладка регулировочная | |
| 45 | 42.1111080 | Прокладка регулировочная | |
| 46 | 25 3111 2181 | Кольцо 068-074-36-2-1 | |
| 47 | 175.1111072 | Крышка подшипника | |
| 48 | 42.1111090 | Манжета | |
| 49 | 1/05166/77 | Шайба 08 | |
| 50 | 60.1111282-01 | Клапан перепускной в сборе | |
| 51 | 318-85366 | Пробка | |
| 52 | 852205 | Шайба | |
| 53 | 852210 | Шайба | |
| 54 | 17.1111148 | Пружина | |
| 55 | 33.1111144 | Клапан | |
| 56 | 60.1111285-10 | Корпус клапана | |
| 57 | 42.1111032 | Ввертыш экранированный | |
| 58 | 312630-П | Шайба | |
| 59 | 42.1111186 | Крышка рейки | |
| 60 | 421.1110869-10 | Прокладка | |
| 61 | 312700-П29 | Шайба | |
| 64 | 852212 | Шайба | |
| 65 | 42.1111905 | Ввертыш | |
| 66 | 17.1111110 | Толкатель плунжера в сборе | |
| 67 | 17.1111115 | Кольцо стопорное | |
| 68 | 17.1111118 | Ролик толкателя | |
| 69 | 17.1111114 | Толкатель плунжера | |
| 70 | 17.1111124 | Ось ролика толкателя |
Содержащиеся в справочниках-каталогах запасные части и детали не предлагаются к продаже, а носят исключительно информационный характер