Каталог запасных частей к технике: ЯМЗ-6562.10 (Евро 3). Топливный насос высокого давления
1
3
4
5
5
5
6
7
8
9
10
11
12
13
14
15
16
17
18
19
19
19
20
22
23
23
24
24
25
26
27
28
29
30
31
32
33
34
35
36
39
39
39
40
41
42
43
44
45
46
46
47
48
49
50
51
52
53
54
56
56
57
58
61
62
63
64
65
| Позиция на иллюстрации | Заводской номер детали | Название детали | |
|---|---|---|---|
| 333.1110312 | 333.1110312 | Ввертыш с фильтром в сборе | |
| 133.1111005 | 133.1111005 | Топливный насос высокого давления в сборе | |
| 133.1111005-10 | 133.1111005-10 | Топливный насос высокого давления в сборе | |
| 236-1111042-А | 236-1111042-А | Втулка рейки топливного насоса {а} | |
| 136.1111002-10 | 136.1111002-10 | Насос топливный высокого давления в сборе с топливоподкачивающим насосом, с гасителем, с электромеханическим исполнительным механизмом(ЭИМ) (ТНВД с электронной системой управления(ЭСУ) | |
| 136.1111002-20 | 136.1111002-20 | Насос топливный высокого давления в сборе с топливоподкачивающим насосом, с гасителем, с электромеханическим исполнительным механизмом(ЭИМ) (ТНВД с электронной системой управления(ЭСУ) | |
| 136.1111002-30 | 136.1111002-30 | Насос топливный высокого давления в сборе с топливоподкачивающим насосом, с гасителем, с электромеханическим исполнительным механизмом (ЗИМ) (ТНВД с электронной системой управления(ЭСУ) | |
| 236-1104334 | 236-1104334 | Трубка отвода топлива от плунжерных пар в сборе | |
| 310122-П29 | 310122-П29 | Болт М10х1х22 | |
| 312482-П34 | 312482-П34 | Шайба | |
| 42.1111414-10 | 42.1111414-10 | Болт | |
| 1/60432/21 | 1/60432/21 | Болт М8х16 | |
| 42.1111387 | 42.1111387 | Прокладка регулировочная | |
| 136.3763001-10 | 136.3763001-10 | Микропроцессорный электронный блок управления с программным обеспечением | |
| 136.3763001-20 | 136.3763001-20 | Микропроцессорный электронный блок управления с программным обеспечением | |
| 136.3763001-30 | 136.3763001-30 | Микропроцессорный электронный блок управления с программным обеспечением | |
| ЭМП-01-30 | ЭМП-01-30 | Электромагнит поворотный с активным ротором | |
| 50.7363 | 50.7363 | Блок управления (БУ) | |
| КДБА453621.003 | КДБА453621.003 | Модуль педальный | |
| 36.3855-20 | 36.3855-20 | Датчик положения исполнительного механизма бесконтактный | |
| 192.3828 | 192.3828 | Датчик температуры топлива ТУ 37.459.068-85 | |
| ДС-1406.3847060 | ДС-1406.3847060 | Датчик синхронизации | |
| 4573825322 | 4573825322 | Датчик температуры 233.3828 | |
| 4573827086 | 4573827086 | Датчик давления надувочного воздуха 23.3855 | |
| 136.1111005 | 136.1111005 | Топливный насос высокого давления в сборе | |
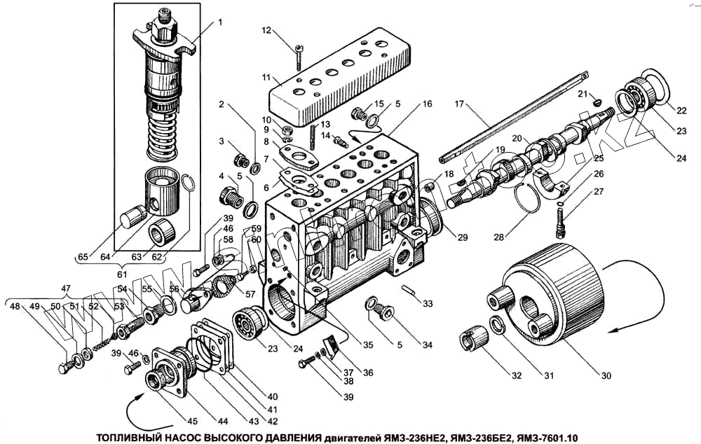
| 1 | 177.1111130-01 | Секция топливного насоса в сборе | |
| 3 | 42.1111905 | Ввертыш | |
| 4 | 116617-П29 | Ввертыш | |
| 5 | 112768-П | Шайба | |
| 6 | 42.1111386 | Прокладка регулировочная | |
| 7 | 42.1111385-01 | Прокладка регулировочная | |
| 8 | 17.1111375 | Фланец нажимной | |
| 9 | 1/05168/77 | Шайба 010 | |
| 10 | 1/21647/21 | Гайка М10 | |
| 11 | 135.1111412 | Крышка защитная | |
| 12 | 42.1111414 | Винт | |
| 13 | 852301 | Шпилька | |
| 14 | 33.1106245-10 | Винт стопорный | |
| 15 | 17.1111032-10 | Ввертыш корпуса | |
| 16 | 136.1111021 | Корпус насоса с втулками рейки | |
| 17 | 135.1111184-02 | Рейка топливного насоса | |
| 18 | 42.1111046 | Фиксатор | |
| 19 | ГОСТ24071-97 | Шпонка 6x9 | |
| 19 | 320-35001 | Шпонка 6х9 | |
| 19 | DIN6888 | Шпонка 6x9 DIN6888 | |
| 20 | 136.1111055 | Вал кулачковый | |
| 22 | 42.1111082 | Кольцо упорное | |
| 23 | 6-7506А | Подшипник роликовый | |
| 24 | 42.1111087 | Шайба подшипника дистанционная | |
| 25 | 42.1111063-10 | Опора кулачкового вала | |
| 26 | 2531112015 | Кольцо 007-010-19-2-1 | |
| 27 | 42.1111065 | Болт опоры кулачкового вала | |
| 28 | 42.1111163 | Кольцо пружинное | |
| 29 | 42.1111077 | Втулка подшипника | |
| 30 | 7511.1111450-10 | Гаситель крутильных колебаний топливного насоса высокого давления | |
| 31 | 312304-П | Шайба | |
| 32 | 320-88337 | Гайка М20х1,5 | |
| 33 | 17.1111129 | Фиксатор толкателя | |
| 34 | 116186-П | Пробка | |
| 35 | 870770 | Штифт 6x16 | |
| 36 | 177.1111280 | Указатель ГНН первой секции | |
| 39 | 201458-П29 | Болт М8х25 | |
| 40 | 42.1111078 | Прокладка регулировочная | |
| 41 | 42.1111079 | Прокладка регулировочная | |
| 42 | 42.1111080 | Прокладка регулировочная | |
| 43 | 2531112181 | Кольцо 068-074-36-2-1 | |
| 44 | 175.1111072 | Крышка подшипника | |
| 45 | 42.1111090 | Манжета | |
| 46 | 1/05166/77 | Шайба 08 | |
| 47 | 60.1111282-01 | Клапан перепускной в сборе | |
| 48 | 118-85366 | Пробка | |
| 49 | 852205 | Шайба | |
| 50 | 852210 | Шайба | |
| 51 | 17.1111148 | Пружина | |
| 52 | 37.1111144 | Клапан | |
| 53 | 60.1111285-10 | Корпус клапана | |
| 54 | 42.1111032 | Ввертыш экранированный | |
| 56 | 42.1111186 | Крышка рейки | |
| 57 | 421.1110869-10 | Прокладка | |
| 58 | 112700-П29 | Шайба | |
| 61 | 17.1111110 | Толкатель плунжера в сборе | |
| 62 | 17.1111115 | Кольцо стопорное | |
| 63 | 17.1111118 | Ролик толкателя | |
| 64 | 17.1111114 | Толкатель плунжера | |
| 65 | 17.1111124 | Ось ролика толкателя |
Содержащиеся в справочниках-каталогах запасные части и детали не предлагаются к продаже, а носят исключительно информационный характер