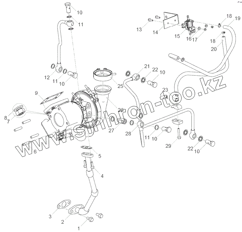
Каталог запасных частей к технике: ЯМЗ-53414. Установка турбокомпрессора 53404.1118005
1
2
3
4
5
6
7
8
9
10
10
10
10
10
11
11
11
12
13
14
15
16
17
18
18
19
20
21
22
22
23
24
25
26
27
28
29
| Позиция на иллюстрации | Заводской номер детали | Название детали | |
|---|---|---|---|
| 1 | 8.9234 | Болт М8-6gх20-8.8 | |
| 2 | 53444.1118340 | Труба слива масла | |
| 3 | 5340.1118325 | Прокладка | |
| 4 | 8.9226 | Болт М6-6gх20-8.8 | |
| 5 | 53403.1118325-10 | Прокладка | |
| 6 | 5340.1118188-10 | Шпилька М8 | |
| 7 | 5340.1118189 | Гайка М8-6Н | |
| 8 | 252005-Г29 | Шайба | |
| 9 | 5340.1118158 | Прокладка турбокомпрессора | |
| 10 | 310096-П29 | Болт | |
| 11 | 312326-П | Шайба 14 | |
| 12 | 53404.1118220 | Трубка подвода масла | |
| 13 | 8.9683 | Болт | |
| 14 | 53404.1118432 | Кронштейн клапана управления | |
| 15 | 53404.1118430 | Клапан управления перепуском | |
| 16 | 252004-П29 | Шайба | |
| 17 | 250464-П29 | Гайка | |
| 18 | 8.8859 | Хомут червячный | |
| 19 | 53404.1118438 | Рукав клапана управления | |
| 20 | 53404.1118436 | Рукав компрессора | |
| 21 | 53404.1118278 | Трубка подвода охлаждающей жидкости | |
| 22 | 8.9213 | Шайба резинометаллическая | |
| 23 | 311437 | Гайка самоконтрящаяся с шайбой в сборе М6х1 | |
| 24 | 840 1104514 | Скоба | |
| 25 | 53404.1118444 | Хомут | |
| 26 | 53404.1118010 | Турбокомпрессор | |
| 27 | 53404.1118056 | Штуцер | |
| 28 | 53404.1118280 | Трубка отвода охлаждающей жидкости | |
| 29 | 8.9229 | Болт |
Содержащиеся в справочниках-каталогах запасные части и детали не предлагаются к продаже, а носят исключительно информационный характер