Каталог запасных частей к технике: ЯМЗ-240, 240Б, 240Н, 240П. стартер
1
2
3
4
5
6
7
8
9
10
10
10
11
12
13
14
15
16
17
18
19
20
21
22
23
24
25
26
27
28
29
30
31
32
33
34
35
36
37
38
39
40
41
42
44
45
46
48
49
50
51
52
53
54
55
56
57
58
58
58
58
59
60
61
62
63
64
65
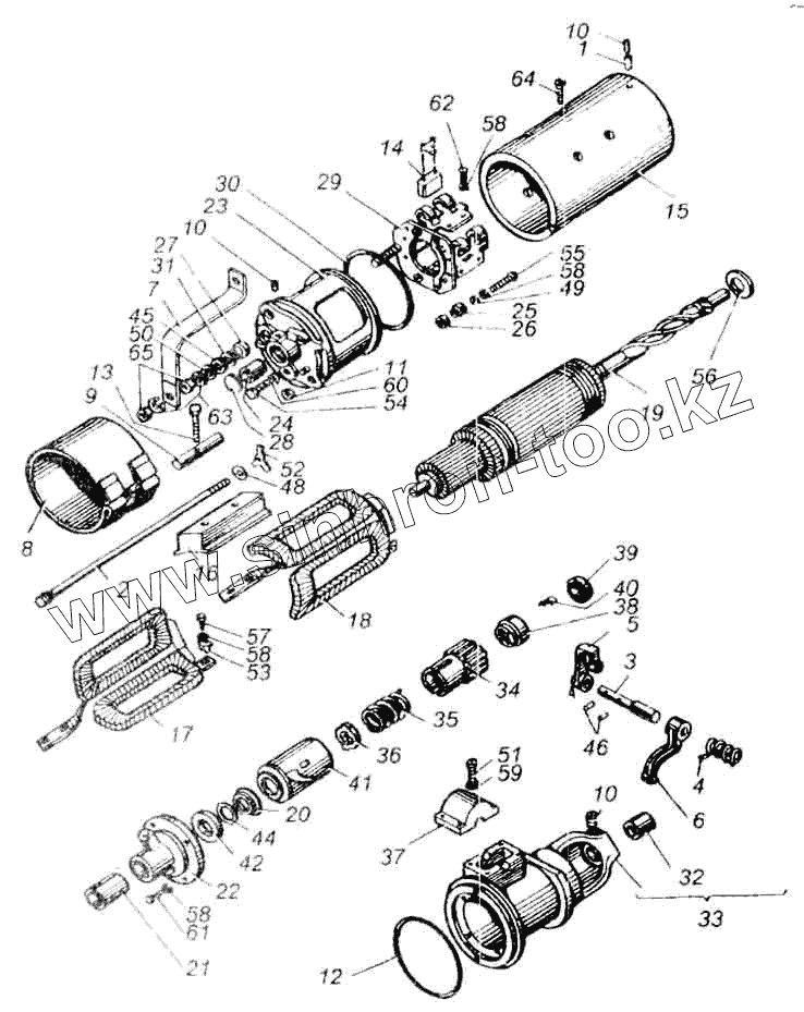
| Позиция на иллюстрации | Заводской номер детали | Название детали | |
|---|---|---|---|
| 1 | СТ26-3708002 | Трубка | |
| 2 | СТ103-3708003 | Шпилька стяжная | |
| 3 | СТ26-3708021 | Ось | |
| 4 | СТ103-3708023 | Пружина | |
| 5 | СТ25-3708024 | Тяга | |
| 6 | СТ26-3708026 | Рычаг | |
| 7 | СТ103-3708031 | Шина | |
| 8 | СТ103А-3708040 | Лента с прокладкой | |
| 9 | СТ103А-3708042 | Палец | |
| 10 | СТ103А-3708043 | Пробка | |
| 11 | СТ103А-3708045 | Шайба уплотнительная | |
| 12 | СТ103А-3708046 | Кольцо уплотнительное | |
| 13 | СТ103А-3708047 | Винт | |
| 14 | СТ26-3708050-Б | Щетка | |
| 15 | СТ103А-3708101 | Корпус | |
| 16 | СТ103-3708102 | Полюс | |
| 17 | СТ103-3708120 | Катушка в сборе | |
| 18 | СТ103-3708150 | Катушка в сборе | |
| 19 | СТ103-3708200-А | Якорь | |
| 20 | СТ25-3708207 | Шайба | |
| 21 | СТ103А-3708262 | Подшипник | |
| 22 | СТ103А-3708264 | Держатель | |
| 23 | СТ103А-3708301 | Крышка | |
| 24 | СТ26-3708302 | Вкладыш | |
| 25 | СТ 103-3708306 | Втулка | |
| 26 | СТ 103-3708308 | Втулка | |
| 27 | СТ 103-3708309 | Втулка | |
| 28 | СТ26-3708318 | Заглушка | |
| 29 | СТ103 3708330-01 | Траверса | |
| 30 | СТ103А-3708338 | Кольцо уплотнительное | |
| 31 | СТ103А-3708339 | Шайба уплотнительная | |
| 32 | СТ25-3708402 | Подшипник | |
| 33 | СТ103А-3708410 | Крышка | |
| 34 | СТ25-3708601-А | Шестерня | |
| 35 | СТ103А-3708602 | Пружина | |
| 36 | СТ103А-3708603 | Поводок | |
| 37 | СТ25-3708605 | Крышка | |
| 38 | СТ103-3708606 | Кольцо | |
| 39 | СТ1033706607 | Чашка | |
| 40 | СТ103-3708608 | Сухарь | |
| 41 | СТ25-3708610 | Барабан | |
| 42 | М67.26.15 030 | Манжета | |
| 43 | 1-МЮ-37 | Шайба | |
| 44 | МХ-0021 | Шайба | |
| 45 | МХ-0037 | Шайба | |
| 46 | МХ-0120 | Штифт | |
| 47 | МХ-0121 | Шайба | |
| 48 | МХ-0142 | Шайба | |
| 49 | МХ-0276 | Шайба | |
| 50 | МХ-0825 | Шайба | |
| 51 | МХ-0905 | Винт | |
| 52 | МХ-0954 | Шайба замковая | |
| 53 | МХ-1032 | Шайба | |
| 54 | МХ-1071 | Болт | |
| 55 | МХ-1073 | Винт | |
| 56 | МХ-1087 | Шайба | |
| 57 | МХ-1104 | Болт | |
| 58 | Х-1482 | Шайба пружинная | |
| 59 | Х-4001 | Шайба пружинная | |
| 60 | Х-4069 | Шайба | |
| 61 | Х-4111 | Болт | |
| 62 | 7Х-4196 | Винт | |
| 63 | 7Х-4289 | Шайба пружинная | |
| 64 | Х1-11-58 | Винт | |
| 65 | Х2-9309 | Гайка |
Содержащиеся в справочниках-каталогах запасные части и детали не предлагаются к продаже, а носят исключительно информационный характер