Вернуться на главную
Поиск
Каталоги запчастей к технике
Двигатели
ЯМЗ
ЯМЗ-240, 240Б, 240Н, 240П
Генератор двигателя ЯМЗ-240Б
Каталог запасных частей к технике: ЯМЗ-240, 240Б, 240Н, 240П. Генератор двигателя ЯМЗ-240Б
zoom-in
zoom-out
enlarge
shrink
circle-right
circle-left
file-text2
info
cart
Тип техники
Не выбрано
Легковые автомобили
Грузовые автомобили и прицепы
Автобусы
Сельхозтехника
Спецтехника
Двигатели
Мототехника
Марка
Не выбрано
BAW
Caterpillar
Cummins
DCEC
DongFeng
Doosan
FAW
Great Wall
Hitachi
HOWO
HSW
IVECO
Komatsu
LGMG
Perkins
Raywin
SDEC
Shaanxi
Valmet
Weichai
XINCHAI
YTO
Yuchai
ZF
Алтайдизель
Барнаултрансмаш
ВТЗ
ГАЗ
ЗиД
ЗМЗ
Камский автозавод
ММЗ
СМД
ТМЗ
УМЗ
ЧТЗ
ЮМЗ
ЯЗДА
ЯМЗ
Модель
Не выбрано
Общий (см. мод-ции)
ТНВД-323, 324, 327 (2002)
ЯМЗ-236 ДК и ЯМЗ 238 АК (2002)
ЯМЗ-236 М
ЯМЗ-236 М2 и 238 М2
ЯМЗ-236 НЕ, 236 БЕ, 7601.10 (2003)
ЯМЗ-236, -238, -238НБ (2010)
ЯМЗ-236М2 (2014)
ЯМЗ-238 АК
ЯМЗ-238 АМ
ЯМЗ-238 ГМ
ЯМЗ-238 ИМ
ЯМЗ-238 Л
ЯМЗ-238 М
ЯМЗ-238 Н
ЯМЗ-238 НД
ЯМЗ-238 ПМ и 238 ФМ
ЯМЗ-238БЕ (Каталог 2004 года)
ЯМЗ-238Д и Б (2002)
ЯМЗ-238М2 (2015)
ЯМЗ-238НД3, НД4, НД5 (2002)
ЯМЗ-240 (1998)
ЯМЗ-240 (2000)
ЯМЗ-240 (2014)
ЯМЗ-240, 240Б, 240Н, 240П (1998)
ЯМЗ-534
ЯМЗ-53402 (2012)
ЯМЗ-5341-10, 5342, 5344 (2012)
ЯМЗ-53414
ЯМЗ-53424
ЯМЗ-5344 Евро 4 (2015)
ЯМЗ-5344-10, 53442 (2012)
ЯМЗ-53443 (2016)
ЯМЗ-5347-10, 53472 (2012)
ЯМЗ-536 (2012)
ЯМЗ-536-10 (2012)
ЯМЗ-536-100 (2014)
ЯМЗ-536-40, 5362 (2012)
ЯМЗ-650.10 (Евро 3) (Каталог 2009 года)
ЯМЗ-650.10 (Евро 3-4) (Каталог 2012 года)
ЯМЗ-6561.10 (Евро 3) (2007)
ЯМЗ-6562.10 (Евро 3) (2007)
ЯМЗ-6562.10, 6563.10 (Евро 3) (2010)
ЯМЗ-6563.10 (Евро 3) (2007)
ЯМЗ-65652 (65654) (Евро 4) (2015)
ЯМЗ-6581.10 (Евро 3) (2007)
ЯМЗ-6581.10, 6582.10 (Евро 3) (2010)
ЯМЗ-6582.10 (Евро 3) (2008)
ЯМЗ-6583.10 (Евро 3) (2007)
ЯМЗ-6585 (для МАЗ) (2015)
ЯМЗ-7511 (2005)
ЯМЗ-7511 (2005) (2005)
ЯМЗ-7511.10 (2014)
ЯМЗ-8401
ЯМЗ-8401.10
ЯМЗ-8421.10
ЯМЗ-8423
ЯМЗ-8423.10
ЯМЗ-850 (2001)
ЯМЗ-850.10 (2011)
Схема
>
Не выбрано
Двигатели ЯМЗ-240, ЯМЗ-240Б, ЯМЗ-240Н, ЯМЗ-240П
Блок цилиндров
Картер маховика
Головка блока цилиндров двигателей ЯМЗ-240, ЯМЗ-240Б
Головка блока цилиндров двигателей ЯМЗ-240Н, ЯМЗ-240П
Поршень и шатун двигателей ЯМЗ-240, ЯМЗ-240Б
Поршень и шатун двигателей ЯМЗ-240Н, ЯМЗ-240П
Вал коленчатый
Маховик и механизм поворота коленчатого вала
Вал распределительный
Клапаны и толкатели
Газопровод двигателей ЯМЗ-240, ЯМЗ-240Б
Газопровод двигателей ЯМЗ-240Н, ЯМЗ-240П
Поддон блока цилиндров
Насос масляный двигателей ЯМЗ-240, ЯМЗ-240Б
Насос масляный двигателей ЯМЗ-240Н, ЯМЗ-240П
Вентиляция картера
Фильтр масляный
Трубки подвода масла к турбокомпрессорам двигателей ЯМЗ-240,ЯМЗ-240Б
Насос маслозакачивающий
Подогреватель электрофакельный двигателей ЯМЗ-240Н, ЯМЗ-240П
Маслоочиститель центробежный
Привод агрегатов
Привод вспомогательных агрегатов
Топливопроводы двигателей ЯМЗ-240, ЯМЗ-240Б
Топливопроводы двигателей ЯМЗ-240Н, ЯМЗ-240П
Фильтр грубой очистки топлива
Насосы топливоподкачивающие
Фильтр воздушный двигателя ЯМЗ-240
Насос топливный высокого давления с регулятором и муфтой опережения впрыска топлива
Регулятор частоты вращения
Насос топливный высокого давления
Форсунка
Трубопроводы впускные двигателя ЯМЗ-240
Трубопроводы впускные двигателя ЯМЗ-240Б
Трубопроводы впускные двигателя ЯМЗ-240Н, ЯМЗ-240П
Фильтр тонкой очистки топлива
Турбокомпрессоры двигателей ЯМЗ-240Н, ЯМЗ-240П
Муфта опережения впрыска
Трубы водяные двигателя ЯМЗ-240
Трубы водяные двигателя ЯМЗ-240Б
Трубы водяные двигателей ЯМЗ-240Н, ЯМЗ-240П
Кран сливной двигателей ЯМЗ-240, ЯМЗ-240Н, ЯМЗ-240П
Насос водяной
Приспособление натяжное ремня вентилятора двигателя ЯМЗ-240Б
Привод вентилятора двигателя ЯМЗ-240Б
Включатель гидромуфты привода вентилятора двигателя ЯМЗ-240Б
Генератор двигателей ЯМЗ-240, ЯМЗ-240Н, ЯМЗ-240П
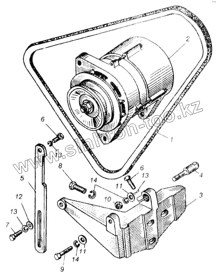
Генератор двигателя ЯМЗ-240Б
Стартер в сборе
стартер
Реле стартера
Датчик тахометра двигателей ЯМЗ-240, ЯМЗ-240Н, ЯМЗ-240П
Инструмент шоферский
1
2
3
4
5
6
6
7
8
9
10
11
11
12
13
13
13
14
14
Позиция на иллюстрации
Заводской номер детали
Название детали
1
240Б-1303020
Ремень
2
Г 287Д-3701000
Генератор
3
240Б-3701774-Б
Кронштейн крепления генератора
4
238-3701780
Палец крепления генератора
5
240Б-3701790-Б
Планка натяжная генератора
6
201456-П29
Болт М8-6gх20
7
201458-П29
Болт М8х25
8
201499-П29
Болт 10-6gх30
9
201505-П29
Болт М10х45
10
250512-П29
Гайка
11
252006-П29
Шайба плоская
12
252038-П29
Шайба
13
252135-П2
Шайба пружинная
14
252136-П2
Шайба 10 пружинная
Содержащиеся в справочниках-каталогах запасные части и детали не предлагаются к продаже, а носят исключительно информационный характер
Дополнительная информация
×
Название:
Номер:
Примечание: