Каталог запасных частей к технике: ЯМЗ-240. Трубопроводы системы охлаждения ЯМЗ-240БМ2
1
2
2
3
3
4
4
4
4
4
4
5
5
6
6
7
7
7
7
7
8
9
10
11
12
13
14
15
16
17
18
18
18
18
19
19
19
19
20
20
21
22
23
24
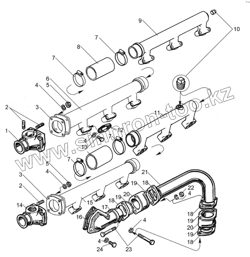
| Позиция на иллюстрации | Заводской номер детали | Название детали | |
|---|---|---|---|
| 240-1303108-В | 240-1303108-В | Труба водяная задняя правая в сборе | |
| 240-1303110-В | 240-1303110-В | Труба водяная задняя левая в сборе | |
| 1 | 240Б-1303178 | Коробка водяная правая | |
| 2 | 216235-П29 | Шпилька | |
| 3 | 236-1306054-А | Прокладка | |
| 4 | 252135-П2 | Шайба пружинная | |
| 5 | 250511-П29 | Гайка | |
| 6 | 240-1303104-В | Труба водяная передняя правая | |
| 6 | 240-1303105-В | Труба водяная передняя левая | |
| 7 | 8.8389 | Хомут червячный ABA58-75-C7/12-W1 | |
| 7 | 8.8387 | Хомут червячный TORRO S50-70/12C7-W1 | |
| 8 | 240-1303014-А | Рукав соединительный | |
| 9 | 240-1303112-В | Труба водяная задняя правая | |
| 10 | 316169-П2 | Пробка К3/8" | |
| 11 | 240-1303114-В | Труба водяная задняя левая | |
| 12 | 240-1303268 | Прокладка | |
| 13 | 201466-П29 | Болт М8х45 | |
| 14 | 240Б-1303184 | Коробка водяная левая | |
| 15 | 240-1303105-В | Труба водяная передняя левая | |
| 16 | 240-1002504-Б | Прокладка | |
| 17 | 240-1303166-Б | Патрубок подводящей трубы в сборе | |
| 18 | 240-1303016 | Фланец соединительный муфты | |
| 19 | 240-1303018 | Кольцо уплотнительное | |
| 20 | 240-1303012 | Муфта соединительная | |
| 21 | 240-1303152-Б | Труба подводящая | |
| 22 | 250510-П29 | Гайка | |
| 23 | 200274-П29 | Болт М8х75 | |
| 24 | 201458-П29 | Болт М8х25 |
Содержащиеся в справочниках-каталогах запасные части и детали не предлагаются к продаже, а носят исключительно информационный характер