Каталог запасных частей к технике: ЯМЗ-240. Реглятор частоты вращения
1
2
3
4
5
5
5
5
6
7
8
9
10
10
11
12
13
13
13
14
14
14
14
14
14
15
16
16
17
18
19
20
21
21
22
23
23
24
25
25
26
27
28
29
30
31
32
33
34
35
35
36
36
37
38
39
40
41
42
43
44
45
46
47
48
49
50
51
52
53
54
55
56
56
57
57
58
59
60
61
62
63
64
65
66
67
67
68
69
70
71
72
73
74
74
75
76
77
78
79
80
81
82
83
84
85
86
87
87
88
89
90
91
92
93
94
95
96
97
98
99
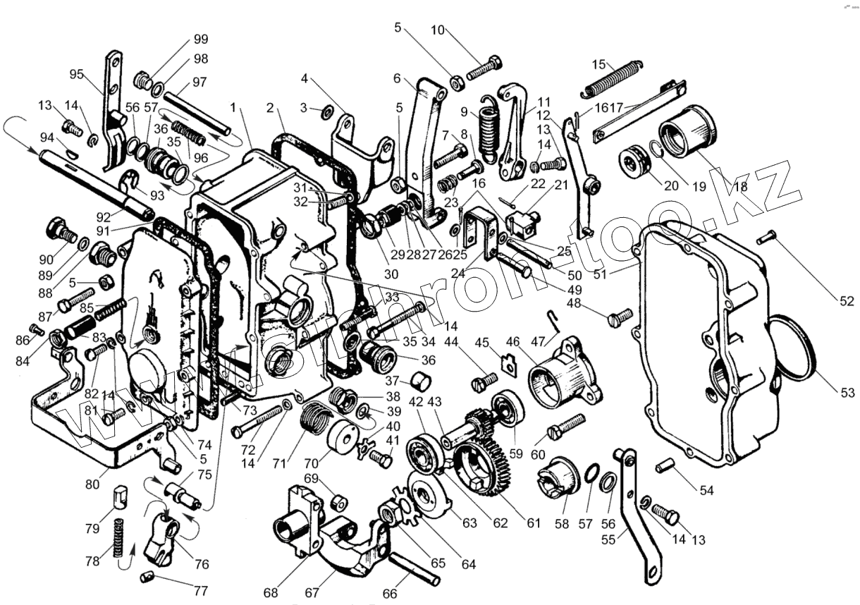
| Позиция на иллюстрации | Заводской номер детали | Название детали | |
|---|---|---|---|
| 423.1110404 | 423.1110404 | Рычаг регулятора в сборе | |
| 801.1110404-21 | 801.1110404-21 | Рычаг регулятора в сборе | |
| 902.1110404-10 | 902.1110404-10 | Рычаг регулятора в сборе | |
| 60.1110060-02 | 60.1110060-02 | Муфта грузов в сборе | |
| 236-1110020-Е | 236-1110020-Е | Корпус регулятора в сборе | |
| 236-1110040-А | 236-1110040-А | Державка грузов со стаканом в сборе | |
| 236-1110040-А2 | 236-1110040-А2 | Державка грузов со стаканом в сборе | |
| 1 | 60.1110129 | Крышка регулятора | |
| 2 | 236-1110154-А2 | Прокладка крышки регулятора | |
| 3 | 312700 | Шайба | |
| 4 | 60.1110080 | Рычаг двуплечий | |
| 5 | 1/58962/11 | Гайка М6 | |
| 6 | 238НБ-1110406-А2 | Рычаг регулятора | |
| 7 | 852350 | Винт регулировочный | |
| 8 | 423.1110412 | Корректор | |
| 9 | 90.1110462 | Пружина регулятора | |
| 10 | 852003 | Болт регулировочный | |
| 10 | 852005 | Болт регулировочный | |
| 11 | 236-1110466 | Рычаг пружины | |
| 12 | 60.111443-01 | Рычаг рейки | |
| 13 | 1/09021/21 | Болт М6х14 | |
| 14 | 1/05164/77 | Шайба | |
| 15 | 236-1110448 | Пружина рычага рейки | |
| 16 | 1/07342/01 | Шплинт 2х15 | |
| 17 | 236-1110454 | Тяга рейки с планкой в сборе | |
| 18 | 60.1110062-02 | Муфта грузов | |
| 19 | 236-1110067 | Кольцо пружинное | |
| 20 | 46 1611 0211 | Шарикоподшипник 8102 | |
| 21 | 60.1110065 | Пята упорная | |
| 21 | 236-1110065-Б | Пята упорная | |
| 22 | 1/07342/01 | Шплинт 2х15 | |
| 23 | 421.1110414 | Пружина корректора | |
| 23 | 240Б-1110414-Б | Пружина корректора | |
| 24 | 236-1110433 | Серьга регулятора | |
| 25 | 312370-П15 | Шайба | |
| 26 | 236-1110140 | Шайба регулировочная | |
| 27 | 236-1110141 | Шайба регулировочная | |
| 28 | 312652-П15 | Шайба регулировочная | |
| 29 | 240Б-1110416 | Корпус пружины корректора | |
| 30 | 870519-П15 | Гайка М16 | |
| 31 | 250511-П15 | Гайка | |
| 32 | 852364 | Винт | |
| 33 | 852357-П29 | Винт | |
| 34 | 310612-П15 | Винт | |
| 35 | 236-1106380 | Кольцо уплотнительное | |
| 36 | 236-1110476-Б | Втулка вала рычага пружины | |
| 37 | 313955 | Заглушка | |
| 38 | 236-1110134-Б | Ввертыш оси кулисы | |
| 39 | 236-1110394 | Кольцо уплотнительное в сборе | |
| 40 | 1/05164/77 | Шайба | |
| 41 | 1/09021/21 | Болт М6х14 | |
| 42 | 46 1212 1152 | Шарикоподшипник 202А | |
| 43 | 236-1110051-В | Валик державки грузов | |
| 44 | 310139-П15 | Болт | |
| 45 | 312529-П15 | Шайба стопорная | |
| 46 | 236-1110558-В | Стакан подшипников валика державки | |
| 47 | 236-1110042 | Стопор пружинный | |
| 48 | 45 7142 9588 | Винт крепления корпуса регулятора | |
| 49 | 320.88902 | Палец | |
| 50 | 236-1110066 | Ось пяты упорной | |
| 51 | 805/1110022-10 | Корпус регулятора | |
| 52 | 260003 | Палец пружины рычага рейки | |
| 53 | 236-1111196 | Кольцо уплотнительное | |
| 54 | 870770 | Штифт 6x16 | |
| 55 | 240Б-1110151 | Рычаг управления | |
| 56 | 312347 | Шайба | |
| 57 | 236-1110482 | Кольцо уплотнительное | |
| 58 | 236-1110518-Б | Втулка ведущей шестерни | |
| 59 | 46 1212 0838 | Подшипник 200 | |
| 60 | 01-7002-2840 | Винт М8х20 | |
| 61 | 236-11100516-БЗ | Шестерня регулятора ведущая | |
| 62 | 236-11100517-Б2 | Сухарь шестерни | |
| 63 | 236-11100521 | Фланец втулки шестерни | |
| 64 | 312556 | Шайба | |
| 65 | 1/07913/11 | Гайка М14х1,5 | |
| 66 | 236-1110049 | Ось груза регулятора | |
| 67 | 240-1110045 | Груз регулятора в сборе | |
| 67 | 236-1110045 | Груз регулятора в сборе | |
| 68 | 236-1110046-Б | Державка грузов | |
| 69 | 236-1110532 | Ролик груза регулятора | |
| 70 | 236-1110398 | Крышка возвратной пружины | |
| 71 | 236-1110396 | Пружина скобы кулисы возвратная | |
| 72 | 852381-П29 | Винт крепления крышки регулятора | |
| 73 | 236-1110200 | Винт регулировочный | |
| 74 | 805.1110498 | Крышка смотрового люка | |
| 74 | 60.1110498-01 | Крышка смотрового люка | |
| 75 | 236-1110136-Б | Ось кулисы | |
| 76 | 60.1110132 | Кулиса | |
| 77 | 60.1110220-02 | Ползун кулисы | |
| 78 | 175.1110227 | Пружина фиксатора | |
| 79 | 236-1110372-Б | Фиксатор кулисы | |
| 80 | 60.1110380 | Скоба кулисы в сборе | |
| 81 | 310611-П15 | Винт | |
| 82 | 852380-П29 | Винт крепления крышки люка | |
| 83 | 60.1110492-30 | Корпус буферной пружины | |
| 84 | 2108-1602254 | Гайка | |
| 85 | 236-1110490 | Пружина буферная | |
| 86 | 1/09775/11 | Болт | |
| 87 | 852003-П29 | Болт | |
| 87 | 310142-П15 | Болт регулировочный | |
| 88 | 236-11100392 | Ввертыш оси скобы | |
| 89 | 852204 | Шайба | |
| 90 | 236-1110390 | Ось скобы | |
| 91 | 236-1110499-А4 | Прокладка крышки смотрового люка | |
| 92 | 60.1110467-30 | Вал рычага пружины | |
| 93 | 236-1110471 | Кольцо пружинное упорное | |
| 94 | 314003-П | Шпонка сегментная | |
| 95 | 236-1110151 | Рычаг управления регулятором | |
| 96 | 236-1110089 | Пружина компенсационная | |
| 97 | 236-1110088 | Ось рычагов | |
| 98 | 312446-П | Шайба | |
| 99 | 320.31018 | Пробка |
Содержащиеся в справочниках-каталогах запасные части и детали не предлагаются к продаже, а носят исключительно информационный характер