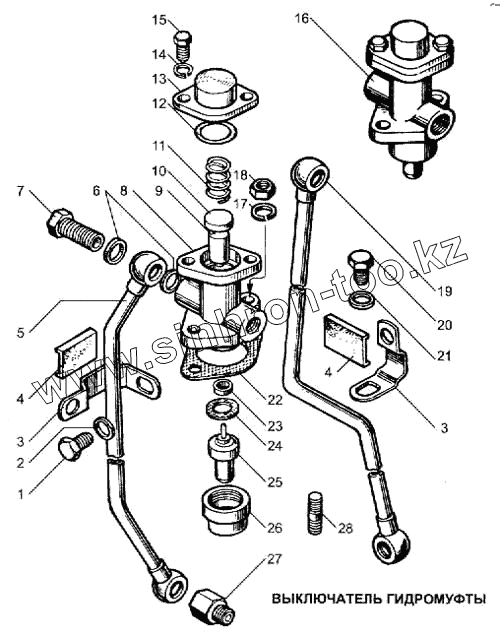
Каталог запасных частей к технике: ЯМЗ-240. Выключатель гидромуфты
1
2
3
3
4
4
5
6
7
8
9
10
11
12
13
14
15
16
17
18
19
20
21
22
23
24
25
26
27
28
| Позиция на иллюстрации | Заводской номер детали | Название детали | |
|---|---|---|---|
| 1 | 201534-П29 | Болт М12х16 | |
| 2 | 252007-П2 | Шайба | |
| 3 | 315493-П34 | Кляммер | |
| 4 | 240Б-1318124 | Прокладка трубки | |
| 5 | 240БМ-1318110 | Трубка подводящая включателя гидромуфты в сборе | |
| 6 | 312326-П34 | Шайба уплотнительная | |
| 7 | 310096-П2 | Болт специальный М14х1,5х30 | |
| 8 | 240Б-1318214-А | Корпус включателя | |
| 9 | 240Б-1318225-В | Золотник включателя | |
| 10 | 240Б-1318228 | Шайба возвратной пружины | |
| 11 | 240Б-1318230-Б | Пружина возвратная золотника | |
| 12 | 236-1702216 | Кольцо уплотнительное | |
| 13 | 240Б-1318334 | Крышка корпуса включателя | |
| 14 | 252154-П2 | Шайба пружинная | |
| 15 | 201418-П29 | Болт М6х16 | |
| 16 | 240Б-1318210-А2 | Включатель гидромуфты в сборе | |
| 17 | 252135-П2 | Шайба пружинная | |
| 18 | 250511-П29 | Гайка | |
| 19 | 240БМ-1318120 | Трубка отводящая в сборе | |
| 20 | 201493-П29 | Болт М10 | |
| 21 | 252006-П29 | Шайба плоская | |
| 22 | 240Б-1318218 | Прокладка | |
| 23 | 240-1305036 | Кольцо уплотнительное | |
| 24 | 312472-П | Шайба | |
| 25 | ТС103-1306090-10 | Термосиловой датчик в сборе | |
| 26 | 240Б-1318250-Б | Гайка крепления термосилового датчика | |
| 27 | 314684-П29 | Штуцер К1/4" | |
| 28 | 216235-П29 | Шпилька |
Содержащиеся в справочниках-каталогах запасные части и детали не предлагаются к продаже, а носят исключительно информационный характер