Каталог запасных частей к технике: ЯМЗ-240. Маслоподкачивающий насос
1
2
3
4
4
4
4
4
4
5
6
7
8
9
10
11
12
12
12
12
13
14
14
14
14
15
15
15
16
17
17
18
18
19
19
20
21
21
22
22
23
24
24
25
26
27
28
29
30
31
32
33
34
35
36
37
38
39
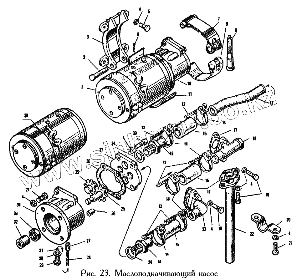
| Позиция на иллюстрации | Заводской номер детали | Название детали | |
|---|---|---|---|
| 1 | 240-1021009-А | Насос маслозакащивающий в сборе с электродвигателем | |
| 2 | 317841-П29 | Палец | |
| 3 | 240-1021080 | Кронштейн крепления насоса (Сталь) | |
| 4 | 252135-П2 | Шайба пружинная | |
| 5 | 201457-П29 | Болт М8х22 | |
| 6 | 258039-П29 | Шплинт | |
| 7 | 240-1021019-А | Хомут верхний (Сталь) | |
| 8 | 240-1021020-А | Хомут нижний (Сталь) | |
| 9 | 236-3708720 | Болт стяжной | |
| 10 | 240-1021012-А | Насос маслозакащивающий в сборе | |
| 11 | 240-1021316 | Прокладка (Резина) | |
| 12 | 297575-П29 | Шплинт | |
| 13 | 240-1021103 | Труба отводящая (Сталь) | |
| 14 | 316215-П | Хомут в сборе | |
| 15 | 240-1021084 | Рукав (Резина) | |
| 16 | 240-1021112 | Штуцер (Сталь) | |
| 17 | 236-1011358-А | Прокладка фланца | |
| 18 | 240-1021044-А | Клапан запорный | |
| 19 | 201458-П29 | Болт М8х25 | |
| 20 | 240Б-1021114 | Скоба (Сталь) | |
| 21 | 201456-П2 | Болт М8х20 | |
| 22 | 240Б-1021104 | Труба всасывающая (Сталь) | |
| 22 | 240-1021104 | Труба всасывающая (сталь) | |
| 23 | 240-1021064-А | Фланец угловой (Цинковый сплав) | |
| 24 | 312475-П34 | Шайба | |
| 25 | 240-1021030 | Шестерня ведущая (Сталь) | |
| 26 | 206В-1011037 | Втулка установочная | |
| 27 | 236М-1106564 | Плунжер клапана (Сталь) | |
| 28 | 240-1021083 | Пружина клапана (Сталь) | |
| 29 | 204АТ-1106746-Б | Пробка клапана (Сталь) | |
| 30 | 312310-П34 | Шайба | |
| 31 | 312631-П2 | Шайба регулировочная (Сталь) | |
| 32 | 240-1021070 | Муфта шлицевая с кольцом в сборе (Сталь) | |
| 33 | 240-1021090 | Манжета (Резина) | |
| 34 | 240-1021025-Б2 | Корпус насоса (Чугун) | |
| 35 | 240-1021034 | Шестерня ведомая (Сталь) | |
| 36 | 240-1021039-Б3 | Прокладка (Алюминий) | |
| 37 | 240-1021028 | Крышка насоса (Чугун) | |
| 38 | МН-1 | Электродвигатель | |
| 39 | 201462-П29 | Болт М8х35 |
Содержащиеся в справочниках-каталогах запасные части и детали не предлагаются к продаже, а носят исключительно информационный характер