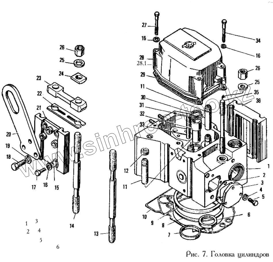
Каталог запасных частей к технике: ЯМЗ-240. Головка цилиндров
1
2
3
4
5
6
7
8
9
10
11
11
12
13
14
15
16
16
16
17
18
19
20
21
22
23
24
25
25
26
26
27
28
28
29
30
31
32
33
34
35
36
| Позиция на иллюстрации | Заводской номер детали | Название детали | |
|---|---|---|---|
| 1 | 240-1003013-Е | Головка цилиндра | |
| 2 | 240-1003340-В | Прокладка боковой крышки | |
| 3 | 240-100336-В | Боковая крышка (Алюминевый сплав) | |
| 4 | 252135-П2 | Шайба пружинная | |
| 5 | 201457-П29 | Болт М8х22 | |
| 6 | 236-1003110-В3 | Седло выпускного клапана | |
| 7 | 240-1003213-Б | Седло впускного клапана (Чугун) | |
| 8 | 240-1003212-Б | Прокладка | |
| 9 | 240-1003029-Б | Кольцо уплотнительное | |
| 10 | 240-1003162-Б | Прокладка уплатнительная головки цилиндра | |
| 11 | 236-1007032-Б | Втулка клапана направляющая | |
| 12 | 236-1007262 | Манжета уплотнительная впускного клапана в сборе | |
| 13 | 240-1003031 | Шпилька крепления головки цлилиндров | |
| 14 | 240-1003019 | Шпилька крепления головки цилиндра | |
| 15 | 240-1003477 | Втулка | |
| 16 | 252005-П29 | Шайба плоская | |
| 17 | 201458-П29 | Болт М8х25 | |
| 18 | 201563-П29 | Болт М12х30 | |
| 19 | 252137-П2 | Шайба пружинная | |
| 20 | 240-1003330 | Рым | |
| 21 | 240-1003475 | Проставка боковая | |
| 22 | 240-1003476 | Пластина нижняя | |
| 23 | 240-1003473-Б | Траверса | |
| 24 | 240-1003470-Б | Накладка | |
| 25 | 312315-П2 | Шайба | |
| 26 | 311445-П5 | Гайка М8х1,5 | |
| 27 | 200274-П29 | Болт М8х75 | |
| 28 | 240-1003264-Б2 | Крышка головки цилиндра | |
| 28 | 240-1003265-Б2 | Крышка головки цилиндра (Алюминиевый сплав) | |
| 29 | 240-1003270-Б | Прокладка крышки | |
| 30 | 236-1003114-Г | Кольцо стакана форсунки уплотнительное | |
| 31 | 236-1003115 | Кольцо запорное | |
| 32 | 236-1003112-Г | Стакан форсунки | |
| 33 | 310462-П | Шпилька крепления стойки оси коромысел и скобы форсунки | |
| 34 | 310072-П29 | Болт М8х75 | |
| 35 | 240-1003017 | Шпилька крепления головки цилиндра | |
| 36 | 240-1003474 | Проставка |
Содержащиеся в справочниках-каталогах запасные части и детали не предлагаются к продаже, а носят исключительно информационный характер