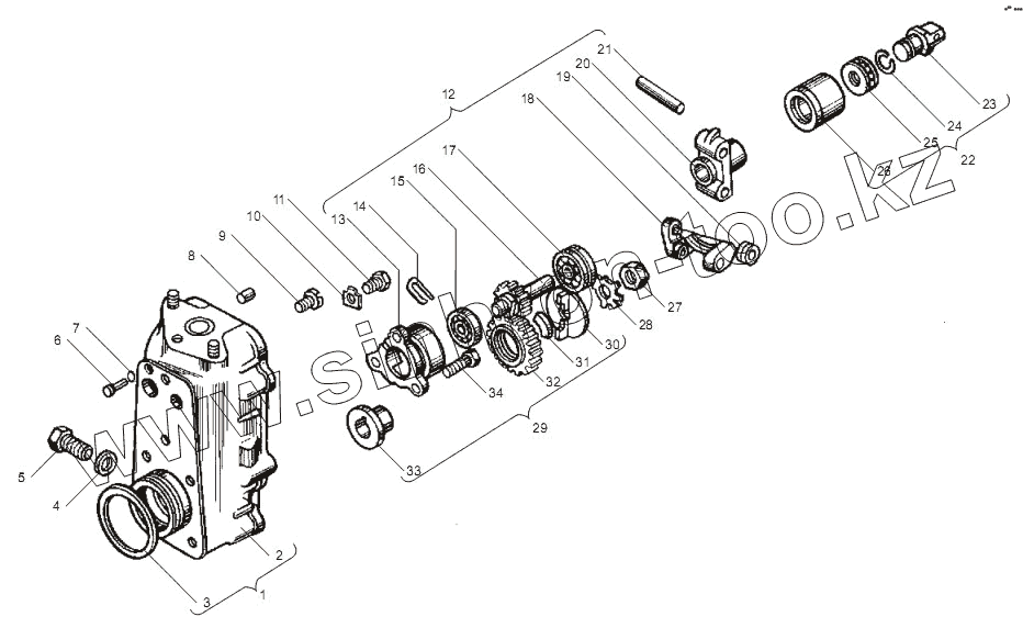
Каталог запасных частей к технике: ЯМЗ-238НД3, НД4, НД5. Корпус регулятора частоты вращения
1
1
2
2
3
4
5
6
7
8
9
10
11
12
13
14
15
16
17
18
19
20
21
22
23
24
25
26
27
28
29
30
31
32
33
34
| Позиция на иллюстрации | Заводской номер детали | Название детали | |
|---|---|---|---|
| 1 | 807.1110020 | Корпус регулятора в сборе | |
| 1 | 805.1110020 | Корпус регулятора в сборе | |
| 2 | 807.1110022 | Корпус регулятора | |
| 2 | 805.1110022 | Корпус регулятора | |
| 3 | 236-1111196 | Кольцо уплотнительное | |
| 4 | 312630-П | Шайба | |
| 5 | 236-1111032 | Ввертыш корпуса | |
| 6 | 260003-П15 | Палец | |
| 7 | 25 31113013 | Кольцо 005-008-19-2-2 | |
| 8 | 258639-П15 | Штифт | |
| 9 | 311200-П29 | Винт | |
| 10 | 312529-П15 | Шайба стопорная | |
| 11 | 310139-П15 | Болт | |
| 12 | 236-1110040-А2 | Державка грузов со стаканом в сборе | |
| 13 | 236-1110558-В | Стакан подшипников валика державки | |
| 14 | 236-1110042 | Стопор пружинный | |
| 15 | 461212 0838 | Подшипник 200 | |
| 16 | 236-1110051-В | Валик державки грузов | |
| 17 | 46 12121092 | Подшипник 202 | |
| 18 | 236-1110045 | Груз регулятора в сборе | |
| 19 | 236-1110532 | Ролик груза регулятора | |
| 20 | 236-1110046-Б | Державка грузов | |
| 21 | 236-1110049 | Ось груза регулятора | |
| 22 | 236-1110060-A3 | Муфта грузов в сборе | |
| 23 | 236-1110065-Б | Пята упорная | |
| 24 | 236-1110067 | Кольцо пружинное | |
| 25 | 4616110211 | Подшипник 8102 | |
| 26 | 60.1110062-02 | Муфта грузов | |
| 27 | 250634-П15 | Гайка | |
| 28 | 312556-П15 | Шайба стопорная | |
| 29 | 236-1110512 | Демпфер | |
| 30 | 236-1110521 | Фланец втулки шестерни | |
| 31 | 236-1110517-Б2 | Сухарь шестерни | |
| 32 | 236-1110516-Б3 | Шестерня | |
| 33 | 236-1110518-Б | Втулка ведущей шестерни | |
| 34 | 310140-П15 | Болт |
Содержащиеся в справочниках-каталогах запасные части и детали не предлагаются к продаже, а носят исключительно информационный характер