Каталог запасных частей к технике: ЯМЗ-238Д и Б. Турбокомпрессор
1
2
3
4
5
6
7
8
9
9
10
11
12
13
14
15
16
17
18
18
19
20
21
22
23
24
24
25
26
27
28
29
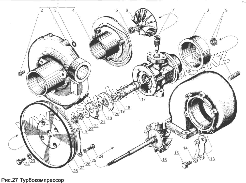
| Позиция на иллюстрации | Заводской номер детали | Название детали | |
|---|---|---|---|
| 12.1118010 | 12.1118010 | Турбокомпрессор в сборе | |
| 12.1118134 | 12.1118134 | Корпус компрессора | |
| 1 | 12.1118130 | Корпус компрессора в сборе | |
| 2 | 12.1118147 | Болт | |
| 3 | 25 3111 6057 | Кольцо 010-044-75-2-5 | |
| 4 | 12.1118135 | Вставка корпуса компрессора | |
| 5 | 12.1118124 | Гайка | |
| 6 | 12.1118110 | Колесо компрессора | |
| 7 | 12.1118036 | Болт стопорный | |
| 8 | 12.1118294 | Проставка корпуса турбины | |
| 9 | 12.1118106 | Кольцо уплотнительное | |
| 10 | 12.1118154 | Корпус турбины | |
| 11 | 12.1118024 | Корпус подшипника | |
| 12 | 310437-П | Шпилька | |
| 13 | 12.1118103 | Пластина турбины | |
| 14 | 12.1118105 | Пластина стопорная | |
| 15 | 12.1118104 | Болт | |
| 16 | 12.1118086 | Колесо турбины с валом в сборе | |
| 17 | 12.1118030 | Втулка подшипниковая | |
| 18 | 12.1118270 | Шайба упорная | |
| 19 | 12.1118268 | Шайба распорная | |
| 20 | 12.1118272 | Фланец упорный | |
| 21 | 12.1118180 | Экран маслосбрасывающий | |
| 22 | 12.1118284 | Маслоотражатель | |
| 23 | 12.1118283 | Втулка уплотнительных колец | |
| 24 | 201457-П29 | Болт М8х22 | |
| 25 | 252135-П2 | Шайба пружинная | |
| 26 | 12.1118102 | Пластина компрессора | |
| 27 | 12.1118280 | Крышка корпуса подшипников | |
| 28 | 12.1118240 | Кольцо уплотнительное | |
| 29 | 252005-П2 | Шайба 8 |
Содержащиеся в справочниках-каталогах запасные части и детали не предлагаются к продаже, а носят исключительно информационный характер