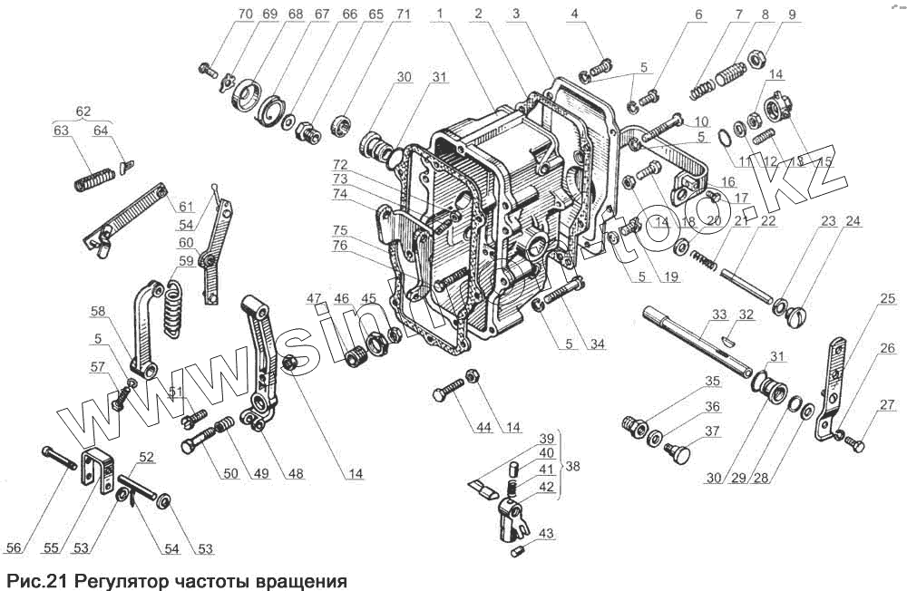
Каталог запасных частей к технике: ЯМЗ-238Д и Б. Регулятор частоты вращения
1
2
3
4
5
5
5
5
5
6
7
8
9
10
11
12
13
14
14
14
14
15
16
17
18
19
20
21
22
23
24
25
26
27
28
29
30
30
31
31
32
33
34
35
36
37
38
39
40
41
42
43
44
46
47
48
49
50
51
52
53
53
54
54
55
56
57
58
59
60
61
62
63
64
65
66
67
68
69
70
71
72
73
74
75
76
| Позиция на иллюстрации | Заводской номер детали | Название детали | |
|---|---|---|---|
| 1 | 60.1110129 | Крышка регулятора | |
| 2 | 236-1110499-А3 | Прокладка крышки смотрового люка | |
| 3 | 60.1110498-01 | Крышка смотрового люка | |
| 4 | 310600-П15 | Винт | |
| 5 | 252154-П29 | Шайба пружинная | |
| 6 | 852380-П15 | Винт | |
| 7 | 236-1110490 | Пружина буферная | |
| 8 | 807.1110492 | Корпус буферной пружины | |
| 9 | 311511-П15 | Гайка | |
| 10 | 310612-П15 | Винт | |
| 11 | 25 3111 3013 | Кольцо 005-008-19-2-2 | |
| 12 | 312370-П29 | Шайба | |
| 13 | 236-1110200 | Винт регулировочный | |
| 14 | 250508-П29 | Гайка М6 | |
| 15 | 852920 | Гайка колпачковая | |
| 16 | 60.1110380 | Скоба кулисы в сборе | |
| 17 | 852000-П29 | Болт | |
| 18 | 852003-П15 | Болт | |
| 19 | 310611-П15 | Винт | |
| 20 | 312700-П15 | Шайба | |
| 21 | 236-1110089 | Пружина компенсационная | |
| 22 | 236-1110088 | Ось рычагов | |
| 23 | 852205 | Шайба | |
| 24 | 852369-П15 | Винт-заглушка | |
| 25 | 236-1110151 | Рычаг управления регулятором | |
| 26 | 252134-П29 | Шайба пружинная | |
| 27 | 201418-П29 | Болт М6х16 | |
| 28 | 312347-П15 | Шайба | |
| 29 | 236-1110482 | Кольцо уплотнительное | |
| 30 | 236-1110476-Б | Втулка вала рычага пружины | |
| 31 | 236-1110479 | Кольцо уплотнительное втулки вала рычага | |
| 32 | 314003-П | Шпонка сегментная | |
| 33 | 236-1110467 | Вал рычага пружины | |
| 34 | 852381-П15 | Винт | |
| 35 | 236-1110392 | Ввертыш оси скобы | |
| 36 | 236-1110390 | Ось скобы | |
| 37 | 852204 | Шайба | |
| 38 | 60.1110130 | Кулиса в сборе | |
| 39 | 236-1110136-Б | Ось кулисы | |
| 40 | 236-1110372-Б | Фиксатор кулисы | |
| 41 | 236-1110374-Б | Пружина фиксатора | |
| 42 | 60.1110132 | Кулиса | |
| 43 | 60.1110220-02 | Ползун кулисы | |
| 44 | 310142-П15 | Болт регулировочный | |
| 46 | 311512-П15 | Гайка | |
| 47 | 240Б-1110416 | Корпус пружины корректора | |
| 48 | 238НБ-1110406-А2 | Рычаг регулятора | |
| 49 | 421.1110414 | Пружина корректора | |
| 50 | 902.1110412-10 | Корректор | |
| 51 | 852350-П15 | Винт | |
| 52 | 236-1110066 | Ось пяты упорной | |
| 53 | 312370-П15 | Шайба | |
| 54 | 258012-П15 | Шплинт | |
| 55 | 236-1110433 | Серьга регулятора | |
| 56 | 317849-П15 | Палец | |
| 57 | 201418-П15 | Болт | |
| 58 | 236-1110466-А | Рычаг пружины | |
| 59 | 236-1110462 | Пружина регулятора | |
| 60 | 236-1110441-А | Рычаг рейки в сборе | |
| 61 | 807.1110454-02 | Тяга рейки в сборе | |
| 62 | 60.1110448 | Пружина рычага рейки | |
| 63 | 60.1110449 | Зацеп пружины с планкой и щитком | |
| 64 | 60.1110438 | Пружина рычага рейки с зацепом в сборе | |
| 65 | 236-1110134-Б | Ввертыш оси кулисы | |
| 66 | 236-1110394 | Кольцо уплотнительное в сборе | |
| 67 | 236-1110396 | Пружина скобы кулисы возвратная | |
| 68 | 236-1110398 | Крышка возвратной пружины | |
| 69 | 236-1110262 | Шайба скобы кулисы | |
| 70 | 201416-П29 | Болт М6х12 | |
| 71 | 313955-П15 | Заглушка | |
| 72 | 250511-П15 | Гайка | |
| 73 | 852364-П15 | Винт | |
| 74 | 236-1110080 | Рычаг двуплечий | |
| 75 | 236-1110154-А | Прокладка крышки регулятора | |
| 76 | 852372 | Винт |
Содержащиеся в справочниках-каталогах запасные части и детали не предлагаются к продаже, а носят исключительно информационный характер