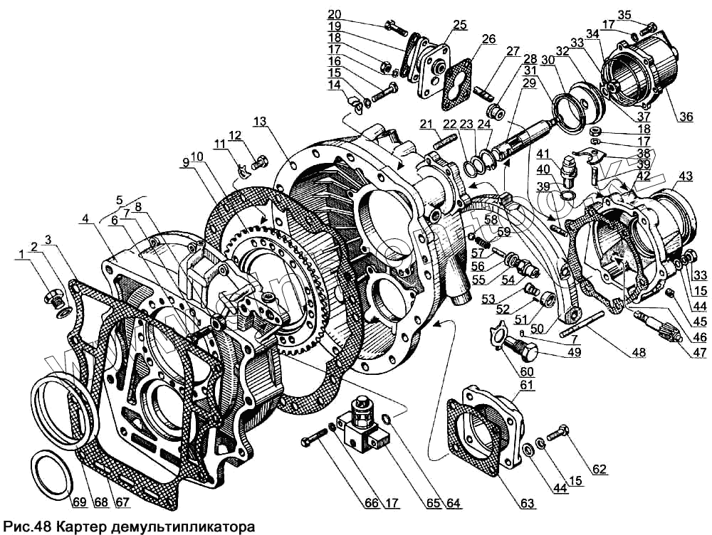
Каталог запасных частей к технике: ЯМЗ-238Д и Б. Картер демультипликатора
1
2
3
4
5
6
7
7
8
9
10
11
12
13
14
15
15
15
16
17
17
17
17
18
18
19
20
21
22
23
24
25
26
27
28
29
30
31
32
33
33
34
35
36
37
38
39
39
40
42
43
44
44
45
46
47
48
49
50
51
52
53
54
55
56
57
58
59
60
61
62
63
65
66
67
68
69
| Позиция на иллюстрации | Заводской номер детали | Название детали | |
|---|---|---|---|
| 236.1112172 | 236.1112172 | Заглушка | |
| 313883-П | 313883-П | Заглушка | |
| 840.1007095 | 840.1007095 | Втулка-штифт | |
| 313410-П2 | 313410-П2 | Штифт | |
| 1 | 316180-П2 | Пробка сливная | |
| 2 | 201.1009042-Б | Прокладка уплотнительная | |
| 3 | 238-1721250-А2 | Прокладка картера | |
| 4 | 238М-1721042-51 | Проставка | |
| 5 | 239.1722142 | Болт регулировочный в сборе | |
| 6 | 239.1722144 | Болт регулировочный | |
| 7 | 201.1722154-01 | Штифт | |
| 8 | 4595561062 | Гайка | |
| 9 | 201.1722018-01 | Прокладка | |
| 10 | 238М-1721168-01 | Муфта зубчатая в сборе | |
| 11 | 312579-П29 | Шайба стопорная | |
| 12 | 310078-П2 | Болт крепления муфты | |
| 13 | 239.1721015 | Картер демультипликатора | |
| 14 | 201.1708245-01 | Кляммер | |
| 15 | 252137-П2 | Шайба пружинная | |
| 16 | 310044-П29 | Болт | |
| 17 | 252135-П2 | Шайба пружинная | |
| 18 | 250511-П29 | Гайка | |
| 19 | 201.3802063-01 | Прокладка датчика | |
| 20 | 201478-П29 | Болт | |
| 21 | 216284-П29 | Шпилька | |
| 22 | 25 3111 2144 | Кольцо 025-031-36-2-1 | |
| 23 | 201.1722124-01 | Шайба проставочная | |
| 24 | 201.1722122 | Кольцо Б38 | |
| 25 | 201.3802042-01 | Фланец датчика спидометра | |
| 26 | 201.3802069-01 | Прокладка фланца | |
| 27 | 201.3802052-01 | Валик привода спидометра | |
| 28 | 236-3802024 | Втулка шестерни привода спидометра | |
| 29 | 239.1722038 | Шток поршня | |
| 30 | 239.1722041 | Манжета 1-80-3 | |
| 31 | 238Н-1722063 | Кольцо уплотнительное | |
| 32 | 239.1722035 | Поршень цилиндра | |
| 33 | 4595561060 | Гайка | |
| 34 | 25 3111 2202 | Кольцо 94-100-36-2 | |
| 35 | 201457-П29 | Болт М8х22 | |
| 36 | 239.1722024 | Цилиндр | |
| 37 | 312213-П2 | Шайба стопорная | |
| 38 | 201.1708269-01 | Прижим | |
| 39 | 216234-П29 | Шпилька | |
| 40 | 25 3111 2066 | Кольцо 018-022-25-1 | |
| 42 | 202.1721205-41 | Крышка выходного вала | |
| 43 | 202.1721088-40 | Манжета в сборе | |
| 44 | 252007-П2 | Шайба | |
| 45 | 4599331201 | Пробка | |
| 46 | 202.1721203-01 | Прокладка крышки | |
| 47 | 201.3802034 | Шестерня привода спидометра | |
| 48 | 216364-П29 | Шпилька | |
| 49 | 201.1722057-01 | Ось вилки | |
| 50 | 201.1722050-41 | Вилка | |
| 51 | 201.1722078-01 | Обойма подшипника | |
| 52 | 201.1722067 | Ролик 2х7,8 А5 | |
| 53 | 201.1722077-01 | Ось подшипника | |
| 54 | 4573734914 | ВК-40-36-3716000 | |
| 55 | 239.1722091 | Прокладка регулировочная | |
| 56 | 312333-П | Шайба | |
| 57 | 239.1722094 | Штифт фиксатора | |
| 58 | 4691187960 | Шарик стопорный Б 12,7-100 | |
| 59 | 236-1702106 | Пружина | |
| 60 | 312212-П2 | Шайба | |
| 61 | 201.1721440-01 | Крышка картера | |
| 62 | 201565-П29 | Болт | |
| 63 | 201.1721442-01 | Прокладка крышки | |
| 65 | 239.1708200 | Клапан блокировки с электромагнитом и болтом в сборе | |
| 66 | 201466-П29 | Болт М8х45 | |
| 67 | 201-1701036 | Прокладка регулировочная | |
| 68 | 201-1701035 | Прокладка регулировочная | |
| 69 | 238М-1721252-01 | Кольцо упорное |
Содержащиеся в справочниках-каталогах запасные части и детали не предлагаются к продаже, а носят исключительно информационный характер