Каталог запасных частей к технике: ЯМЗ-238БЕ. Клапаны и толкатели
1
2
3
4
5
6
7
8
9
10
11
12
13
14
15
15
16
17
17
17
17
18
19
20
21
22
23
24
25
26
27
28
29
30
30
31
32
33
34
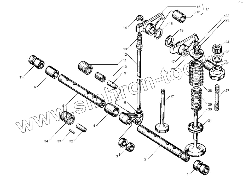
| Позиция на иллюстрации | Заводской номер детали | Название детали | |
|---|---|---|---|
| 236-1007180 | 236-1007180 | Толкатель коромысла в сборе | |
| 1 | 236-1007247-Б | Втулка оси толкателей задняя | |
| 2 | 236-1007236 | Ось толкателей крайняя | |
| 3 | 236-1007186 | Втулка толкателя | |
| 4 | 236-1007246 | Втулка оси толкателей промежуточная | |
| 5 | 236-1007242 | Ось толкателя средняя | |
| 6 | 236-1007248 | Втулка толкателей распорная | |
| 7 | 236-1007244 | Втулка оси толкателей передняя | |
| 8 | 7511.1007180 | Толкатель в сборе | |
| 9 | 236-1007194-А | Ось ролика толкателя | |
| 10 | 7511.1007199 | Втулка ролика | |
| 11 | 7511.1007190 | Ролик толкателя | |
| 12 | 236-1007176-А2 | Штанга толкателя | |
| 13 | 236-1007148-Б | Винт регулировочный | |
| 14 | 311516-П2 | Гайка | |
| 15 | 236-1007146-В2 | Коромысло клапана | |
| 15 | 7511.1007146 | Коромысло клапана | |
| 16 | 236-1007118-В | Втулка коромысла клапана | |
| 17 | 7511.1007144 | Коромысло клапана с втулкой в сборе | |
| 17 | 7511.1007144-B2 | Коромысло клапана с втулкой в сборе | |
| 17 | 236-1007144-В2 | Коромысло клапана с втулкой в сборе | |
| 18 | 236-1007103-A | Кольцо пружинное | |
| 19 | 312392-П2 | Шайба упорная | |
| 20 | 236-1007024-B | Тарелка пружин | |
| 21 | 236-1007015-B4 | Клапан выпускной | |
| 22 | 236-1007028-A | Сухарь | |
| 23 | 236-1007026-Б | Втулка тарелки пружины клапана | |
| 24 | 311408-П2 | Гайка | |
| 25 | 312632-П2 | Шайба | |
| 26 | 236-1007091-Б2 | Ось коромысла в сборе | |
| 27 | 310420-П2 | Шпилька | |
| 28 | 7511.1007020 | Пружина клапана наружная | |
| 29 | 236-1007021-A | Пружина внутренняя | |
| 30 | 236-1007010-B | Клапан впускной | |
| 30 | 7511.1007010 | Клапан впускной | |
| 31 | 7511.1007025 | Шайба пружин клапана | |
| 32 | 201-1007194 | Ось ролика толкателя | |
| 33 | 46 9416 1251 | Ролик 1,5x13.8А5 | |
| 34 | 201-1007190 | Ролик толкателя |
Содержащиеся в справочниках-каталогах запасные части и детали не предлагаются к продаже, а носят исключительно информационный характер