Вернуться на главную
Поиск
Каталоги запчастей к технике
Двигатели
ЯМЗ
ЯМЗ-238БЕ
Клапан электромагнитный привода вентилятора
Каталог запасных частей к технике: ЯМЗ-238БЕ. Клапан электромагнитный привода вентилятора
zoom-in
zoom-out
enlarge
shrink
circle-right
circle-left
file-text2
info
cart
Тип техники
Не выбрано
Легковые автомобили
Грузовые автомобили и прицепы
Автобусы
Сельхозтехника
Спецтехника
Двигатели
Мототехника
Марка
Не выбрано
BAW
Caterpillar
Cummins
DCEC
DongFeng
Doosan
FAW
Great Wall
Hitachi
HOWO
HSW
IVECO
Komatsu
LGMG
Perkins
Raywin
SDEC
Shaanxi
Valmet
Weichai
XINCHAI
YTO
Yuchai
ZF
Алтайдизель
Барнаултрансмаш
ВТЗ
ГАЗ
ЗиД
ЗМЗ
Камский автозавод
ММЗ
СМД
ТМЗ
УМЗ
ЧТЗ
ЮМЗ
ЯЗДА
ЯМЗ
Модель
Не выбрано
Общий (см. мод-ции)
ТНВД-323, 324, 327 (2002)
ЯМЗ-236 ДК и ЯМЗ 238 АК (2002)
ЯМЗ-236 М
ЯМЗ-236 М2 и 238 М2
ЯМЗ-236 НЕ, 236 БЕ, 7601.10 (2003)
ЯМЗ-236, -238, -238НБ (2010)
ЯМЗ-236М2 (2014)
ЯМЗ-238 АК
ЯМЗ-238 АМ
ЯМЗ-238 ГМ
ЯМЗ-238 ИМ
ЯМЗ-238 Л
ЯМЗ-238 М
ЯМЗ-238 Н
ЯМЗ-238 НД
ЯМЗ-238 ПМ и 238 ФМ
ЯМЗ-238БЕ (Каталог 2004 года)
ЯМЗ-238Д и Б (2002)
ЯМЗ-238М2 (2015)
ЯМЗ-238НД3, НД4, НД5 (2002)
ЯМЗ-240 (1998)
ЯМЗ-240 (2000)
ЯМЗ-240 (2014)
ЯМЗ-240, 240Б, 240Н, 240П (1998)
ЯМЗ-534
ЯМЗ-53402 (2012)
ЯМЗ-5341-10, 5342, 5344 (2012)
ЯМЗ-53414
ЯМЗ-53424
ЯМЗ-5344 Евро 4 (2015)
ЯМЗ-5344-10, 53442 (2012)
ЯМЗ-53443 (2016)
ЯМЗ-5347-10, 53472 (2012)
ЯМЗ-536 (2012)
ЯМЗ-536-10 (2012)
ЯМЗ-536-100 (2014)
ЯМЗ-536-40, 5362 (2012)
ЯМЗ-650.10 (Евро 3) (Каталог 2009 года)
ЯМЗ-650.10 (Евро 3-4) (Каталог 2012 года)
ЯМЗ-6561.10 (Евро 3) (2007)
ЯМЗ-6562.10 (Евро 3) (2007)
ЯМЗ-6562.10, 6563.10 (Евро 3) (2010)
ЯМЗ-6563.10 (Евро 3) (2007)
ЯМЗ-65652 (65654) (Евро 4) (2015)
ЯМЗ-6581.10 (Евро 3) (2007)
ЯМЗ-6581.10, 6582.10 (Евро 3) (2010)
ЯМЗ-6582.10 (Евро 3) (2008)
ЯМЗ-6583.10 (Евро 3) (2007)
ЯМЗ-6585 (для МАЗ) (2015)
ЯМЗ-7511 (2005)
ЯМЗ-7511 (2005) (2005)
ЯМЗ-7511.10 (2014)
ЯМЗ-8401
ЯМЗ-8401.10
ЯМЗ-8421.10
ЯМЗ-8423
ЯМЗ-8423.10
ЯМЗ-850 (2001)
ЯМЗ-850.10 (2011)
Схема
>
Не выбрано
Двигатели в сборе
Двигатели в сборе
Блок цилиндров
Головка цилиндров двигателей ЯМЗ-238БЕ, ЯМЗ-238ДЕ
Головка цилиндров двигателей ЯМЗ-238БЕ2, ЯМЗ-238ДЕ2-1
Головка цилиндра двигателя ЯМЗ-238ДЕ2
Поршень и шатун двигателей ЯМЗ-238БЕ, ЯМ-238ДЕ
Поршень и шатун двигателей ЯМЗ-238БЕ2, ЯМЗ-238ДЕ2
Вал коленчатый и маховик двигателей ЯМЗ-238БЕ, ЯМЗ-238ДЕ
Вал коленчатый и маховик двигателей ЯМЗ-238БЕ2, ЯМЗ-238ДЕ2
Вал распределительный двигателей ЯМЗ-238БЕ, ЯМЗ-238ДЕ
Вал распределительный двигателей ЯМЗ-238БЕ2, ЯМЗ-238ДЕ2
Клапаны и толкатели
Коллекторы выпускные
Картер масляный двигателей для автомобилей МАЗ
Картер масляный двигателей для автомобилей КрАЗ
Насос масляный
Система охлаждения поршней маслом
Фильтр масляный
Теплообменник жидкостно-масляный
Вентиляция картера двигателя с индивидуальными головками цилиндров
Электрофакельное устройство
Маслоочиститель центробежный
Привод ТНВД двигателей ЯМЗ-238БЕ, ЯМЗ-238ДЕ
Привод ТНВД двигателей ЯМЗ-238БЕ2, ЯМЗ-238ДЕ2
Трубопроводы топливные двигателей ЯМЗ-238БЕ, ЯМЗ-238ДЕ
Трубопроводы топливные двигателей ЯМЗ-238БЕ2, ЯМЗ-238ДЕ2
Фильтр грубой очистки топлива двигателей ЯМЗ-238БЕ2-2, ЯМЗ-238ДЕ2-2 для автомобилей КрАЗ
Фильтр грубой очистки топлива двигателей ЯМЗ-238ДЕ2, ЯМЗ-238ДЕ2-1, ЯМЗ-238ДЕ2-3 для автомобилей МАЗ
Воздушный фильтр двигателей ЯМЗ-238ДЕ2-1, ЯМЗ-238ДЕ2-3
Воздушный фильтр двигателей ЯМЗ-238БЕ, ЯМЗ-238БЕ2
Насос топливоподкачивающий двигателей ЯМЗ-238БЕ, ЯМЗ-238ДЕ
Насос топливоподкачивающий двигателей ЯМЗ-238БЕ2, ЯМЗ-238ДЕ2
Корпус регулятора частоты вращения двигателей ЯМЗ-238БЕ, ЯМЗ-238ДЕ
Корпус регулятора частоты вращения двигателей ЯМЗ-238БЕ2, ЯМЗ-238ДЕ2
Регулятор частоты вращения двигателей ЯМЗ-238БЕ, ЯМЗ-238ДЕ
Регулятор частоты вращения двигателей ЯМЗ-238БЕ2, ЯМЗ-238ДЕ2
Корректор подачи топлива по наддуву
Топливный насос высокого давления двигателей ЯМЗ-238БЕ, ЯМЗ-238ДЕ
Топливный насос высокого давления двигателей ЯМЗ-238БЕ2, ЯМЗ-238ДЕ2
Секция топливного насоса высокого давления
Форсунка двигателей с общими головками цилиндров
Форсунка двигателей с индивидуальными головками цилиндров
Коллекторы впускные
Фильтр тонкой очистки топлива
Турбокомпрессор
Трубки подвода и слива масла турбокомпрессора
Муфта опережения впрыскивания топлива двигателей ЯМЗ-238БЕ, ЯМЗ-238ДЕ
Водяные трубы и термостаты системы охлаждения двигателей с общими головками цилиндров
Водяные трубы и термостаты системы охлаждения двигателей с индивидуальными головками цилиндров
Водяной насос
Устройство натяжное ремня привода водяного насоса
Привод вентилятора
Клапан электромагнитный привода вентилятора
Привод вентилятора двигателей ЯМЗ-238ДЕ-10, ЯМЗ-238ДЕ-11
Вентилятор и кожух вентилятора
Сцепление ЯМЗ-183
Коробка передач в сборе
Картер коробок передач ЯМЗ-238ВМ5, ЯМЗ-238ВМ7, ЯМЗ-238ВК7
Валы и шестерни коробок передач ЯМЗ-238ВМ5, ЯМЗ-238ВМ7, ЯМЗ-238ВК7
Механизм переключения коробок передач ЯМЗ-238ВМ5, ЯМЗ-238ВМ7, ЯМЗ-238ВК7
Масляный насос коробок передач ЯМЗ-238ВМ5, ЯМЗ-238ВМ7, ЯМЗ-238ВК7
Картер демультипликатора коробок передач ЯМЗ-238ВМ5, ЯМЗ-238ВМ7, ЯМЗ-238ВК7
Вал и шестерни демультипликатора коробок передач ЯМЗ-238ВМ5, ЯМЗ-238ВМ7, ЯМЗ-238ВК7
Картер коробок передач ЯМЗ-239, ЯМЗ-2391
Валы и шестерни коробок передач ЯМЗ-239, ЯМЗ-2391
Механизм переключения коробок передач ЯМЗ-239, ЯМЗ-2391
Механизм управления переключением передач
Масляный насос коробок передач ЯМЗ-239, ЯМЗ-2391
Картер демультипликатора коробок передач ЯМЗ-239, ЯМЗ-2391 (чугунный)
Картер демультипликатора коробок передач ЯМЗ-239-01, ЯМЗ-2391-01 (алюминиевый)
Вал и шестерни демультипликатора коробок передач ЯМЗ-239, ЯМЗ-2391
Управление механизмом переключения демультипликатора коробок передач ЯМЗ-238ВМ5, ЯМЗ-238ВМ7, ЯМЗ-238ВК7, ЯМЗ-239, ЯМЗ-239-01, ЯМЗ-2391, ЯМЗ-2391-01
Устройство натяжное
Генератор в сборе, его крепление и привод
Генератор 1702.3771
Стартер в сборе и его крепление
Стартер
Реле стартера
Инструмент водителя и приспособления
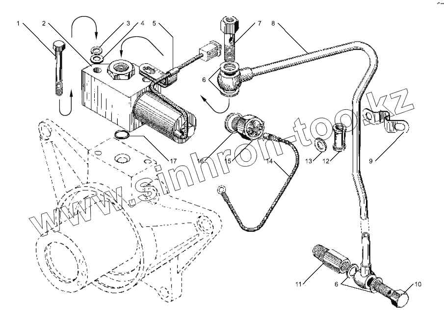
1
2
3
4
5
6
6
7
8
9
10
11
12
13
14
15
16
17
Позиция на иллюстрации
Заводской номер детали
Название детали
1
200270-П2
Болт М8х55
2
45 7374 8689
Клапан электромагнитный КЭМ 32-20
3
252135-П2
Шайба пружинная
4
252005-П29
Шайба плоская
5
315455-П29
Кляммер
6
312326-П34
Шайба уплотнительная
7
310095-П29
Болт
8
7511.1308754-20
Трубка в сборе
9
236-1308097
Кляммер
10
310096-П29
Болт
11
314681-П29
Штуцер
12
240Б-1318124
Прокладка трубки
13
252006-П2
Шайба
14
Провод КЭМ 32.160-01
Провод КЭМ 32.160-01
15
45 7373 3019
Термореле включения вентилятора 661.3710-01
16
312382-П
Шайба уплотнительная
17
25 3111 6057
Кольцо 010-044-75-2-5
Содержащиеся в справочниках-каталогах запасные части и детали не предлагаются к продаже, а носят исключительно информационный характер
Дополнительная информация
×
Название:
Номер:
Примечание: