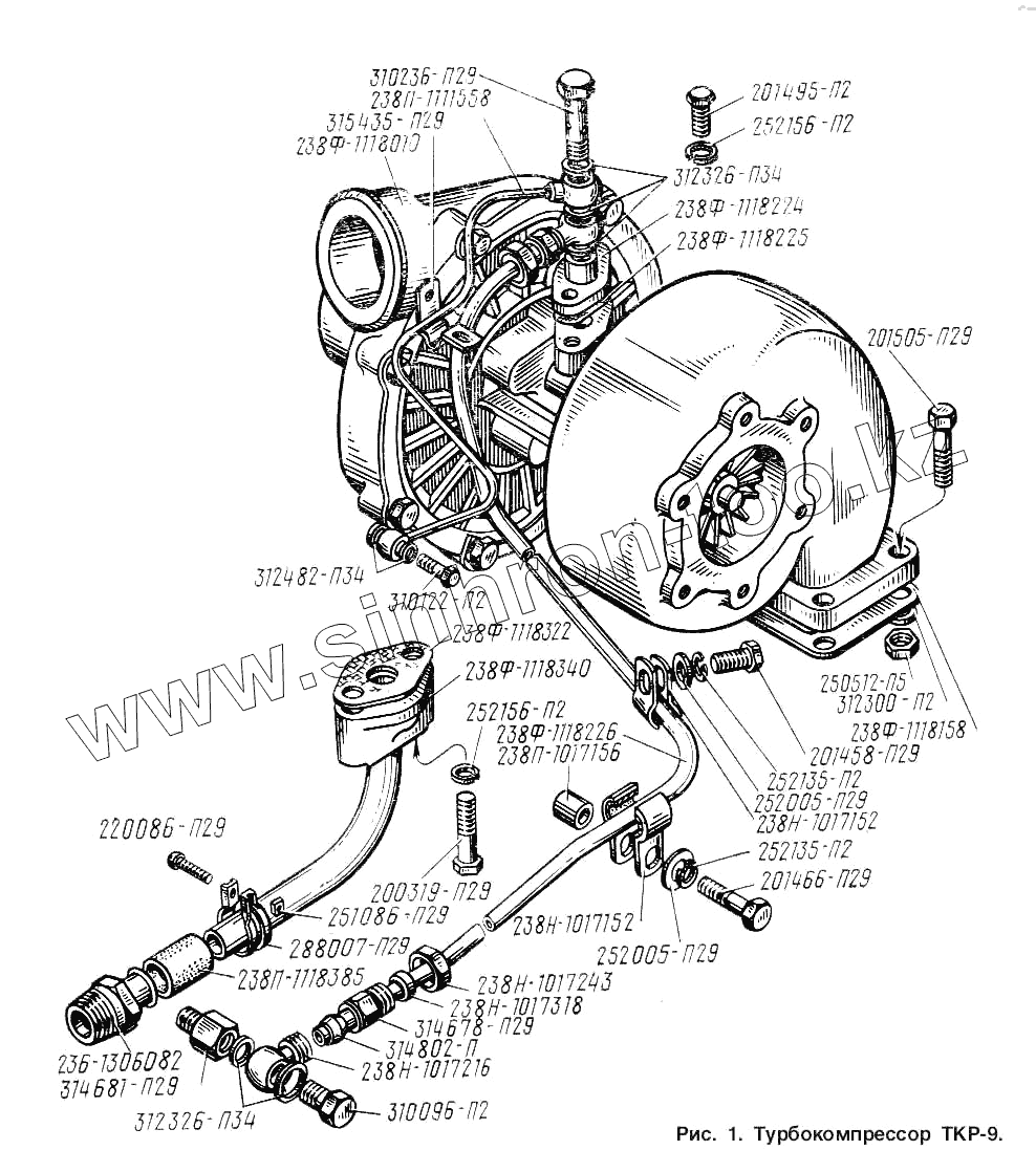
Каталог запасных частей к технике: ЯМЗ-238 НД. Турбокомпрессор ТКР-9
252005-П29
252005-П29
238Ф-1118158
238П-1017156
238П-1118385
238Н-1017152
238Н-1017152
238П-1111558
238Ф-1118226
238Ф-1118010
238Ф-1118224
288007-П29
238Ф-1118322
252135-П2
252135-П2
252156-П2
252156-П2
312300-П2
312326-П34
312326-П34
312482-П34
236-1306082
314678-П29
314681-П29
250512-П5
201458-П29
201466-П29
201495-П2
201505-П29
310096-П2
310122-П2
310236-П29
220086-П29
200319-П29
251086-П29
238Н-1017243
315435-П29
238Н-1017318
314802-П
238Н-1017216
238Ф-1118340
238Ф-1118225
| Позиция на иллюстрации | Заводской номер детали | Название детали | |
|---|---|---|---|
| 252005-П29 | 252005-П29 | Шайба плоская | |
| 238Ф-1118158 | 238Ф-1118158 | Прокладка корпуса турбины | |
| 238П-1017156 | 238П-1017156 | Проставка скобы | |
| 238П-1118385 | 238П-1118385 | Рукав | |
| 238Н-1017152 | 238Н-1017152 | Скоба крепления трубки | |
| 238П-1111558 | 238П-1111558 | Трубка подвода масла к корректору по наддуву | |
| 238Ф-1118226 | 238Ф-1118226 | Трубка подвода масла к турбокомпрессору | |
| 238Ф-1118010 | 238Ф-1118010 | Турбокомпрессор | |
| 238Ф-1118224 | 238Ф-1118224 | Фланец турбокомпрессора | |
| 288007-П29 | 288007-П29 | Хомут | |
| 238Ф-1118322 | 238Ф-1118322 | Прокладка фланца трубы | |
| 252135-П2 | 252135-П2 | Шайба пружинная | |
| 252156-П2 | 252156-П2 | Шайба пружинная | |
| 312300-П2 | 312300-П2 | Шайба | |
| 312326-П34 | 312326-П34 | Шайба уплотнительная | |
| 312482-П34 | 312482-П34 | Шайба | |
| 236-1306082 | 236-1306082 | Штуцер трубки слива масла | |
| 314678-П29 | 314678-П29 | Штуцер проходной | |
| 314681-П29 | 314681-П29 | Штуцер | |
| 250512-П5 | 250512-П5 | Гайка | |
| 201458-П29 | 201458-П29 | Болт М8х25 | |
| 201466-П29 | 201466-П29 | Болт М8х45 | |
| 201495-П2 | 201495-П2 | Болт | |
| 201505-П29 | 201505-П29 | Болт М10х45 | |
| 310096-П2 | 310096-П2 | Болт специальный М14х1,5х30 | |
| 310122-П2 | 310122-П2 | Болт М10х1х22 | |
| 310236-П29 | 310236-П29 | Болт | |
| 220086-П29 | 220086-П29 | Винт М5х30 | |
| 200319-П29 | 200319-П29 | Болт | |
| 251086-П29 | 251086-П29 | Гайка М5 | |
| 238Н-1017243 | 238Н-1017243 | Гайка упорная в сборе | |
| 315435-П29 | 315435-П29 | Кляммер | |
| 238Н-1017318 | 238Н-1017318 | Кольцо | |
| 314802-П | 314802-П | Муфта конусная | |
| 238Н-1017216 | 238Н-1017216 | Наконечник | |
| 238Ф-1118340 | 238Ф-1118340 | Патрубок слива масла в сборе | |
| 238Ф-1118225 | 238Ф-1118225 | Прокладка |
Содержащиеся в справочниках-каталогах запасные части и детали не предлагаются к продаже, а носят исключительно информационный характер