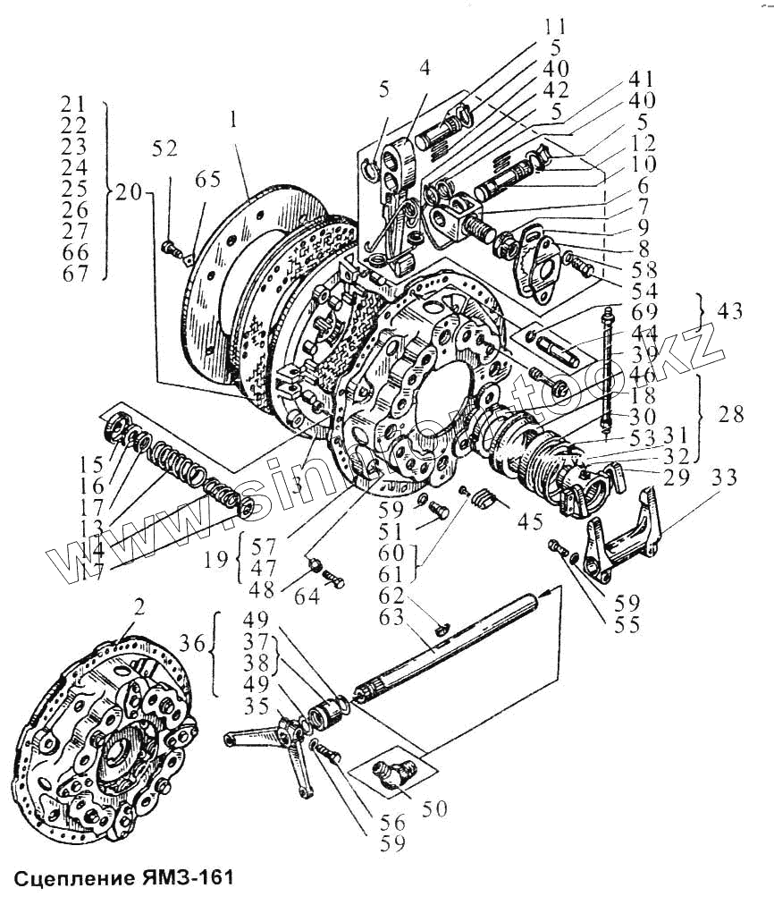
Каталог запасных частей к технике: ЯМЗ-238 М. Сцепление ЯМЗ-161
1
2
3
4
5
5
5
5
6
7
8
9
10
11
12
13
14
15
16
17
17
18
19
20
21
22
23
24
25
26
27
28
29
30
31
32
33
34
35
36
37
38
39
40
40
41
42
43
44
45
46
47
48
49
49
51
52
53
54
55
56
57
58
59
59
59
60
61
64
65
66
67
68
69
| Позиция на иллюстрации | Заводской номер детали | Название детали | |
|---|---|---|---|
| 15.1601318-20 | 15.1601318-20 | Пластина балансировочная | |
| 15.1601318-30 | 15.1601318-30 | Пластина балансировочная | |
| 15.1601192 | 15.1601192 | Стакан подшипника | |
| 1 | 15.1601082 | Диск сцепления опорный | |
| 2 | 161.1601090 | Диск нажимной с кожухом | |
| 3 | 161.1601093 | Диск нажимной | |
| 4 | 15.1601095 | Рычаг оттяжной | |
| 5 | 15.1601096 | Кольцо | |
| 6 | 15.1601108 | Вилка рычага | |
| 7 | 15.1601109 | Гайка регулировочная | |
| 8 | 15.1601110 | Пластина опорная | |
| 9 | 15.1601111 | Пластина стопорная | |
| 10 | 15.1601112 | Палец | |
| 11 | 15.1601113 | Ось рычага нажимного диска | |
| 12 | 15.1601114 | Шайба упорная | |
| 13 | 161.1601115 | Пружина наружная | |
| 14 | 15.1601116 | Пружина внутренняя | |
| 15 | 15.1601117 | Шайба | |
| 16 | 15.1601118 | Подкладка пружины | |
| 17 | 15.1601119 | Шайба центрирующая | |
| 18 | 15.1601120 | Кольцо упорное рычагов | |
| 19 | 15.1601123 | Кожух с пластинами | |
| 20 | 161.1601130 | Диск сцепления ведомый в сборе | |
| 21 | 15.1601135 | Пластина пружинная | |
| 22 | 15.1601138 | Накладка фрикционная | |
| 23 | 15.1601142 | Ступица заднего ведомого диска | |
| 24 | 161.1601143 | Кольцо демпфера | |
| 25 | 161.1601150 | Пружина демпфера | |
| 26 | 161.1601153 | Диск демпфера | |
| 27 | 161.1601167 | Пружина тарельчатая | |
| 28 | 161.1601180 | Муфта с подшипником | |
| 29 | 161.1601184 | Муфта с пластинами | |
| 30 | 15.1601318-10 | Пластина балансировочная | |
| 31 | 15.1601195 | Шайба отражательная | |
| 32 | 15.1601197 | Кольцо опорное | |
| 33 | 15.1601203 | Вилка выключения сцепления | |
| 34 | 15.1601215 | Вал вилки | |
| 35 | 161.1601217 | Рычаг | |
| 36 | 15.1601219 | Стакан с подшипником вала и уплотнительными кольцами в сборе | |
| 37 | 15.1601220 | Стакан подшипника | |
| 38 | 15.1601222 | Подшипник | |
| 39 | 15.1601230 | Шланг смазки подшипника | |
| 40 | 15.1601270 | Ролик | |
| 41 | 15.1601273 | Пружина | |
| 42 | 15.1601275 | Петля пружины | |
| 43 | 15.1601282 | Штифт установочный в сборе | |
| 44 | 15.1601283 | Штифт установочный | |
| 45 | 15.1601318 | Пластина балансировочная | |
| 46 | 15.1601340 | Болт стяжной | |
| 47 | 15.1601342 | Пластина | |
| 48 | 15.1601344 | Втулка пластины | |
| 49 | 25 3111 2151 | Кольцо 032-038-36-2-1 | |
| 51 | 4593481561 | Болт | |
| 52 | 4593481602 | Болт | |
| 53 | 70-114 | Подшипник | |
| 54 | 201452-П29 | Болт | |
| 55 | 201682-П29 | Болт | |
| 56 | 201686-П29 | Болт | |
| 57 | 252006-П2 | Шайба | |
| 58 | 252135-П2 | Шайба пружинная | |
| 59 | 252136-П2 | Шайба 10 пружинная | |
| 60 | 252593-П2 | Заклепка | |
| 61 | 252595-П2 | Заклепка | |
| 63 | 252600-П2 | Заклепка | |
| 64 | 310054 | Болт | |
| 65 | 312208-П2 | Шайба стопорная | |
| 66 | 313017-П | Заклепка | |
| 67 | 313018-П | Заклепка | |
| 68 | 314048-П2 | Шпонка сегментная | |
| 69 | 316500-П2 | Кольцо стопорное |
Содержащиеся в справочниках-каталогах запасные части и детали не предлагаются к продаже, а носят исключительно информационный характер