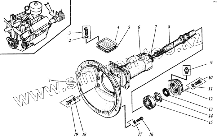
Каталог запасных частей к технике: ЯМЗ-238 АК. Установка механизма отбора мощности
1
2
3
4
5
6
7
8
9
10
11
12
13
14
15
15
16
17
18
19
| Позиция на иллюстрации | Заводской номер детали | Название детали | |
|---|---|---|---|
| 1 | 238АК-4200015 | Кожух муфты | |
| 2 | 8.65Г | Шайба | |
| 3 | М8х10 | Болт | |
| 4 | 236-1601030-А2 | Крышка люка картера верхняя | |
| 5 | Прокладка | Прокладка | |
| 6 | 236ДК-4200100 | Корпус подшипника | |
| 7 | 210.100.5034-Б3 | Манжета | |
| 8 | 238АК-4200130 | Вал | |
| 9 | 1.3 | Масленка | |
| 10 | М10-6gх30 | Болт | |
| 11 | 10.65Г | Шайба | |
| 12 | 238АК-4200110 | Крышка | |
| 13 | 238АК-4200210 | Манжета | |
| 14 | 311402-П2 | Гайка | |
| 15 | 53612 | Подшипник или 3212 | |
| 15 | 3212 | Подшипник или 53612 | |
| 16 | М12х25 | Болт | |
| 17 | 12.65Г | Шайба | |
| 18 | 16.65Г | Шайба | |
| 19 | М16х40 | Болт |
Содержащиеся в справочниках-каталогах запасные части и детали не предлагаются к продаже, а носят исключительно информационный характер