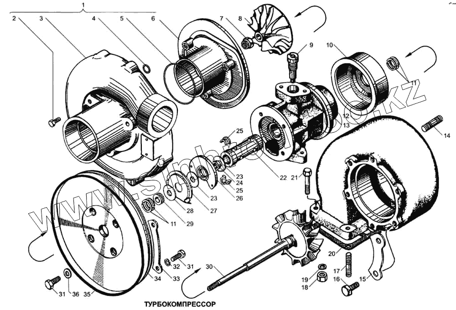
Каталог запасных частей к технике: ЯМЗ-236 НЕ, 236 БЕ, 7601.10. Турбокомпрессор
1
2
3
4
5
6
7
8
9
10
11
11
12
13
14
15
16
17
18
19
20
21
22
23
23
24
25
25
26
27
28
29
30
31
31
32
33
34
35
36
| Позиция на иллюстрации | Заводской номер детали | Название детали | |
|---|---|---|---|
| 258364-П2 | 258364-П2 | Штифт | |
| 122.1118002 | 122.1118002 | Комплект ротора турбокомпрессора | |
| 1 | 12.1118130-10 | Корпус компрессора в сборе | |
| 2 | 201418-П29 | Болт М6х16 | |
| 3 | 12.1118134 | Корпус компрессора | |
| 4 | 2531116057 | Кольцо 010-044-75-2-5 | |
| 5 | 240Н-1118282 | Кольцо уплотнительное | |
| 6 | 12.1118135-10 | Вставка корпуса компрессора | |
| 7 | 12.1118120 | Гайка | |
| 8 | 12.1118110-12 | Колесо компрессора | |
| 9 | 12.1118036 | Болт стопорный | |
| 10 | 12.1118294 | Проставка корпуса турбины | |
| 11 | 12.1118106 | Кольцо уплотнительное | |
| 12 | 12.1118154-20 | Корпус турбины | |
| 13 | 12.1118024 | Корпус подшипника | |
| 14 | 310437-П | Шпилька | |
| 15 | 12.1118103 | Пластина турбины | |
| 16 | 12.1118104 | Болт | |
| 17 | 310443-П | Шпилька М10х28 20/20 | |
| 18 | 250512-П5 | Гайка | |
| 19 | 312300-П2 | Шайба | |
| 20 | 238Ф-1118158 | Прокладка корпуса турбины | |
| 21 | 201505-П29 | Болт М10х45 | |
| 22 | 122.1118030 | Втулка подшипниковая | |
| 23 | 12.1118270 | Шайба упорная | |
| 24 | 12.1118268 | Шайба распорная | |
| 25 | 122.1118276 | Втулка упорная | |
| 26 | 12.1118272 | Фланец упорный | |
| 27 | 12.1118180 | Экран маслосбрасывающий | |
| 28 | 12.1118284 | Маслоотражатель | |
| 29 | 12.1118283 | Втулка уплотнительных колец | |
| 30 | 122.1118086 | Колесо турбины с валом в сборе | |
| 31 | 201457-П29 | Болт М8х22 | |
| 32 | 252135-П2 | Шайба пружинная | |
| 33 | 12.1118102 | Пластина компрессора | |
| 34 | 12.1118280 | Крышка корпуса подшипников | |
| 35 | 12.1118240 | Кольцо уплотнительное | |
| 36 | 252005-П2 | Шайба 8 |
Содержащиеся в справочниках-каталогах запасные части и детали не предлагаются к продаже, а носят исключительно информационный характер