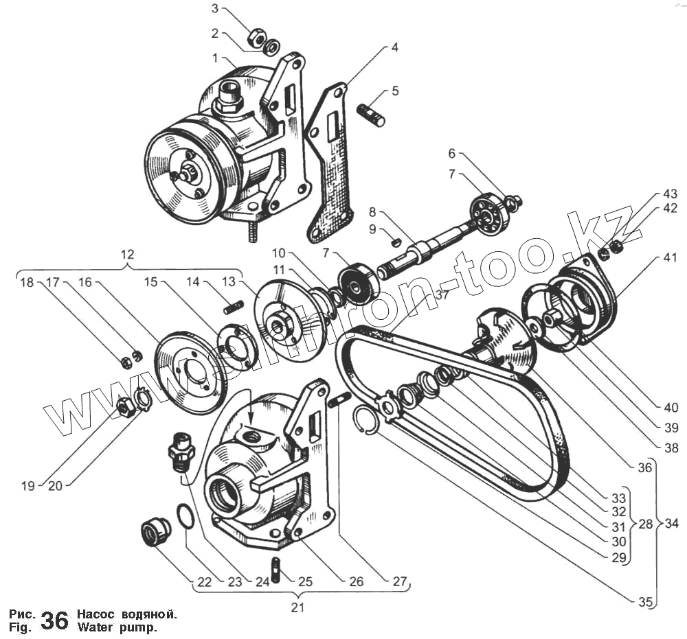
Каталог запасных частей к технике: ЯМЗ-236 М2 и 238 М2. Насос водяной
1
2
3
4
5
6
8
10
11
12
13
14
15
16
17
18
19
20
21
22
24
25
26
27
28
29
30
31
32
33
34
35
36
38
39
41
42
43
| Позиция на иллюстрации | Заводской номер детали | Название детали | |
|---|---|---|---|
| 160703 | 160703 | Подшипник шариковый радиальный однорядный с односторонним уплотнением | |
| 1 | 236-1307010-А3 | Насос водяной в сборе | |
| 2 | 252136-П2 | Шайба 10 пружинная | |
| 3 | 250513-П29 | Гайка | |
| 4 | 236-1307048-А | Прокладка | |
| 5 | 216259-П29 | Шпилька | |
| 6 | 201-1307026-А | Водосбрасыватель валика | |
| 8 | 236-1307023-В2 | Валик | |
| 10 | 236-1307111 | Втулка распорная | |
| 11 | 236-1307081 | Кольцо запорное | |
| 12 | 236-1307212-Б3 | Шкив привода насоса | |
| 13 | 236-1307216-В | Ступица шкива | |
| 14 | 310403-П29 | Шпилька | |
| 15 | 236-1307222-Б | Прокладка шкива регулировочная | |
| 16 | 236-1307218-Б3 | Боковина шкива | |
| 17 | 252135-П2 | Шайба пружинная | |
| 18 | 250510-П29 | Гайка | |
| 19 | 250636-П29 | Гайка | |
| 20 | 312536-П29 | Шайба | |
| 21 | 236-1307014-Г | Корпус водяного насоса в сборе | |
| 22 | 236-1307017-В | Втулка корпуса | |
| 24 | 236-1306082 | Штуцер трубки слива масла | |
| 25 | 216258-П29 | Шпилька | |
| 26 | 236-1307015-Г | Корпус | |
| 27 | 216233-П29 | Шпилька | |
| 28 | 236-1307029 | Манжета, большая и малая обоймы манжеты,упорное кольцо и пружина манжеты (комплект для ремонта) | |
| 29 | 236-1307035-А3 | Кольцо упорное | |
| 30 | 240-1307038 | Манжета торцового уплотнения водяного насоса | |
| 31 | 240-1307036 | Обойма манжеты торцового уплотнения большая | |
| 32 | 201-1307037 | Обойма манжеты малая | |
| 33 | 201-1307034-А | Пружина торцового уплотнения | |
| 34 | 236-1307030-Б | Крыльчатка с манжетой в сборе | |
| 35 | 236-1307033 | Кольцо стопорное | |
| 36 | 236-1307032-Б | Крыльчатка | |
| 38 | 312484-П | Шайба стопорная | |
| 39 | 312115-П | Гайка колпачковая | |
| 41 | 236-1307045-Б | Крышка корпуса насоса | |
| 42 | 250511-П29 | Гайка | |
| 43 | 252135-П2 | Шайба пружинная |
Содержащиеся в справочниках-каталогах запасные части и детали не предлагаются к продаже, а носят исключительно информационный характер