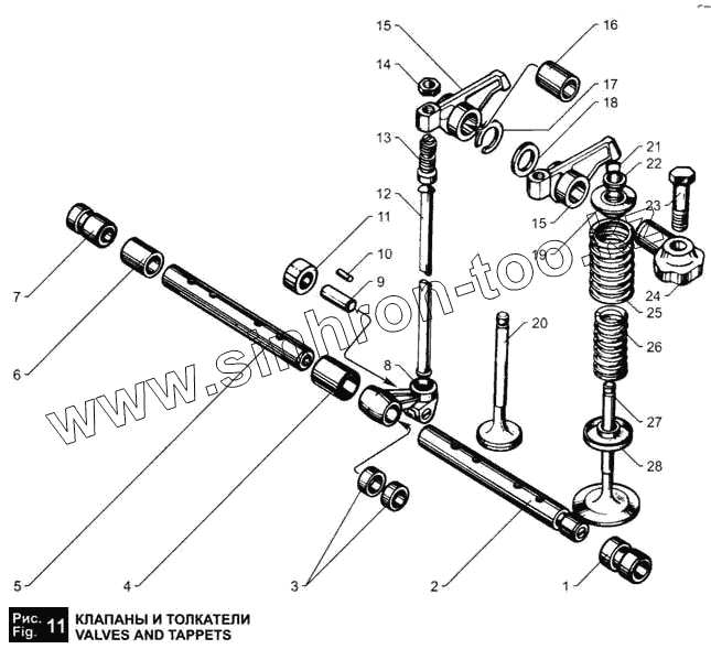
Каталог запасных частей к технике: ЯМЗ-236 М2 и 238 М2. Клапаны и толкатели
1
2
3
4
5
6
7
8
9
10
11
12
13
14
15
15
16
17
18
19
20
21
22
23
24
25
26
27
28
| Позиция на иллюстрации | Заводской номер детали | Название детали | |
|---|---|---|---|
| Ролик | Ролик | Ролик | |
| 236-1007180-А | 236-1007180-А | Толкатель | |
| 236-1007010-В2 | 236-1007010-В2 | Клапан впускной | |
| 1 | 236-1007247-Б | Втулка оси толкателей задняя | |
| 2 | 236-1007236 | Ось толкателей крайняя | |
| 3 | 236-1007186 | Втулка толкателя | |
| 4 | 236-1007246 | Втулка оси толкателей промежуточная | |
| 5 | 236-1007242 | Ось толкателя средняя | |
| 6 | 236-1007248 | Втулка толкателей распорная | |
| 7 | 236-1007244 | Втулка оси толкателей передняя | |
| 8 | 236-1007180 | Толкатель коромысла в сборе | |
| 9 | 201.1007194 | Ось ролика | |
| 10 | 4694161251 | Ролик 1,5х13,8А5 | |
| 11 | 201.1007190 | Ролик толкателя | |
| 12 | 236-1007176-А | Штанга толкателя | |
| 13 | 236-1007148-Б | Винт регулировочный | |
| 14 | 311516-П15 | Гайка | |
| 15 | 236-1007144-В | Коромысло клапана с втулкой в сборе | |
| 16 | 236-1007118-В | Втулка коромысла клапана | |
| 17 | 236-1007103-А | Кольцо пружинное упорное | |
| 18 | 312392-П2 | Шайба упорная | |
| 19 | 236-1007024-В | Тарелка пружины клапана | |
| 20 | 236-1007015-В4 | Клапан выпускной в сборе | |
| 21 | 236-1007028-А | Сухарь клапана | |
| 22 | 236-1007026-Б | Втулка тарелки пружины клапана | |
| 23 | 310124-П2 | Болт | |
| 24 | 236-1007091-Б2 | Ось коромысла в сборе | |
| 25 | 236-1007020-А | Пружина клапана наружная | |
| 26 | 236-1007021-А | Пружина клапана внутренняя | |
| 27 | 236-1007010-В | Клапан впускной | |
| 28 | 236-1007025-Б | Шайба пружин клапана |
Содержащиеся в справочниках-каталогах запасные части и детали не предлагаются к продаже, а носят исключительно информационный характер