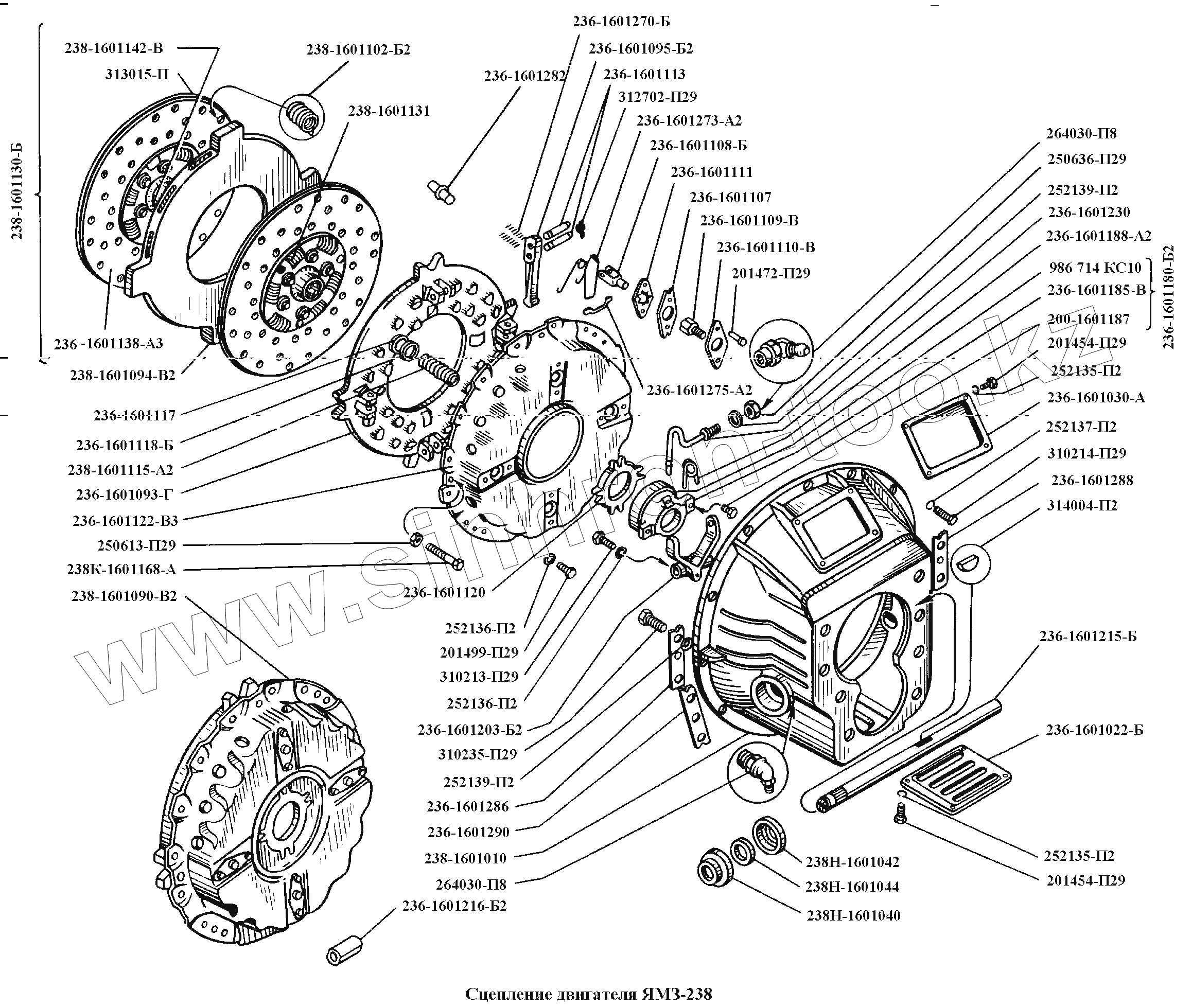
Каталог запасных частей к технике: ЯМЗ-236, -238, -238НБ. Сцепление двигателя ЯМЗ-238
236-1601282
236-1601120
238-1601142-В
313015-П
238-1601130-Б
236-1601138-А3
238-1601094-В2
236-1601117
236-1601118-Б
238-1601115-А2
236-1601093-Г
250613-П29
238К-1601168-А
238-1601102-Б2
238-1601131
236-1601203-Б2
236-1601270-Б
236-1601095-Б2
236-1601113
312702-П29
236-1601108-Б
236-1601111
236-1601107
236-1601109-В
236-1601110-В
201472-П29
238Н-1601042
236-1601122-В3
238-1601090-В2
236-1601275-А2
236-1601030-А
201499-П29
250636-П29
252136-П2
252136-П2
252137-П2
252135-П2
252135-П2
252139-П2
252139-П2
264030-П8
264030-П8
310213-П29
236-1601230
236-1601273-А2
236-1601188-А2
986714КС10
236-1601185-В
200-1601187
201454-П29
201454-П29
310214-П29
236-1601288
314004-П2
236-1601180-Б2
236-1601215-Б
236-1601022-Б
238Н-1601044
238Н-1601040
236-1601216-Б2
238-1601010
236-1601290
236-1601286
310235-П29
| Позиция на иллюстрации | Заводской номер детали | Название детали | |
|---|---|---|---|
| 236-1601282 | 236-1601282 | Штифт со стопорным кольцом | |
| 236-1601120 | 236-1601120 | Кольцо упорное | |
| 238-1601142-В | 238-1601142-В | Ступица | |
| 313015-П | 313015-П | Заклепка | |
| 238-1601130-Б | 238-1601130-Б | Диск ведомый передний в сборе | |
| 236-1601138-А3 | 236-1601138-А3 | Накладка фрикционная | |
| 238-1601094-В2 | 238-1601094-В2 | Диск ведущий средний | |
| 236-1601117 | 236-1601117 | Шайба | |
| 236-1601118-Б | 236-1601118-Б | Прокладка | |
| 238-1601115-А2 | 238-1601115-А2 | Пружина нажимная | |
| 236-1601093-Г | 236-1601093-Г | Диск нажимной | |
| 250613-П29 | 250613-П29 | Гайка | |
| 238К-1601168-А | 238К-1601168-А | Винт регулировочный | |
| 238-1601102-Б2 | 238-1601102-Б2 | Пружина | |
| 238-1601131 | 238-1601131 | Диск сцепления ведомый задний в сборе | |
| 236-1601203-Б2 | 236-1601203-Б2 | Вилка выключения сцепления | |
| 236-1601270-Б | 236-1601270-Б | Ролик игольчатый | |
| 236-1601095-Б2 | 236-1601095-Б2 | Рычаг оттяжной | |
| 236-1601113 | 236-1601113 | Ось вилки рычага | |
| 312702-П29 | 312702-П29 | Шайба замковая | |
| 236-1601108-Б | 236-1601108-Б | Вилка оттяжного рычага | |
| 236-1601111 | 236-1601111 | Пластина стопорная | |
| 236-1601107 | 236-1601107 | Планка стопорная | |
| 236-1601109-В | 236-1601109-В | Гайка вилки регулировочная | |
| 236-1601110-В | 236-1601110-В | Пластина опорная | |
| 201472-П29 | 201472-П29 | Болт | |
| 238Н-1601042 | 238Н-1601042 | Кольцо уплотнительное внутреннее | |
| 236-1601122-В3 | 236-1601122-В3 | Кожух | |
| 238-1601090-В2 | 238-1601090-В2 | Диск нажимной с кожухом | |
| 236-1601275-А2 | 236-1601275-А2 | Петля пружины | |
| 236-1601030-А | 236-1601030-А | Крышка люка | |
| 201499-П29 | 201499-П29 | Болт 10-6gх30 | |
| 250636-П29 | 250636-П29 | Гайка | |
| 252136-П2 | 252136-П2 | Шайба 10 пружинная | |
| 252137-П2 | 252137-П2 | Шайба пружинная | |
| 252135-П2 | 252135-П2 | Шайба пружинная | |
| 252139-П2 | 252139-П2 | Шайба пружинная | |
| 264030-П8 | 264030-П8 | Масленка | |
| 310213-П29 | 310213-П29 | Болт | |
| 236-1601230 | 236-1601230 | Шланг смазки подшипника в сборе | |
| 236-1601273-А2 | 236-1601273-А2 | Пружина упорного кольца | |
| 236-1601188-А2 | 236-1601188-А2 | Пружина муфты | |
| 986714КС10 | 986714КС10 | Подшипник | |
| 236-1601185-В | 236-1601185-В | Муфта | |
| 200-1601187 | 200-1601187 | Сухарь муфты | |
| 201454-П29 | 201454-П29 | Болт М8х16 | |
| 310214-П29 | 310214-П29 | Болт | |
| 236-1601288 | 236-1601288 | Планка стопорная правая | |
| 314004-П2 | 314004-П2 | Шпонка | |
| 236-1601180-Б2 | 236-1601180-Б2 | Муфта выключения сцепления с подшипником в сборе | |
| 236-1601215-Б | 236-1601215-Б | Вал вилки выключения сцепления | |
| 236-1601022-Б | 236-1601022-Б | Крышка люка картера нижняя | |
| 238Н-1601044 | 238Н-1601044 | Кольцо уплотнительное наружное | |
| 238Н-1601040 | 238Н-1601040 | Корпус уплотнителя вала | |
| 236-1601216-Б2 | 236-1601216-Б2 | Втулка вала вилки | |
| 238-1601010 | 238-1601010 | Картер сцепления | |
| 236-1601290 | 236-1601290 | Планка стопорная левая | |
| 236-1601286 | 236-1601286 | Планка стопорная верхняя | |
| 310235-П29 | 310235-П29 | Болт |
Содержащиеся в справочниках-каталогах запасные части и детали не предлагаются к продаже, а носят исключительно информационный характер