Каталог запасных частей к технике: XINCHAI 490BPG. Fuel supply system assembly
1
2
3
4
4
5
5
6
7
8
9
10
11
12
13
14
15
16
17
18
19
20
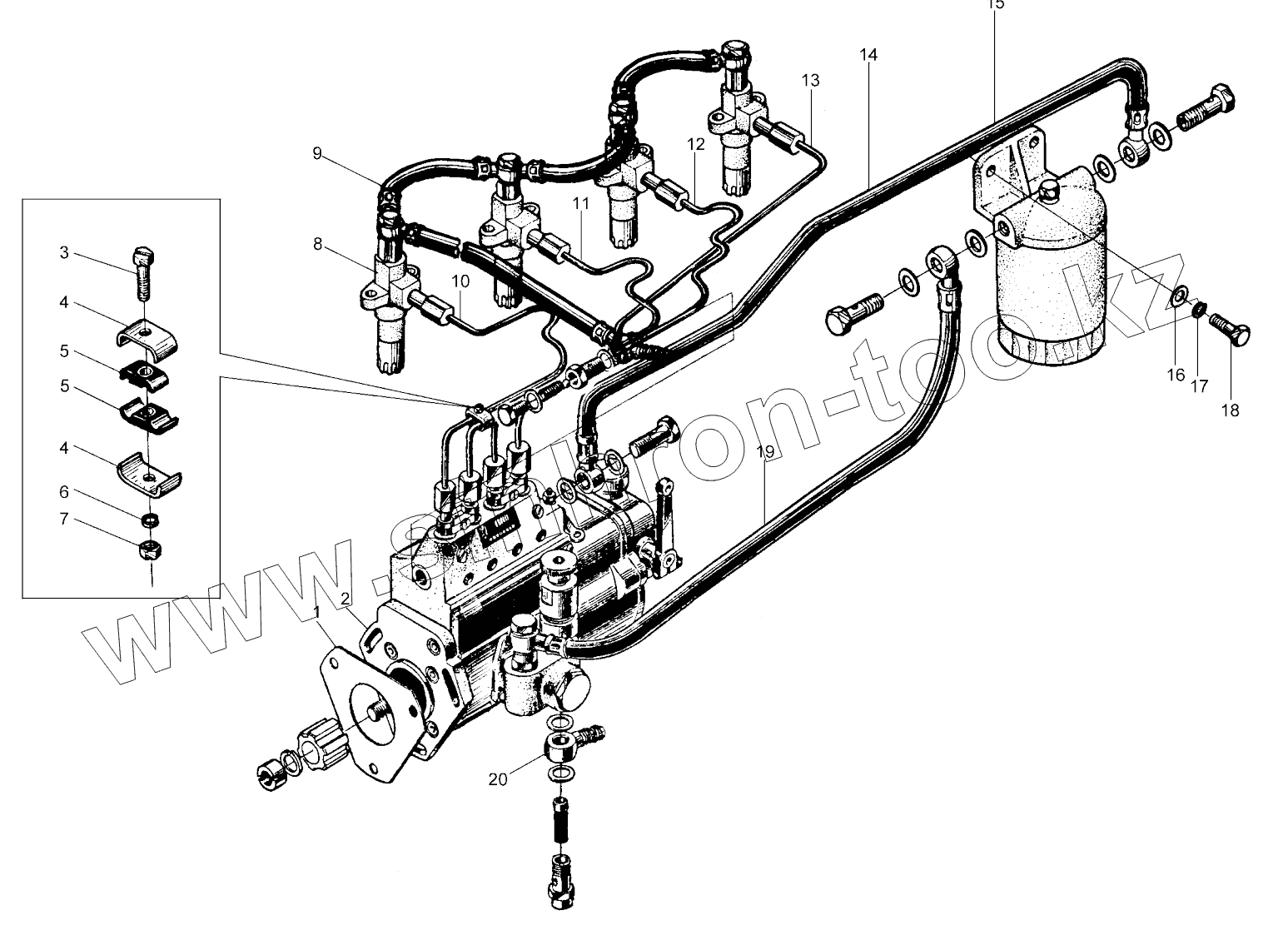
| Позиция на иллюстрации | Заводской номер детали | Название детали | |
|---|---|---|---|
| 1 | 490B-21002 | Gasket | |
| 2 | 490B-21001 | Fuel injection pump | |
| 3 | GB/T29-1-1988 | Bolt | |
| 4 | 490B-23501 | Clamp | |
| 5 | 490B-23502 | Rubber gasket | |
| 6 | GB/T93-1987 | Spring washer | |
| 7 | GB/T6172-2000 | Nut | |
| 8 | 490B-22000 | Fuel injector | |
| 9 | 490B-25100-2 | Injector leak-off pipe | |
| 10 | 490B-23100 | 1st cylinder high pressure fuel tube | |
| 11 | 490B-23200 | 2nd cylinder high pressure fuel tube | |
| 12 | 490B-23300 | 3rd cylinder high pressure fuel tube | |
| 13 | 490B-23400 | 4th cylinder high pressure fuel tube | |
| 14 | 490B-25200 | Fuel supply tube from fuel filter to injection pump | |
| 15 | 490B-24000A | Fuel filter | |
| 16 | GB/T97-1-1985 | Washer | |
| 17 | GB/T93-1987 | Spring washer | |
| 18 | GB/T5783-2000 | Bolt | |
| 19 | 490B-25300 | Fuel supply tube from supply pump to fuel filter | |
| 20 | 490B-25401-4 | Fuel supply pump connector |
Содержащиеся в справочниках-каталогах запасные части и детали не предлагаются к продаже, а носят исключительно информационный характер