Каталог запасных частей к технике: XINCHAI 485. Газораспределительная система
1
2
3
3
3
3
3
3
3
3
3
3
3
3
3
3
3
4
4
4
4
4
4
4
4
4
4
4
5
6
7
8
9
10
11
12
13
14
15
16
17
18
19
20
20
20
21
22
23
24
25
26
27
28
29
30
31
32
33
34
35
36
37
39
40
41
42
43
44
45
46
47
48
49
50
51
52
53
54
55
56
57
57
58
59
60
61
62
63
64
65
66
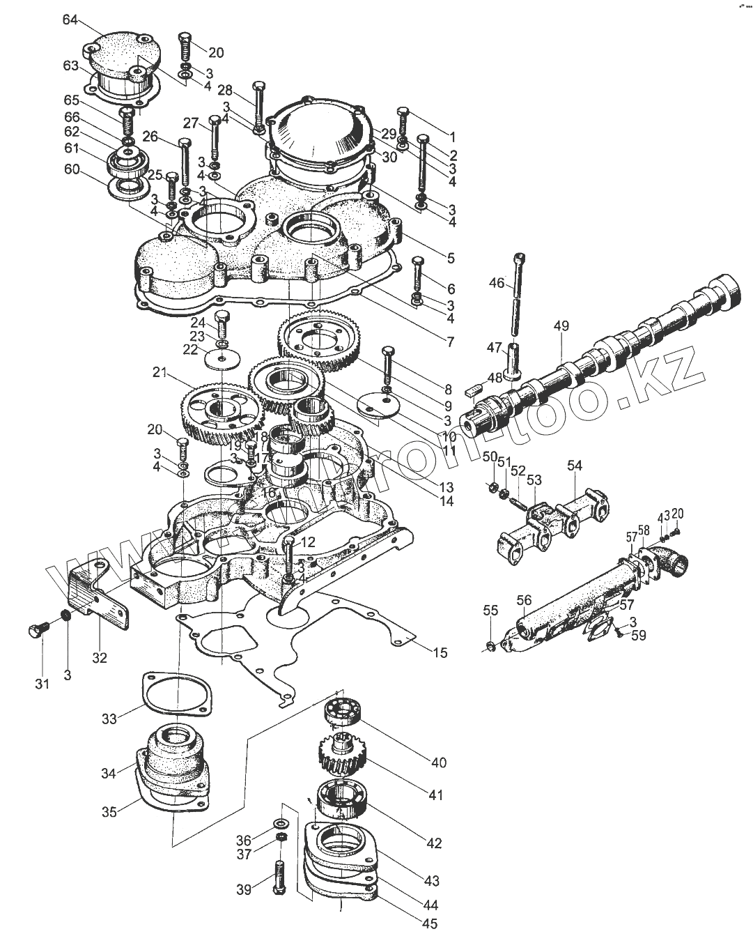
| Позиция на иллюстрации | Заводской номер детали | Название детали | |
|---|---|---|---|
| 1 | GB/T5782-2000 | Bolt | |
| 2 | GB/T5782-2000 | Bolt | |
| 3 | GB/T93-1987 | Spring washer | |
| 4 | GB/T97-1-1985 | Washer | |
| 5 | NB485BPG-16001 | Крышка картера | |
| 6 | GB/T5782-2000 | Bolt | |
| 7 | NA485BPG-16002 | Прокладка | |
| 8 | GB/T5782-2000 | Bolt | |
| 9 | NA485BPG-02003 | Распределительная шестерня топливного насоса | |
| 10 | NA385B-02012 | Прижимная пластина распределительной шестерни | |
| 11 | NA485BPG-02006 | Промежуточная шестерня | |
| 12 | GB/T5782-2000 | Bolt | |
| 13 | NA485BPG-16003 | Картер | |
| 14 | NA485BPG-02007 | Распределительная шестерня коленчатого вала | |
| 15 | NA485BPG-16009 | Прокладка картера | |
| 16 | NA385B-02008 | Стопорная пластина коленчатого вала | |
| 17 | NA485BPG-02004A | Вал распределительной шестерни | |
| 18 | NA485BPG-02005 | Втулка распределительной шестерни | |
| 19 | GB/T5783-2000 | Bolt | |
| 20 | GB/T5783-2000 | Bolt | |
| 21 | NA485BPG-02009 | Шестерня распределительного вала | |
| 22 | NA385B-02011 | Прижимная шайба распределительного вала | |
| 23 | GB/T93-1987 | Spring washer | |
| 24 | GB/T5783-2000 | Bolt | |
| 25 | GB/T5782-2000 | Bolt | |
| 26 | GB/T5782-2000 | Bolt | |
| 27 | GB/T5782-2000 | Bolt | |
| 28 | GB/T5782-2000 | Bolt | |
| 29 | NA385B-16005 | Крышка топливного насоса | |
| 30 | NA385B-16006 | Прокладка крышки топливного насоса | |
| 31 | GB/T5783-2000 | Bolt | |
| 32 | NA485BPG-53002 | Кронштейн | |
| 33 | NA485BPG-16021 | Прокладка корпуса гидронасоса | |
| 34 | NA485BPG-16020 | Корпус привода гидронасоса | |
| 35 | NA485BPG-16022 | Соединительная прокладка гидронасоса | |
| 36 | GB/T97-1-1985 | Washer | |
| 37 | GB/T93-1987 | Spring washer | |
| 39 | GB/T5782-2000 | Bolt | |
| 40 | GB/T276-1994 | Bearing | |
| 41 | NA485BPG-02017 | Шестерня привода гидронасоса | |
| 42 | GB/T292-1994 | Подшипник | |
| 43 | NA485BPG-16023 | Соединительная пластина гидронасоса | |
| 44 | NA485BPG-16024 | Прокладка гидронасоса | |
| 45 | NA485BPG-16025 | Торцевая заглушка | |
| 46 | NA385B-06003 | Штанга толкателя | |
| 47 | NA385B-06002 | Толкатель | |
| 48 | GB/T1096-1988 | Шпонка | |
| 49 | NB485BPG-06001 | Распределительный вал | |
| 50 | GB/T6173-2000 | Nut | |
| 51 | GB/T6171-2000 | Nut | |
| 52 | GB/T898-1988 | Болт | |
| 53 | Прокладка | Прокладка выпускного коллектора | |
| 54 | NB485B-08001-3 | Выпускной коллектор | |
| 55 | ZBT32003-88 | Заглушка | |
| 56 | NA485B-09002 | Воздухозаборная трубка | |
| 57 | NA485B-09004 | Прокладка воздухозаборной трубки | |
| 58 | NA485BPG-09003-2 | Соединительная трубка | |
| 59 | GB/T5783-2000 | Bolt | |
| 60 | NB485BPG-16033 | Втулка подшипника распредвала | |
| 61 | GB/T276-1994 | Bearing | |
| 62 | NB485BPG-16032 | Накладка опорная подшипника | |
| 63 | NB485BPG-16034 | Посадочная поверхность подшипника распредвала | |
| 64 | NB485BPG-16031 | Гнездо подшипника распределительного вала | |
| 65 | GB/T5783-2000 | Bolt | |
| 66 | GB/T93-1987 | Spring washer |
Содержащиеся в справочниках-каталогах запасные части и детали не предлагаются к продаже, а носят исключительно информационный характер