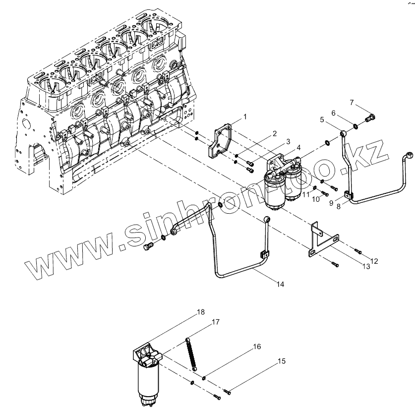
Каталог запасных частей к технике: Weichai WP6G140E22. Fuel filter assembly
1
2
3
4
5
6
7
8
9
10
11
12
13
14
15
16
17
18
| Позиция на иллюстрации | Заводской номер детали | Название детали | |
|---|---|---|---|
| 1 | 13024152 | Стойка топливного фильтра | |
| 2 | 01177981 | Пружинная шайба | |
| 3 | 01110560 | Inner hexagon screw | |
| 4 | 12189882 | Блок топливного фильтра | |
| 5 | 13031600 | Fuel pipe assembly | |
| 6 | 612600080200 | Шайба уплотнительная | |
| 7 | 01119243 | Пустотелый болт | |
| 8 | 13032541 | Pipe Clamp Assembly | |
| 9 | 13032540 | Pipe Clamp Assembly | |
| 10 | 01112416 | Hexagon bolt | |
| 11 | 01107284 | Волнистая упругая шайба | |
| 12 | 01112267 | Шестиугольный головочный болт | |
| 13 | 13035993 | Fuel pipe bracket | |
| 14 | 13031599 | Fuel pipe assembly | |
| 15 | 01151548 | Hexagon bolt | |
| 16 | 01151002 | Пластичная шайба | |
| 17 | 13026355 | Fuel pipe | |
| 18 | 612600081320 | Fuel filter-water separator |
Содержащиеся в справочниках-каталогах запасные части и детали не предлагаются к продаже, а носят исключительно информационный характер