Вернуться на главную
Поиск
Каталоги запчастей к технике
Двигатели
Weichai
WP6D132E200
Cooling water pipe assembly
Каталог запасных частей к технике: Weichai WP6D132E200. Cooling water pipe assembly
zoom-in
zoom-out
enlarge
shrink
circle-right
circle-left
file-text2
info
cart
Тип техники
Не выбрано
Легковые автомобили
Грузовые автомобили и прицепы
Автобусы
Сельхозтехника
Спецтехника
Двигатели
Мототехника
Марка
Не выбрано
BAW
Caterpillar
Cummins
DCEC
DongFeng
Doosan
FAW
Great Wall
Hitachi
HOWO
HSW
IVECO
Komatsu
LGMG
Perkins
Raywin
SDEC
Shaanxi
Valmet
Weichai
XINCHAI
YTO
Yuchai
ZF
Алтайдизель
Барнаултрансмаш
ВТЗ
ГАЗ
ЗиД
ЗМЗ
Камский автозавод
ММЗ
СМД
ТМЗ
УМЗ
ЧТЗ
ЮМЗ
ЯЗДА
ЯМЗ
Модель
Не выбрано
226B
226B
226B
226B (2010)
4M06G17
4M06G22
6M11 DHM11D0002 (2010)
6M11 DHM11D0003 (2010)
6M11 DHM16D0001
6M11 DHM16D0002
6M11 DHM16D0006
BAUDOUIN 3M10
BAUDOUIN 4M06G33
BAUDOUIN 4M06G44
BAUDOUIN 4M06G50
WD10 DHD10C0009
WD10 G220E23 (2017)
WD10G178E25 (Евро 2) (2013)
WD10G220E21 (2013)
WD10G220E21 (2017)
WD10G220E22
WD10G220E23 (Евро 2) (2013)
WD12.420 (2014)
WD615 (Евро 2) (2006)
WD615 (Евро 3) (2007)
WD615G0165, WD10G0004 (2009)
WP10 (Евро 2) (2007)
WP10 DHL10Q0032
WP10 DHL10Q0213
WP10 DHP10Q0168
WP10 DHP10Q1242
WP10.336E40
WP10336E40 (Евро 4) (2013)
WP10336N (Евро 3) (2013)
WP10340E32 (Евро 2) (2013)
WP10NG DHP10Q1667
WP12 (Евро 3) (2007)
WP12 375E40 (Евро 4) (2013)
WP12 DHP12N0219
WP12 DHP12Q0501
WP12.375E50 (2019)
WP12.400E50 (2020)
WP12NG380E51 (2020)
WP13 DHP13Q0928 (2021)
WP13 DHP13Q3390
WP2.1D18E2 (2013)
WP4.1 DH4.1K0320 (2019)
WP4.1 DHN4.1Q0006 (2020)
WP6 DHB06D0018
WP6 DHB06G0131
WP6D132E200
WP6G125E22 (2013)
WP6G140E22 (2013)
WP6G175E201 (2015)
WP7
WP7 DHP07T0067 (2023)
WP7.300E51
WP8 DHP08Q0162 (2022)
Схема
>
Не выбрано
Engine Block Group
Cylinder block subassembly
Front wall cover assembly (gear end)
Front wall cover subassembly (gear end)
Intermediate gear
Flywheel end rear oil seal cover assembly
Flywheel end rear oil seal cover assembly
Nozzle assembly
Crankcase ventilation device assembly
Hydraulic Pump Group
Oil pan assembly
Crankshaft Group
Main Bearing Set
Thrust main bearing bush assembly
Main Bearing Set
Thrust Plate Assembly
Flywheel assembly
Flywheel assembly
Crankshaft Pulley Assembly
Wheel hub assembly
Piston and Connecting Rod Group
Piston and Connecting Rod Group
Piston assembly
Connecting rod assembly
Connecting Rod Bearing Set
Cylinder head assembly
Cylinder head subassembly
Cylinder head assembly
Rocker arm stand assembly
Rocker sub-assembly
Cylinder Head Cover Group
Camshaft assembly
Valve drive assembly
Oil pump
Oil filter assembly
Oil cooler assembly
Oil inlet pipe assembly
Turbocharger Oil pipe Group
Fuel Injection Pump Group
Injector assembly
Injector Return Pipe Group
Fuel filter assembly
Fuel filter
High Pressure Fuel Injection Pipe Group
Air inlet pipe assembly
Intake Manifold Subassembly
Air Filter Group
Air filter
Water pump assembly
Intermediate block assembly
Water Pump Pulley Assembly
Cooling water pipe assembly
Exhaust Manifold Group
Silencer Group
Turbocharger assembly
Alternator bracket assembly
Generator Group
Starter Motor Group
Engine Bracket Group
Flywheel housing assembly
Water Inlet Pipe Group
Compressor Pipeline Group
Parts Box Group
Packing Box Chassis Parts Group
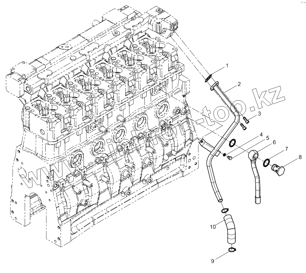
1
2
3
4
5
6
7
8
9
10
Позиция на иллюстрации
Заводской номер детали
Название детали
1
13059425
Gasket
2
13038276
Water return pipe of oil cooler
3
01110560
Inner hexagon screw
4
01177981
Пружинная шайба
5
01151569
Шестиугольный головочный болт
6
13035193
Water inlet pipe of oil cooler
7
13034050
Unit seal washer
8
13033424
Hollow bolt
9
12151665
Хомут рукава
10
13035095
Coolant Connecting Rubber Pipe
Содержащиеся в справочниках-каталогах запасные части и детали не предлагаются к продаже, а носят исключительно информационный характер
Дополнительная информация
×
Название:
Номер:
Примечание: