Вернуться на главную
Поиск
Каталоги запчастей к технике
Двигатели
Weichai
WP4.1 DH4.1K0320
Engine Harness Group
Каталог запасных частей к технике: Weichai WP4.1 DH4.1K0320. Engine Harness Group
zoom-in
zoom-out
enlarge
shrink
circle-right
circle-left
file-text2
info
cart
Тип техники
Не выбрано
Легковые автомобили
Грузовые автомобили и прицепы
Автобусы
Сельхозтехника
Спецтехника
Двигатели
Мототехника
Марка
Не выбрано
BAW
Caterpillar
Cummins
DCEC
DongFeng
Doosan
FAW
Great Wall
Hitachi
HOWO
HSW
IVECO
Komatsu
LGMG
Perkins
Raywin
SDEC
Shaanxi
Valmet
Weichai
XINCHAI
YTO
Yuchai
ZF
Алтайдизель
Барнаултрансмаш
ВТЗ
ГАЗ
ЗиД
ЗМЗ
Камский автозавод
ММЗ
СМД
ТМЗ
УМЗ
ЧТЗ
ЮМЗ
ЯЗДА
ЯМЗ
Модель
Не выбрано
226B
226B
226B
226B (2010)
4M06G17
4M06G22
6M11 DHM11D0002 (2010)
6M11 DHM11D0003 (2010)
6M11 DHM16D0001
6M11 DHM16D0002
6M11 DHM16D0006
BAUDOUIN 3M10
BAUDOUIN 4M06G33
BAUDOUIN 4M06G44
BAUDOUIN 4M06G50
WD10 DHD10C0009
WD10 G220E23 (2017)
WD10G178E25 (Евро 2) (2013)
WD10G220E21 (2013)
WD10G220E21 (2017)
WD10G220E22
WD10G220E23 (Евро 2) (2013)
WD12.420 (2014)
WD615 (Евро 2) (2006)
WD615 (Евро 3) (2007)
WD615G0165, WD10G0004 (2009)
WP10 (Евро 2) (2007)
WP10 DHL10Q0032
WP10 DHL10Q0213
WP10 DHP10Q0168
WP10 DHP10Q1242
WP10.336E40
WP10336E40 (Евро 4) (2013)
WP10336N (Евро 3) (2013)
WP10340E32 (Евро 2) (2013)
WP10NG DHP10Q1667
WP12 (Евро 3) (2007)
WP12 375E40 (Евро 4) (2013)
WP12 DHP12N0219
WP12 DHP12Q0501
WP12.375E50 (2019)
WP12.400E50 (2020)
WP12NG380E51 (2020)
WP13 DHP13Q0928 (2021)
WP13 DHP13Q3390
WP2.1D18E2 (2013)
WP4.1 DH4.1K0320 (2019)
WP4.1 DHN4.1Q0006 (2020)
WP6 DHB06D0018
WP6 DHB06G0131
WP6D132E200
WP6G125E22 (2013)
WP6G140E22 (2013)
WP6G175E201 (2015)
WP7
WP7 DHP07T0067 (2023)
WP7.300E51
WP8 DHP08Q0162 (2022)
Схема
>
Не выбрано
Engine Block Group
Crankcase assembly
Crankcase pre-assembly
Oil Seal Group
Spray Nozzle Group
Piston Nozzle Assembly
Flywheel Housing Group
Gear Housing Cover Group
Gear Housing Group
Gear Box Assembly
Crankshaft Group
Main Bearing Group
Main Bearing Set
Thrust Plate Group
Thrust Plate
Flywheel Group
Flywheel Assembly
Piston and Connecting Rod Group
Piston Ring Set
Connecting Rod Assembly
Cylinder Head Group
Cylinder Head Subassembly
Eye Ring Group
Cylinder Head Cover Group
Oil filling port cover assembly
Valve Train Group
Integrated Rocker Arm Shaft Assembly
Rocker arm assembly
Gear Drive Group
Idler Gear Set
Crankshaft Pulley Group
Oil Pan Group
Oil Drain Plug
Oil Dipstick Group
Oil Pump Group
Oil Pump Drivien Gear
Oil Cooler Group
Oil Cooler Assembly
Oil Filter Group
Pressure-limiting Valve Group
Water Pump Group
Water Pump Inlet Pipe Group
Water Draining Valve Group
Thermostat Group
Fan and Hub Group
Fuel Injection Pump Group
Fuel Injector Group
Low Pressure Fuel Pipe Group
Fuel Filter Group
Fuel Fine Filter
High Pressure Fuel Pipe Group
High-pressure Fuel Pipe Assembly
Common Rail Group
Intake Manifold Group
Turbocharger Group
Turbocharger Oil Pipe Group
Compressor Pipe Group
Exhaust Manifold Group
Air Conditioning Compressor Group
Air Compressor Group
Tensioner And Belt Group
Steering Pump Group
Starter Motor Group
Engine Bracket Group
Engine Peripheral Device Support Group
Packing Box Chassis Parts Group
Fuel System Protector
Separate Delivery Parts Group Attached to Engine
SCR Box Assembly
Integrated Urea Tank Assembly
Urea Tank Assembly
Parts Box Group
Fuel Coarse Filter
Connector Assembly
Connector
Matching Connector
Fuel heating Conneting parts
Starting relay Conneting parts
Matching Connector
Connector
Connector
Electronic Control Unit Group
Engine Harness Group
Alternator Group
Alternator Bracket Group
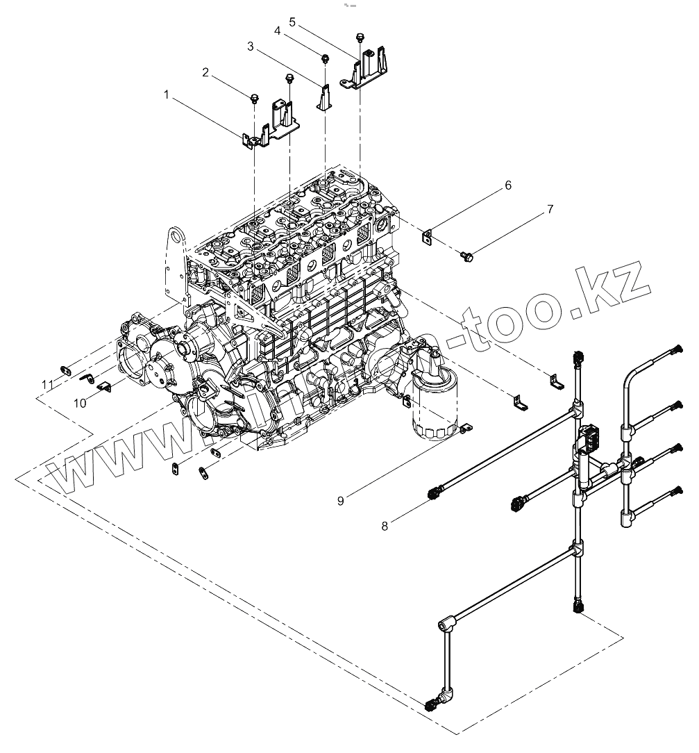
1
2
3
4
5
6
7
8
9
10
11
Позиция на иллюстрации
Заводской номер детали
Название детали
1
1000586623
Harness Bracket
2
9000000722
Hexagon Flange Bolt
3
1000138755
Harness Bracket
4
9000000479
Hexagon Flange Bolt
5
1000587205
Harness Bracket
6
612600081698
Harness bracket
7
90011400027
Hexagon Flange Bolt
8
1000577142
Engine Harness
9
2014801
Harness Bracket
10
2102040206
Harness Bracket
11
610800080165
Harness bracket
Содержащиеся в справочниках-каталогах запасные части и детали не предлагаются к продаже, а носят исключительно информационный характер
Дополнительная информация
×
Название:
Номер:
Примечание: