Вернуться на главную
Поиск
Каталоги запчастей к технике
Двигатели
Weichai
WP13 DHP13Q3390
Air Compressor Group
Каталог запасных частей к технике: Weichai WP13 DHP13Q3390. Air Compressor Group
zoom-in
zoom-out
enlarge
shrink
circle-right
circle-left
file-text2
info
cart
Тип техники
Не выбрано
Легковые автомобили
Грузовые автомобили и прицепы
Автобусы
Сельхозтехника
Спецтехника
Двигатели
Мототехника
Марка
Не выбрано
BAW
Caterpillar
Cummins
DCEC
DongFeng
Doosan
FAW
Great Wall
Hitachi
HOWO
HSW
IVECO
Komatsu
LGMG
Perkins
Raywin
SDEC
Shaanxi
Valmet
Weichai
XINCHAI
YTO
Yuchai
ZF
Алтайдизель
Барнаултрансмаш
ВТЗ
ГАЗ
ЗиД
ЗМЗ
Камский автозавод
ММЗ
СМД
ТМЗ
УМЗ
ЧТЗ
ЮМЗ
ЯЗДА
ЯМЗ
Модель
Не выбрано
226B
226B
226B
226B (2010)
4M06G17
4M06G22
6M11 DHM11D0002 (2010)
6M11 DHM11D0003 (2010)
6M11 DHM16D0001
6M11 DHM16D0002
6M11 DHM16D0006
BAUDOUIN 3M10
BAUDOUIN 4M06G33
BAUDOUIN 4M06G44
BAUDOUIN 4M06G50
WD10 DHD10C0009
WD10 G220E23 (2017)
WD10G178E25 (Евро 2) (2013)
WD10G220E21 (2013)
WD10G220E21 (2017)
WD10G220E22
WD10G220E23 (Евро 2) (2013)
WD12.420 (2014)
WD615 (Евро 2) (2006)
WD615 (Евро 3) (2007)
WD615G0165, WD10G0004 (2009)
WP10 (Евро 2) (2007)
WP10 DHL10Q0032
WP10 DHL10Q0213
WP10 DHP10Q0168
WP10 DHP10Q1242
WP10.336E40
WP10336E40 (Евро 4) (2013)
WP10336N (Евро 3) (2013)
WP10340E32 (Евро 2) (2013)
WP10NG DHP10Q1667
WP12 (Евро 3) (2007)
WP12 375E40 (Евро 4) (2013)
WP12 DHP12N0219
WP12 DHP12Q0501
WP12.375E50 (2019)
WP12.400E50 (2020)
WP12NG380E51 (2020)
WP13 DHP13Q0928 (2021)
WP13 DHP13Q3390
WP2.1D18E2 (2013)
WP4.1 DH4.1K0320 (2019)
WP4.1 DHN4.1Q0006 (2020)
WP6 DHB06D0018
WP6 DHB06G0131
WP6D132E200
WP6G125E22 (2013)
WP6G140E22 (2013)
WP6G175E201 (2015)
WP7
WP7 DHP07T0067 (2023)
WP7.300E51
WP8 DHP08Q0162 (2022)
Схема
>
Не выбрано
Engine Block Group
Crankcase assembly
Crankcase pre-assembly
Oil Seal Group
Spray Nozzle Group
Flywheel Housing Group
Front End Cover Group
Crankshaft Group
Crankshaft Assembly
Crankshaft Subassembly
Main Bearing Group
Thrust Plate Group
Flywheel Group
Piston and Connecting Rod Group
Piston Ring Set
Connecting Rod Assembly
Cylinder Head Group
Cylinder Head Subassembly
Lift Lug Group
Cylinder Head Cover Group
Oil-gas Separator Group
Valve Train Group
Rocker Arm Set
EVB Bracket Assembly
Camshaft Assembly
Gear Drive Group
Idler Gear Assembly
Idler Gear Set
Crankshaft Pulley Group
Oil Pan Group
Oil Pan Assembly
Oil Dipstick Group
Dipstick Assembly
Oil Pump Group
Oil Strainer Group
Oil Cooler Group
Oil cooler cap Group
Oil Filter Group
Oil Filter
Oil Filling Tube Group
Water Pump Group
Water Pump Inlet Pipe Group
Water Pipe Assembly
Water Pipe Connector Group
Venting Pipe Group
Thermostat Group
Fan Bracket Group
Fan and Hub Group
Fuel Injection Pump Group
Fuel Injection Pump Assembly
Fuel Injection Pump Oil Pipe Group
Fuel Injector Group
High-pressure Connector
Fuel Injector
Low Pressure Fuel Pipe Group
Fuel Filter Group
Fuel Filter Assembly
High Pressure Fuel Pipe Group
High-pressure Fuel Pipe Assembly
High-pressure Fuel Pipe Assembly
Common Rail Group
Intake Manifold Group
Intake Manifold Assembly
Turbocharger Group
Heat Shield Group
Turbocharger Oil Pipe Group
Compressor Pipe Group
Exhaust Manifold Group
Rear Exhaust Manifold Group
Air Compressor Group
Air Compressor Assembly
Hydraulic Pump Group
Tensioner And Belt Group
Starter Motor Group
Engine Peripheral Device Support Group
Packing Box Chassis Parts Group
Urea Pump
Separate Delivery Parts Group Attached to Engine
SCR Box Assembly
Urea Nozzle
Parts Kit Group
Fuel System Protector
Electronic Control Unit Group
Electronic Control System Harness Group
Alternator Group
Alternator Bracket Group
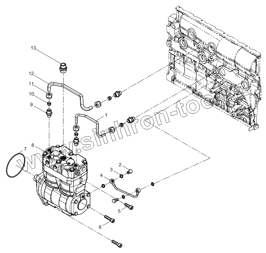
1
2
3
4
5
6
7
8
9
10
11
12
13
Позиция на иллюстрации
Заводской номер детали
Название детали
1
1001474065
Air Compressor Water Pipe
2
612639000047
Пустотелый болт
3
13057039
Unit seal washer
4
1003370376
Air Compressor Oil Pipe Assembly
5
90013550004S
Inner hexagon screw
6
90003862532S
Inner hexagon screw
7
612639000039
О-образное уплотнительное кольцо
8
1003185665
Air Compressor Assembly
9
1000879941S
Ferrule Straight Thread Elbow-body
10
1000886100
Ferrule
11
612639000022
Соединительная гайка
12
1000984919
Air Compressor Water Pipe
13
612639000060S
Pipe Joint
Содержащиеся в справочниках-каталогах запасные части и детали не предлагаются к продаже, а носят исключительно информационный характер
Дополнительная информация
×
Название:
Номер:
Примечание: