Вернуться на главную
Поиск
Каталоги запчастей к технике
Двигатели
Weichai
WP13 DHP13Q0928
Rear Exhaust Manifold Group
Каталог запасных частей к технике: Weichai WP13 DHP13Q0928. Rear Exhaust Manifold Group
zoom-in
zoom-out
enlarge
shrink
circle-right
circle-left
file-text2
info
cart
Тип техники
Не выбрано
Легковые автомобили
Грузовые автомобили и прицепы
Автобусы
Сельхозтехника
Спецтехника
Двигатели
Мототехника
Марка
Не выбрано
BAW
Caterpillar
Cummins
DCEC
DongFeng
Doosan
FAW
Great Wall
Hitachi
HOWO
HSW
IVECO
Komatsu
LGMG
Perkins
Raywin
SDEC
Shaanxi
Valmet
Weichai
XINCHAI
YTO
Yuchai
ZF
Алтайдизель
Барнаултрансмаш
ВТЗ
ГАЗ
ЗиД
ЗМЗ
Камский автозавод
ММЗ
СМД
ТМЗ
УМЗ
ЧТЗ
ЮМЗ
ЯЗДА
ЯМЗ
Модель
Не выбрано
226B
226B
226B
226B (2010)
4M06G17
4M06G22
6M11 DHM11D0002 (2010)
6M11 DHM11D0003 (2010)
6M11 DHM16D0001
6M11 DHM16D0002
6M11 DHM16D0006
BAUDOUIN 3M10
BAUDOUIN 4M06G33
BAUDOUIN 4M06G44
BAUDOUIN 4M06G50
WD10 DHD10C0009
WD10 G220E23 (2017)
WD10G178E25 (Евро 2) (2013)
WD10G220E21 (2013)
WD10G220E21 (2017)
WD10G220E22
WD10G220E23 (Евро 2) (2013)
WD12.420 (2014)
WD615 (Евро 2) (2006)
WD615 (Евро 3) (2007)
WD615G0165, WD10G0004 (2009)
WP10 (Евро 2) (2007)
WP10 DHL10Q0032
WP10 DHL10Q0213
WP10 DHP10Q0168
WP10 DHP10Q1242
WP10.336E40
WP10336E40 (Евро 4) (2013)
WP10336N (Евро 3) (2013)
WP10340E32 (Евро 2) (2013)
WP10NG DHP10Q1667
WP12 (Евро 3) (2007)
WP12 375E40 (Евро 4) (2013)
WP12 DHP12N0219
WP12 DHP12Q0501
WP12.375E50 (2019)
WP12.400E50 (2020)
WP12NG380E51 (2020)
WP13 DHP13Q0928 (2021)
WP13 DHP13Q3390
WP2.1D18E2 (2013)
WP4.1 DH4.1K0320 (2019)
WP4.1 DHN4.1Q0006 (2020)
WP6 DHB06D0018
WP6 DHB06G0131
WP6D132E200
WP6G125E22 (2013)
WP6G140E22 (2013)
WP6G175E201 (2015)
WP7
WP7 DHP07T0067 (2023)
WP7.300E51
WP8 DHP08Q0162 (2022)
Схема
>
Не выбрано
Engine Block Group
Crankcase assembly
Crankcase pre-assembly
Oil Seal Group
Spray Nozzle Group
Flywheel Housing Group
Front End Cover Group
Oil-gas Separator Group
Crankshaft Group
Crankshaft Assembly
Crankshaft Subassembly
Main Bearing Group
Thrust Plate Group
Flywheel Group
Piston and Connecting Rod Group
Piston Ring Set
Connecting Rod Assembly
Cylinder Head Group
Cylinder Head Subassembly
Eye Ring Group
Cylinder Head Cover Group
Cylinder Head Cover Assembly
Oil filling port cover assembly
Valve Train Group
Rocker Arm Set
Camshaft Assembly
EVB Bracket Assembly
Gear Drive Group
Idler Gear Assembly
Idler Gear Set
Crankshaft Pulley Group
Oil Pan Group
Oil Pan Assembly
Oil Dipstick Group
Dipstick Assembly
Oil Pump Group
Oil Strainer Group
Oil Cooler Group
Oil Cooler Cap Assembly
Oil Filter Group
Oil Filter
Oil Filling Tube Group
Water Pump Group
Water Pipe Connector Group
Venting Pipe Group
Thermostat Group
Intercooler Group
Fan and Hub Group
High Pressure Pump Group
Fuel Injection Pump Set
Fuel Injection Pump Assembly
Fuel Injector Group
Fuel Injector
Adapter of High Pressure Pipe
Low Pressure Fuel Pipe Group
Fuel Filter Group
Fuel Filter Assembly
High Pressure Fuel Pipe Group
High-pressure Fuel Pipe Assembly
Common Rail Group
Intake Manifold Group
Intake Manifold Assembly
Turbocharger Group
Turbocharger Oil Pipe Group
Compressor Pipe Group
Exhaust Manifold Group
Exhaust Manifold Heat Shield Assembly
Rear Exhaust Manifold Group
Air Compressor Group
Air Compressor Assembly
Hydraulic Pump Group
Tensioner And Belt Group
Starter Motor Group
Engine Peripheral Device Support Group
Packing Box Chassis Parts Group
Separate Delivery Parts Group Attached to Engine
SCR Box Assembly
Parts Box Group
Fuel System Protector
Electronic Control Unit Group
Electronic Control System Harness Group
Alternator Group
Alternator Bracket Group
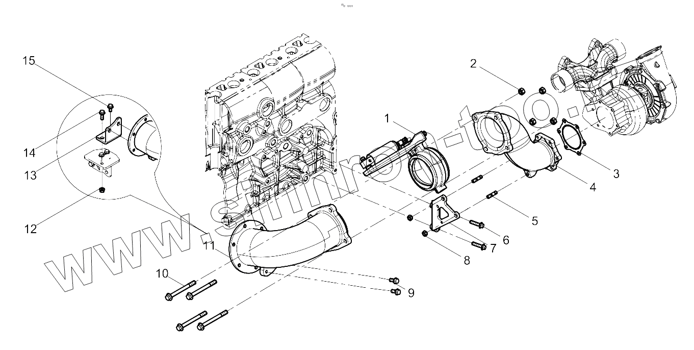
1
2
3
4
5
6
7
8
9
10
11
12
13
14
15
Позиция на иллюстрации
Заводской номер детали
Название детали
1
1000333514
Exhaust Braking Butterfly Valve
2
612630110068
Шестигранная гайка
3
612630110716
Gasket
4
612630111084
Exhaust Manifold
5
612630110042
Stud
6
90011430032
Hexagon Flange Bolt
7
612630111049
Supercharger Bracket
8
612630110043
Hexagon nut
9
9000000043
Hexagon Flange Bolt
10
612630110069
Шестигранный головочный болт с фланцем
11
612640110005
Exhaust joint pipe
12
90012420003
Prevailing Torque Type All-metal Hexagon Nut with Flange
13
1001010038
Exhaust Manifold Bracket
14
90011400028
Hexagon Flange Bolt
15
90011400027
Hexagon Flange Bolt
Содержащиеся в справочниках-каталогах запасные части и детали не предлагаются к продаже, а носят исключительно информационный характер
Дополнительная информация
×
Название:
Номер:
Примечание: