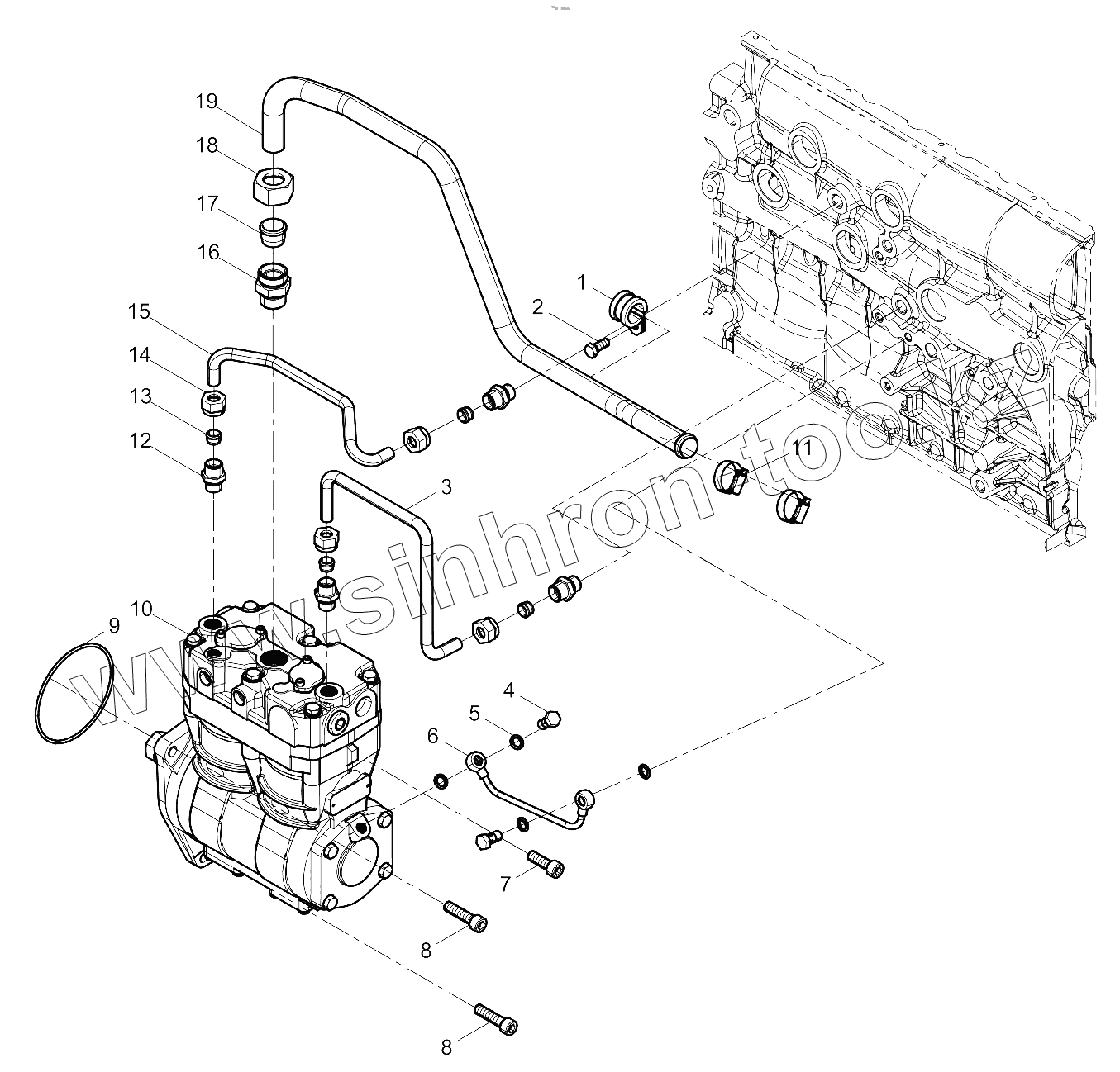
Каталог запасных частей к технике: Weichai WP13 DHP13Q0928. Air Compressor Group
1
2
3
4
5
6
7
8
8
9
10
11
12
13
14
15
16
17
18
19
| Позиция на иллюстрации | Заводской номер детали | Название детали | |
|---|---|---|---|
| 1 | 612600111639 | Зажим | |
| 2 | 90003802419 | Винт (под угольник) | |
| 3 | 1000984919 | Air Compressor Water Pipe | |
| 4 | 612639000047 | Пустотелый болт | |
| 5 | 13057039 | Unit seal washer | |
| 6 | 1002025235 | Air Compressor Oil Pipe Assembly | |
| 7 | 90003862532S | Inner hexagon screw | |
| 8 | 90013550004S | Inner hexagon screw | |
| 9 | 612639000039 | О-образное уплотнительное кольцо | |
| 10 | 1003185665 | Air Compressor Assembly | |
| 11 | 90003989301 | Хомут шланга | |
| 12 | 1000879941S | Ferrule Straight Thread Elbow-body | |
| 13 | 1000886100 | Ferrule | |
| 14 | 612639000022 | Соединительная гайка | |
| 15 | 1000984920 | Air Compressor Water Pipe | |
| 16 | 612639000060S | Pipe Joint | |
| 17 | 612639000082 | Цанговый патрон | |
| 18 | 612639000041 | Гайка трубочного соединения | |
| 19 | 1000127028 | Air compressor Air-inlet Pipe |
Содержащиеся в справочниках-каталогах запасные части и детали не предлагаются к продаже, а носят исключительно информационный характер