Вернуться на главную
Поиск
Каталоги запчастей к технике
Двигатели
Weichai
WP12.400E50
Oil cooler cap Group
Каталог запасных частей к технике: Weichai WP12.400E50. Oil cooler cap Group
zoom-in
zoom-out
enlarge
shrink
circle-right
circle-left
file-text2
info
cart
Тип техники
Не выбрано
Легковые автомобили
Грузовые автомобили и прицепы
Автобусы
Сельхозтехника
Спецтехника
Двигатели
Мототехника
Марка
Не выбрано
BAW
Caterpillar
Cummins
DCEC
DongFeng
Doosan
FAW
Great Wall
Hitachi
HOWO
HSW
IVECO
Komatsu
LGMG
Perkins
Raywin
SDEC
Shaanxi
Valmet
Weichai
XINCHAI
YTO
Yuchai
ZF
Алтайдизель
Барнаултрансмаш
ВТЗ
ГАЗ
ЗиД
ЗМЗ
Камский автозавод
ММЗ
СМД
ТМЗ
УМЗ
ЧТЗ
ЮМЗ
ЯЗДА
ЯМЗ
Модель
Не выбрано
226B
226B
226B
226B (2010)
4M06G17
4M06G22
6M11 DHM11D0002 (2010)
6M11 DHM11D0003 (2010)
6M11 DHM16D0001
6M11 DHM16D0002
6M11 DHM16D0006
BAUDOUIN 3M10
BAUDOUIN 4M06G33
BAUDOUIN 4M06G44
BAUDOUIN 4M06G50
WD10 DHD10C0009
WD10 G220E23 (2017)
WD10G178E25 (Евро 2) (2013)
WD10G220E21 (2013)
WD10G220E21 (2017)
WD10G220E22
WD10G220E23 (Евро 2) (2013)
WD12.420 (2014)
WD615 (Евро 2) (2006)
WD615 (Евро 3) (2007)
WD615G0165, WD10G0004 (2009)
WP10 (Евро 2) (2007)
WP10 DHL10Q0032
WP10 DHL10Q0213
WP10 DHP10Q0168
WP10 DHP10Q1242
WP10.336E40
WP10336E40 (Евро 4) (2013)
WP10336N (Евро 3) (2013)
WP10340E32 (Евро 2) (2013)
WP10NG DHP10Q1667
WP12 (Евро 3) (2007)
WP12 375E40 (Евро 4) (2013)
WP12 DHP12N0219
WP12 DHP12Q0501
WP12.375E50 (2019)
WP12.400E50 (2020)
WP12NG380E51 (2020)
WP13 DHP13Q0928 (2021)
WP13 DHP13Q3390
WP2.1D18E2 (2013)
WP4.1 DH4.1K0320 (2019)
WP4.1 DHN4.1Q0006 (2020)
WP6 DHB06D0018
WP6 DHB06G0131
WP6D132E200
WP6G125E22 (2013)
WP6G140E22 (2013)
WP6G175E201 (2015)
WP7
WP7 DHP07T0067 (2023)
WP7.300E51
WP8 DHP08Q0162 (2022)
Схема
>
Не выбрано
Engine Block Group
Crankcase assembly
Cylinder Block Preassembly
Nozzle Set
Flywheel Housing Group
Front cover group
Crankshaft Group
Crankshaft Assembly
Crankshaft Subassembly
Main Bearing Group
Thrust Plate Set
Flywheel Group
Piston and Connecting Rod Group
Connecting Rod Assembly
Piston Assembly
Piston Ring Set
Cylinder Head Group
Cylinder Head Subassembly
Cylinder head cover set
Cylinder Head Cover Assembly
Oil filling port cover assembly
Oil-gas Separator Group
Valve Train Group
Rocker arm combination subgroup
Rocker Arm Shaft Set
Camshaft Assembly
EVB Bracket Assembly
Gear Drive Set
Idler Gear Set
Idler Gear Set
Crankshaft Pulley Group
Belt pulley assembly
Oil Pan Group
Oil Pan Assembly
Dipstick Group
Dipstick Assembly
Oil Pump Group
Oil Strainer Group
Oil Cooler Group
Oil cooler cap Group
Oil Cooler Cap Assembly
Oil Filter Group
Oil Filter
Oil Filling Tube Group
Water Pump Group
Venting Pipe Group
Thermostat Group
Intercooler Group
Fan Bracket Group
Fan and Hub Group
Fan Clutch Assembly
High Pressure Pump Group
Fuel Injection Pump Set
Fuel Injection Pump Assembly
Fuel Injector Group
Adapter of High Pressure Pipe
Low Pressure Fuel Pipe Group
Injector Return Pipe Group
Fuel Filter Group
Fuel Coarse Filter
Fuel Fine Filter
High Pressure Pipe Set
High-pressure Fuel Pipe Assembly
Common Rail System Assembly
Intake manifold group
Intake Manifold Assembly
Turbocharger Group
Turbocharger Oil Pipe Group
Exhaust Manifold Group
Rear Exhaust Manifold Group
Clutch Group
Air Conditioning Compressor Group
Air Compressor Group
Air Compressor Assembly
Hydraulic Pump Group
Tensioner And Belt Group
Starter Motor Group
Engine Bracket Group
Engine Block Peripheral Group
Packing Box Chassis Parts Group
Fuel System Protector
Separate Delivery Parts Group Attached to Engine
SCR Box Assembly
Integrated Urea Tank Assembly
Urea Tank Assembly
Parts Box Group
Starting relay Conneting parts
Connector Assembly
Connector Assembly
Connector
Connector Assembly
Connector
Connector Assembly
Connector
Matching Connector
Fuel heating Conneting parts
Vehicle Connector
Diagnosis Plug
Matching Connector
Electronic Control System Harness and Sensor Group
Alternator Group
Alternator Bracket Group
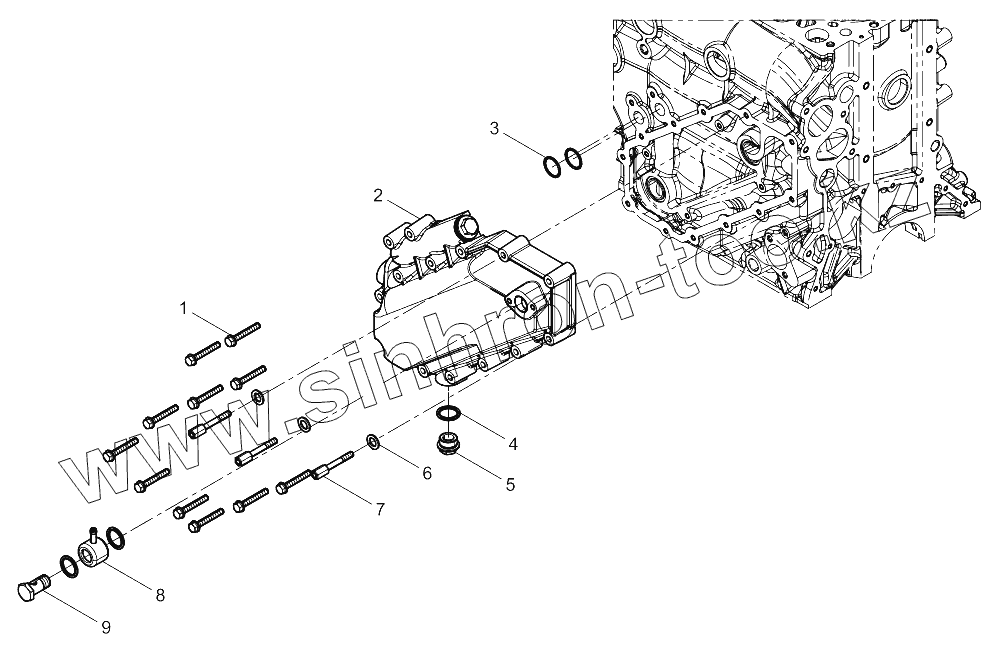
1
2
3
4
5
6
7
8
9
Позиция на иллюстрации
Заводской номер детали
Название детали
1
612639000073
Болт с шестигранной головкой
2
612630010756
Oil Cooler Cap Assembly
3
612639000072
О-образное уплотнительное кольцо
4
13034050
Unit seal washer
5
612639000067
Резьбовая пробка
6
90003932023
Шайба пружинная
7
612600013554
Supporting plate
8
612640010004
Outlet connector
9
612600130053
Hollow bolt
Содержащиеся в справочниках-каталогах запасные части и детали не предлагаются к продаже, а носят исключительно информационный характер
Дополнительная информация
×
Название:
Номер:
Примечание: