Вернуться на главную
Поиск
Каталоги запчастей к технике
Двигатели
Weichai
WP10NG DHP10Q1667
Cylinder Block Preassembly
Каталог запасных частей к технике: Weichai WP10NG DHP10Q1667. Cylinder Block Preassembly
zoom-in
zoom-out
enlarge
shrink
circle-right
circle-left
file-text2
info
cart
Тип техники
Не выбрано
Легковые автомобили
Грузовые автомобили и прицепы
Автобусы
Сельхозтехника
Спецтехника
Двигатели
Мототехника
Марка
Не выбрано
BAW
Caterpillar
Cummins
DCEC
DongFeng
Doosan
FAW
Great Wall
Hitachi
HOWO
HSW
IVECO
Komatsu
LGMG
Perkins
Raywin
SDEC
Shaanxi
Valmet
Weichai
XINCHAI
YTO
Yuchai
ZF
Алтайдизель
Барнаултрансмаш
ВТЗ
ГАЗ
ЗиД
ЗМЗ
Камский автозавод
ММЗ
СМД
ТМЗ
УМЗ
ЧТЗ
ЮМЗ
ЯЗДА
ЯМЗ
Модель
Не выбрано
226B
226B
226B
226B (2010)
4M06G17
4M06G22
6M11 DHM11D0002 (2010)
6M11 DHM11D0003 (2010)
6M11 DHM16D0001
6M11 DHM16D0002
6M11 DHM16D0006
BAUDOUIN 3M10
BAUDOUIN 4M06G33
BAUDOUIN 4M06G44
BAUDOUIN 4M06G50
WD10 DHD10C0009
WD10 G220E23 (2017)
WD10G178E25 (Евро 2) (2013)
WD10G220E21 (2013)
WD10G220E21 (2017)
WD10G220E22
WD10G220E23 (Евро 2) (2013)
WD12.420 (2014)
WD615 (Евро 2) (2006)
WD615 (Евро 3) (2007)
WD615G0165, WD10G0004 (2009)
WP10 (Евро 2) (2007)
WP10 DHL10Q0032
WP10 DHL10Q0213
WP10 DHP10Q0168
WP10 DHP10Q1242
WP10.336E40
WP10336E40 (Евро 4) (2013)
WP10336N (Евро 3) (2013)
WP10340E32 (Евро 2) (2013)
WP10NG DHP10Q1667
WP12 (Евро 3) (2007)
WP12 375E40 (Евро 4) (2013)
WP12 DHP12N0219
WP12 DHP12Q0501
WP12.375E50 (2019)
WP12.400E50 (2020)
WP12NG380E51 (2020)
WP13 DHP13Q0928 (2021)
WP13 DHP13Q3390
WP2.1D18E2 (2013)
WP4.1 DH4.1K0320 (2019)
WP4.1 DHN4.1Q0006 (2020)
WP6 DHB06D0018
WP6 DHB06G0131
WP6D132E200
WP6G125E22 (2013)
WP6G140E22 (2013)
WP6G175E201 (2015)
WP7
WP7 DHP07T0067 (2023)
WP7.300E51
WP8 DHP08Q0162 (2022)
Схема
>
Не выбрано
Engine Block Group
Crankcase assembly
Cylinder Block Preassembly
Timing gear housing group
Crankshaft Group
Crankshaft Assembly
Crankshaft Subassembly
Connecting rod and Piston
Connecting Rod Assembly
Piston Ring Set
Cylinder Head Group
Cylinder Head Subassembly
Valve Mechanism assembly
Camshaft Assembly
Intake Rocker Arm Assembly
Exhaust Rocker Arm Set
Idler Gear Assembly
Oil Pump Group
Oil Pump Idle Gear Set
Oil Cooler Group
High Pressure Pump Group
Cap Group
Oil-gas Separator Group
Oil-gas Separator Assembly
Dipstick Group
Dipstick Assembly
Oil Filling Tube Group
Flywheel Housing Group
Oil cooler cap Group
Flywheel Group
Crankshaft Pulley Group
Cylinder Head Cover Group
Water Outlet Pipe Group
Thermostat Group
Water Pump Group
Water Pipe Connector Group
Fan and Hub Group
Fan Clutch Assembly
Tensioner And Belt Group
Oil Strainer Group
Oil Filter Group
Oil Filter
Electronic Control System Harness and Sensor Group
Alternator Group
Alternator Bracket Group
Starter Motor Group
Intake Manifold Group
Intake Manifold Assembly
Exhaust Manifold Group
Turbocharger Group
Turbocharger Oil Pipe Group
Compressor Pipe Group
Rear Exhaust Manifold Group
Intercooler Group
Air Compressor Group
Air Compressor Assembly
Hydraulic Pump Group
Oil Pan Group
Oil Pan Assembly
Mixer Intake System Group
Mixer Assembly
Fuel Supply System Set
FMV Set
Turbo Set System Group
Exhaust Control Set
Signal Generator and Indictor Group
Phase Sensor Set
Ignition System Group
Pass in and out Water pipe annex set
Engine Harness Group
Accessory Box Set
Electronical Foot Pedal
High Pressure Fillter Set
Pressure Reducer set
ECU and Program Set
Engine Bracket Group
Parts Box Group
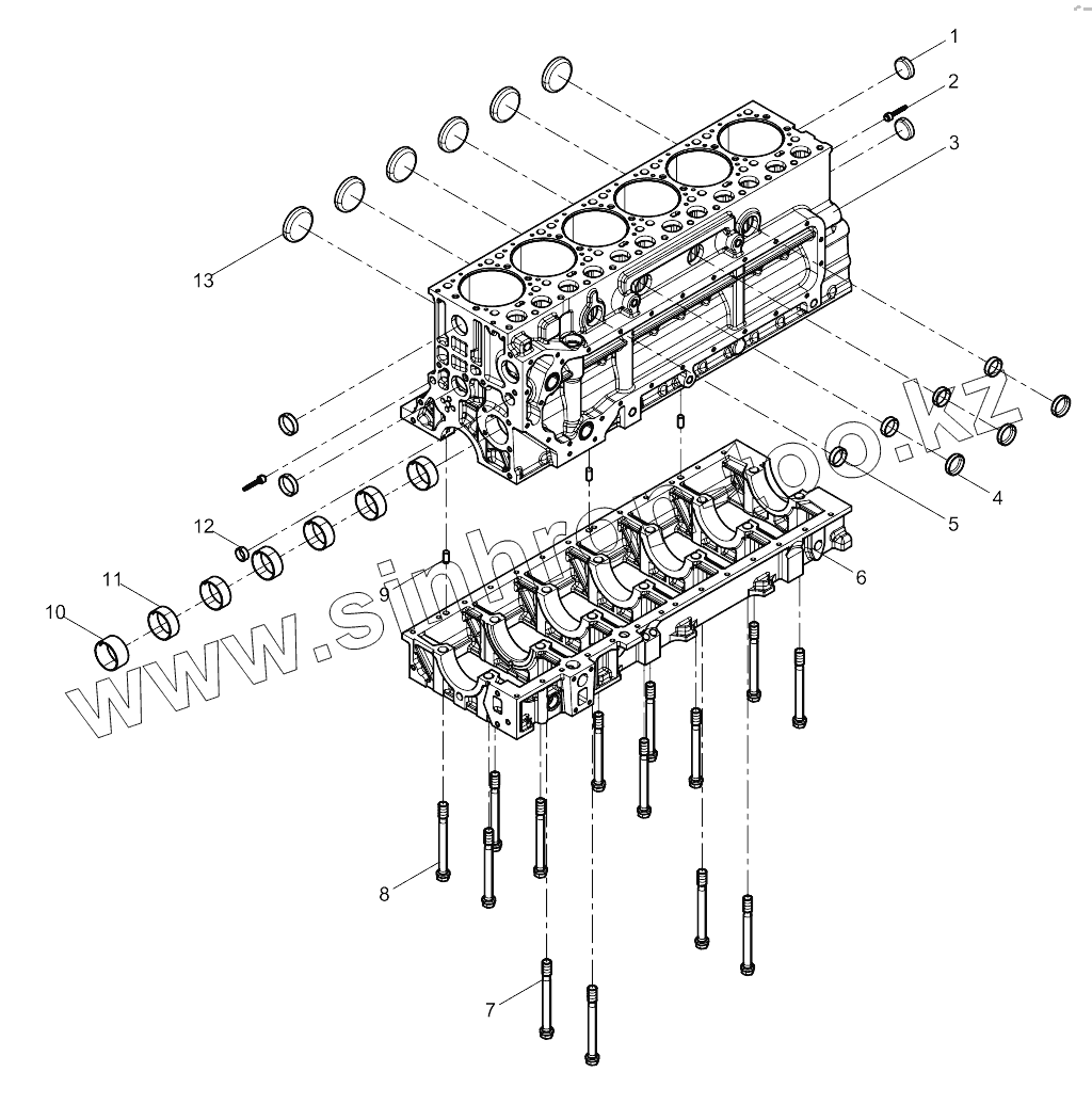
1
2
3
4
5
6
7
8
9
10
11
12
13
Позиция на иллюстрации
Заводской номер детали
Название детали
1
90003982121
Пробка чашеобразная
2
612600013437
Tensioned rivet
3
612600013747
Cylinder block
4
90003989215
Заглушка
5
90003989289
Пробка чашеобразная
6
612600013749
Crankshaft case
7
614010217
Болт
8
614010114
Болт
9
612600010051
Inner hexagon pin
10
612600010990
Втулка распредвала
11
61560010029
Втулка распредвала
12
90003989204
Пробка чашеобразная
13
90003989210
Пробка чашеобразная
Содержащиеся в справочниках-каталогах запасные части и детали не предлагаются к продаже, а носят исключительно информационный характер
Дополнительная информация
×
Название:
Номер:
Примечание: