Вернуться на главную
Поиск
Каталоги запчастей к технике
Двигатели
Weichai
WP10 DHL10Q0032
Oil-Gas separator assembly
Каталог запасных частей к технике: Weichai WP10 DHL10Q0032. Oil-Gas separator assembly
zoom-in
zoom-out
enlarge
shrink
circle-right
circle-left
file-text2
info
cart
Тип техники
Не выбрано
Легковые автомобили
Грузовые автомобили и прицепы
Автобусы
Сельхозтехника
Спецтехника
Двигатели
Мототехника
Марка
Не выбрано
BAW
Caterpillar
Cummins
DCEC
DongFeng
Doosan
FAW
Great Wall
Hitachi
HOWO
HSW
IVECO
Komatsu
LGMG
Perkins
Raywin
SDEC
Shaanxi
Valmet
Weichai
XINCHAI
YTO
Yuchai
ZF
Алтайдизель
Барнаултрансмаш
ВТЗ
ГАЗ
ЗиД
ЗМЗ
Камский автозавод
ММЗ
СМД
ТМЗ
УМЗ
ЧТЗ
ЮМЗ
ЯЗДА
ЯМЗ
Модель
Не выбрано
226B
226B
226B
226B (2010)
4M06G17
4M06G22
6M11 DHM11D0002 (2010)
6M11 DHM11D0003 (2010)
6M11 DHM16D0001
6M11 DHM16D0002
6M11 DHM16D0006
BAUDOUIN 3M10
BAUDOUIN 4M06G33
BAUDOUIN 4M06G44
BAUDOUIN 4M06G50
WD10 DHD10C0009
WD10 G220E23 (2017)
WD10G178E25 (Евро 2) (2013)
WD10G220E21 (2013)
WD10G220E21 (2017)
WD10G220E22
WD10G220E23 (Евро 2) (2013)
WD12.420 (2014)
WD615 (Евро 2) (2006)
WD615 (Евро 3) (2007)
WD615G0165, WD10G0004 (2009)
WP10 (Евро 2) (2007)
WP10 DHL10Q0032
WP10 DHL10Q0213
WP10 DHP10Q0168
WP10 DHP10Q1242
WP10.336E40
WP10336E40 (Евро 4) (2013)
WP10336N (Евро 3) (2013)
WP10340E32 (Евро 2) (2013)
WP10NG DHP10Q1667
WP12 (Евро 3) (2007)
WP12 375E40 (Евро 4) (2013)
WP12 DHP12N0219
WP12 DHP12Q0501
WP12.375E50 (2019)
WP12.400E50 (2020)
WP12NG380E51 (2020)
WP13 DHP13Q0928 (2021)
WP13 DHP13Q3390
WP2.1D18E2 (2013)
WP4.1 DH4.1K0320 (2019)
WP4.1 DHN4.1Q0006 (2020)
WP6 DHB06D0018
WP6 DHB06G0131
WP6D132E200
WP6G125E22 (2013)
WP6G140E22 (2013)
WP6G175E201 (2015)
WP7
WP7 DHP07T0067 (2023)
WP7.300E51
WP8 DHP08Q0162 (2022)
Схема
>
Не выбрано
Enging block group
Sylinder block preassembly
Timing Gear Housing Group
Crankshaft Group
Crankshaft Assembly
Piston and connecting rod assembly
Piston and connecting rod group
Piston ring assembly
Piston
Cylinder head subassembly
Cylinder head subassebly
Valve train assembly
Camshaft group
Idle gears assembly
Rocker arm shaft set
Rocker arm assembly
Rocker arm assembly
Evb bracket group
Oil pump assembly
Idle gear assembly of oil pump
Oil cooler cap group
The common rail system group
Injection pump group
High-Pressure pipe set
Front cover group
Oil-Gas separator assembly
Oil-Gas separator asm.
Dipstick assembly
Oil scale assembly
Oil filling tube group
Flywheel shell assembly
Oil cooler cover group
Flywheel assembly
Crankshaft pulley group crankshaft pulley group
Cylinder head cover assembly
Water pump group
Water pump
Water Pipe Connector Group
Fan and Hub Group
Tensioner and belt asesmbly
Lubricating oil suction strainer
Rotating centrifugal lubricating oil filter group
Oil filter sub-assembly
Fuel Filter Group
Fuel prefilter
Fine filter
Water pump group
Electronic Control System Harness and Sensor Group
Speed sensor assembly
Oil Pressure Sensor Set
Fuel injector assembly
Adapter of high pressure pipe
Complete alternator 8/13m26.3
Air conditioning compressor group
Starter assembly
Intake pipe assembly
Pipe assembly
Exhaust pipe group
Turbocharger asm
Turbocharger oil pipe group
Compressor Pipeline Group
Intercooler assembly
Air compressor assembly
Air Compressor Assembly
Hydraulic pump assembly
Oil pan group
Oil pan
Engine bracket assembly
Parts kit group
Water filter-fuel separator with function of electric heat and pump fuel
Dashboard assembly
Single transprot parts attached to engine group (01)
SCR chamber assembly
Single transprot parts attached to engine group (02)
SCR chamber assembly
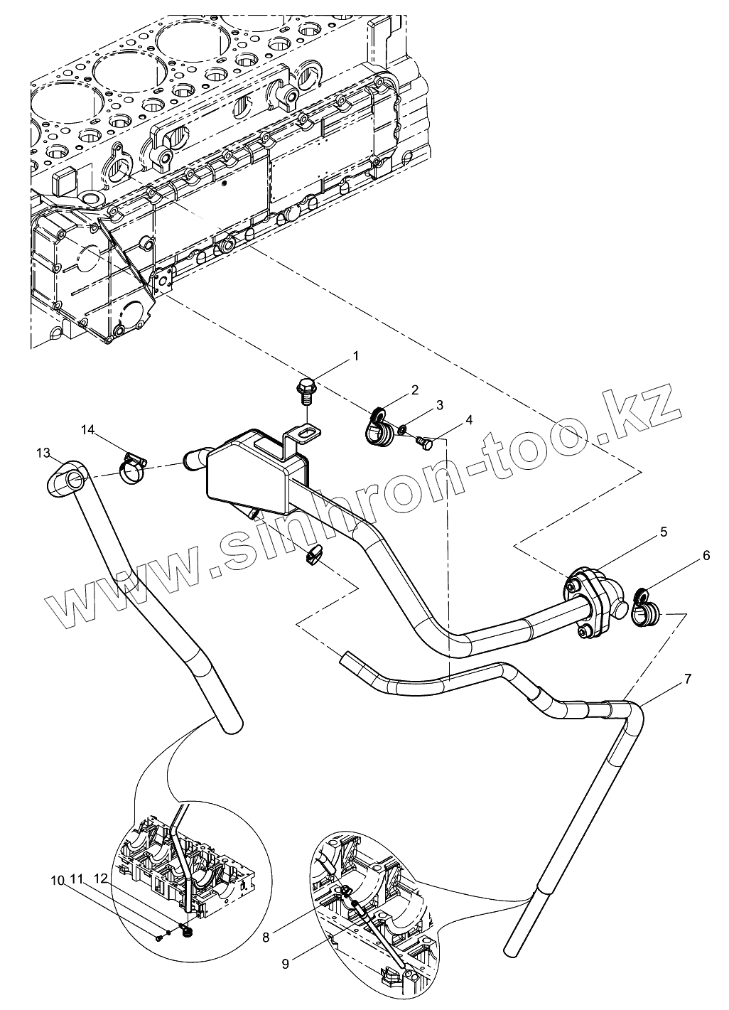
1
2
3
4
5
6
7
8
9
10
11
12
13
14
Позиция на иллюстрации
Заводской номер детали
Название детали
1
90011310001
Hexagon Flange Bolt
2
612600111639
Зажим
3
90003932023
Шайба пружинная
4
90003802402
Hexagon bolt
5
612600014442
Oil-Gas separator asm.
6
612600012280
Pipe Clamp Assembly
7
612640010104
Oil-gas separator of fuel return pipe
8
90003989300
Хомут шланга
9
612600012595
Fuel return pipe nipple
10
612600110961
Болт
11
90003931142
Spring washer
12
612600013280
Pipe Clamp Assembly
13
612640120061
Oil Connecting Rubber Pipe
14
90003989340
Хомут стяжной
Содержащиеся в справочниках-каталогах запасные части и детали не предлагаются к продаже, а носят исключительно информационный характер
Дополнительная информация
×
Название:
Номер:
Примечание: