Вернуться на главную
Поиск
Каталоги запчастей к технике
Двигатели
Weichai
WP10.336E40
Engine Bracket Group
Каталог запасных частей к технике: Weichai WP10.336E40. Engine Bracket Group
zoom-in
zoom-out
enlarge
shrink
circle-right
circle-left
file-text2
info
cart
Тип техники
Не выбрано
Легковые автомобили
Грузовые автомобили и прицепы
Автобусы
Сельхозтехника
Спецтехника
Двигатели
Мототехника
Марка
Не выбрано
BAW
Caterpillar
Cummins
DCEC
DongFeng
Doosan
FAW
Great Wall
Hitachi
HOWO
HSW
IVECO
Komatsu
LGMG
Perkins
Raywin
SDEC
Shaanxi
Valmet
Weichai
XINCHAI
YTO
Yuchai
ZF
Алтайдизель
Барнаултрансмаш
ВТЗ
ГАЗ
ЗиД
ЗМЗ
Камский автозавод
ММЗ
СМД
ТМЗ
УМЗ
ЧТЗ
ЮМЗ
ЯЗДА
ЯМЗ
Модель
Не выбрано
226B
226B
226B
226B (2010)
4M06G17
4M06G22
6M11 DHM11D0002 (2010)
6M11 DHM11D0003 (2010)
6M11 DHM16D0001
6M11 DHM16D0002
6M11 DHM16D0006
BAUDOUIN 3M10
BAUDOUIN 4M06G33
BAUDOUIN 4M06G44
BAUDOUIN 4M06G50
WD10 DHD10C0009
WD10 G220E23 (2017)
WD10G178E25 (Евро 2) (2013)
WD10G220E21 (2013)
WD10G220E21 (2017)
WD10G220E22
WD10G220E23 (Евро 2) (2013)
WD12.420 (2014)
WD615 (Евро 2) (2006)
WD615 (Евро 3) (2007)
WD615G0165, WD10G0004 (2009)
WP10 (Евро 2) (2007)
WP10 DHL10Q0032
WP10 DHL10Q0213
WP10 DHP10Q0168
WP10 DHP10Q1242
WP10.336E40
WP10336E40 (Евро 4) (2013)
WP10336N (Евро 3) (2013)
WP10340E32 (Евро 2) (2013)
WP10NG DHP10Q1667
WP12 (Евро 3) (2007)
WP12 375E40 (Евро 4) (2013)
WP12 DHP12N0219
WP12 DHP12Q0501
WP12.375E50 (2019)
WP12.400E50 (2020)
WP12NG380E51 (2020)
WP13 DHP13Q0928 (2021)
WP13 DHP13Q3390
WP2.1D18E2 (2013)
WP4.1 DH4.1K0320 (2019)
WP4.1 DHN4.1Q0006 (2020)
WP6 DHB06D0018
WP6 DHB06G0131
WP6D132E200
WP6G125E22 (2013)
WP6G140E22 (2013)
WP6G175E201 (2015)
WP7
WP7 DHP07T0067 (2023)
WP7.300E51
WP8 DHP08Q0162 (2022)
Схема
>
Не выбрано
Engine Block Group
Pre-assembled cylinder block
Timing gear chamber assembly
Crankshaft Group
Crankshaft assembly
Piston and Connecting Rod Group
Connecting rod assembly
Piston ring assembly
Cylinder head assembly
Cylinder head subassembly
Valve Train Group
Camshaft assembly
EVB Exhaust Rocker Arm Set
Intake valve rocker arm
Intermediate gear assembly
Oil pump assembly
Oil Pump Idle Gear Assembly
Oil cooler assembly
Common rail system combination group
High pressure pump assembly
High pressure pipe assembly
End cap combination group
Oil-gas Separator Group
Oil-gas separator assembly
Dipstick Group
Oil dipstick assembly
Oil Tilling Tube Group
Flywheel Housing Group
Oil cooler cover assembly
Flywheel Group
Crankshaft Pulley Group
Cylinder head cover assembly
Water Outlet Pipe Group
Thermostat Group
Water pump assembly
Water Pipe Connector Group
Fan and Hub Group
Tensioner and belt combination group
Oil Suction Strainer Group
Oil filter assembly
Oil filter assembly
Fuel Filter Group
Primary fuel filter assembly
Primary fuel filter
Fuel fine filter assembly
Fine filter
Electronic Control System Harness and Sensor Group
Speed sensor assembly
Oil Pressure Sensor Set
Injector assembly
Generator Group
Generator Bracket Group
Starter Motor Group
Intake Manifold Group
Air inlet pipe assembly
Exhaust Manifold Group
Turbocharger assembly
Turbocharger Oil pipe Group
Compressor Pipeline Group
Air compressor
Air compressor assembly
Oil Pan Group
Oil pan assembly
Engine Bracket Group
Parts Box Group
Urea level sensor 4-hole connector assembly
Urea pump 12-hole connector assembly
Vehicle 94-hole connector assembly
Exhaust temperature sensor connector
Double-ended 2-hole connector assembly
Urea nozzle 2-hole connector assembly
Nitrogen oxygen sensor female connector assembly
Fuel System Protector
Single Transport Parts Attached to Engine Group
SCR box assembly
Integrated urea tank assembly
Packing Box Chassis Parts Group
Electronically controlled silicon oil clutch fan assembly
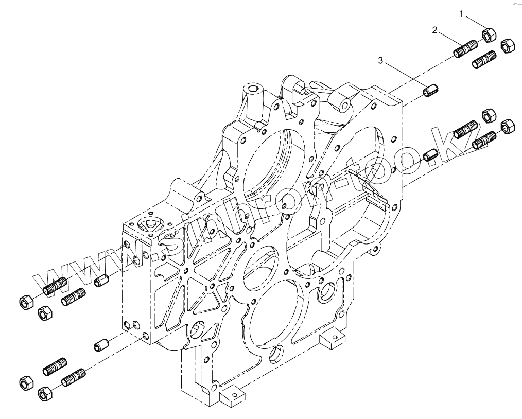
1
2
3
Позиция на иллюстрации
Заводской номер детали
Название детали
1
90012210004
Hexagon nut
2
90003813628S
Stud
3
90003900085
Spring dowel pin
Содержащиеся в справочниках-каталогах запасные части и детали не предлагаются к продаже, а носят исключительно информационный характер
Дополнительная информация
×
Название:
Номер:
Примечание: