Каталог запасных частей к технике: Weichai WD615 (Евро 3). Система подачи топлива
1
2
3
4
5
6
7
7
7
9
10
10
11
12
13
14
15
16
17
18
19
20
21
22
23
23
24
24
24
25
25
26
26
27
28
29
30
30
31
31
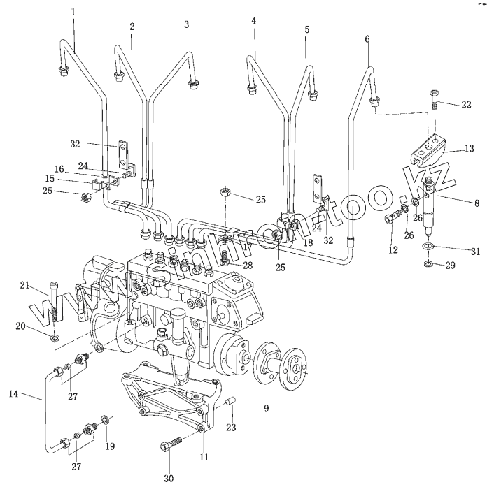
| Позиция на иллюстрации | Заводской номер детали | Название детали | |
|---|---|---|---|
| 61560080230 | 61560080230 | Высоконапорная топливная труба шестого цилиндра в сборе | |
| 1 | 6126000809709 | Высоконапорная топливная труба в сборе | |
| 2 | 61560080229 | Высоконапорная топливная труба пятого цилиндра в сборе | |
| 3 | 61560080228 | Высоконапорная топливная труба четвертого цилиндра в сборе | |
| 4 | 61560080227 | Высоконапорная топливная труба третьего цилиндра в сборе | |
| 5 | 61560080226 | Высоконапорная топливная труба второго цилиндра в сборе | |
| 6 | 61560080225 | Высоконапорная топливная труба первого цилиндра в сборе | |
| 7 | 612600081249 | Топливный насос в сборе | |
| 7 | 612600081053 | Топливный насос в сборе | |
| 7 | 612600080324 | Топливный насос в сборе | |
| 9 | 612600080186 | Муфта в сборе | |
| 10 | 612600080679 | Подпора | |
| 10 | 61500080074 | Подпора | |
| 11 | 61500080090 | Болт | |
| 12 | 61500080094A | Кронштейн крепления | |
| 13 | 612600080711 | Перепускная труба смазочного масла в боре | |
| 14 | 614080060 | Прижимная скоба | |
| 15 | 614080061 | Нижняя платинка хомут трубы | |
| 16 | 61560080173 | Хомут прижимной | |
| 17 | 61560080174 | Хомут прижимной | |
| 18 | 90003098015 | Шайба уплотнительная | |
| 19 | 90003930271 | Шайба | |
| 20 | 90003862566 | Винт | |
| 21 | 90003802455 | Болт | |
| 22 | 90003901600 | Вкладыш | |
| 23 | 90003802321 | Болт | |
| 24 | 90003871232 | Гайка | |
| 25 | 90003098018 | Шайба | |
| 26 | 90003559844 | Соединение масляной трубки | |
| 27 | 90003802312 | Болт | |
| 28 | 614080082 | Шайба | |
| 29 | 90003802650 | Болт | |
| 30 | 609070080 | Сальник | |
| 31 | 61560080172 | Кронштейн |
Содержащиеся в справочниках-каталогах запасные части и детали не предлагаются к продаже, а носят исключительно информационный характер